Оглавление
Для чего может понадобится схема ПВ света на 2 выключателя?
Проходной выключатель на 3 места Возможно ли подключить большее количество переключателей для управления освещением одной лампы? Промежуточного положения в данном случае не предусматривается.
При замыкании концов щупов, прибор издает звуковой сигнал, что весьма удобно, так как нет необходимости смотреть на дисплей прибора. В таком случае, лучше сначала посмотреть видео, где доходчиво рассказывается, а главное показывается, как это сделать.
В любом случае, необходимо обзавестись тестером для обнаружения кабеля под штукатуркой и проверить его наличие там, где Вы собираетесь что-то делать.
Обеспечиваем электрический потенциал через фазовый провод L. Используется с той же целью для управления тремя группами светильников.
Решение на три точки управления Организация систем проходной коммутации во многом определяется площадью помещений протяжённостью , количеством ходов дверей. Поднимаемся по освещенной лестнице вверх и выключаем свет Для освещения лестницы маршевые переключатели являются необходимостью: управление освещением в гостиной на первом этаже; три светильника на лестничном переходе; управление освещением на площадке второго этажа.
Четыре ПВ подключаются с помощью перекрестных выключателей, как было описано выше. Схемы с управлением более чем из трёх мест Число мест управления, в принципе, не ограничено.
Как уже было сказано выше, при отсутствии схемы контакты лучше вызвонить при разных положениях клавиши. Фазный провод подается на входы обоих выключателей, а другие входы выключателей подключаются к одному из концов одной и другой лампы.
Как подключить двухклавишный проходной и перекрёстный переключатель с двух и более мест

См. также: Снип прокладка силового кабеля
Полезные видео по теме
На страницах сайта я уже публиковал материал как подключить проходной выключатель, где рассматривалась схемы подключения как одноклавишных, так и двухклавишных проходных выключателей с двух, трёх и более мест установки.
Кому лень переходить на другую страницу напомним схему подключения двухклавишного выключателя освещения в режиме нормальной работы. Ничего заумного. Перекидные контакты как в одноклавишном только на две разделённые группы
Так выглядит цепочка состоящая из двух одноклавишных и парочки двухклавишных проходных переключателей. Это для примера. Такая цепь может например применяться в длинных офисных коридорах. В ряде случаев его так и называют проходной коридорный выключатель света.
В данной статье речь пойдёт о схеме, по которой можно подключить двухклавишный выключатель проходного типа как обычный на две группы включения освещения.
Зачем это нужно? – опять же практика
Недавно проводя по заявке электромонтажные работы по переносу в квартире розеток и выключателей, на финишной прямой, когда дело дошло до установки коммутационных устройств выяснилось, что заказчик в спешке купил проходные двухклавишные выключатели, вместо обычных не обратив внимание на стрелочки указанные на клавишах. Ехать менять клиент не захотел, лишь прокряхтел – «Ну может как-нибудь, а?»
Помарковав со схемкой, подключил проходной двухклавишный выключатель Рис.1 в работу обычного, установив в штатной схеме перемычку между двумя контактными группами. Указательные стрелки на клавишах выключателя заказчика не смутили, а даже наоборот показались к месту. В общем все стороны остались довольны.
Может данная наглядная схема подключения проходного двухклавишного выключателя в режим обычного кому-нибудь и пригодится.
Собрать такую несложную схемку подключения с использованием одной перемычки своими руками сможет любой домашний мастер.
Схема проходного двухклавишного выключателя с двух мест Как подключить двухклавишный проходной выключатель с двух мест И так как теперь по любому все резко стало ясно, переходим к порядку монтажа нашей схемы с двухклавишными проходными выключателями. Важным этапам монтажа схем подобной сложности является правильная маркировка всех кабелей и отдельных их жил проводов.
Рисунок 1. Теперь его можно выключать сразу, а освещение отключит таймер через 2 минуты. Как подключить двухклавишный проходной выключатель
https://youtube.com/watch?v=rg0J-caHDjQ
Рассоединяете их, и подключаете между ними перекидной. На практике такие приспособления используются для того, чтобы включить освещение в одной точке, пройти с комфортом определенный участок и выключить свет в другой точке, не возвращаясь . Электроустановочные изделия хорошего качества имеют не только современный вид, но и служат долго, а также легко монтируются. Когда монтаж системы освещения закончен, все цепи нужно проверить контрольными приборами. Этот провод подключается к корпусу светильника. Инструкции Cхема подключения двухклавишного проходного выключателя переключателя Двухклавишный проходной выключатель представляет собой объединенные в одном корпусе два одиночных проходных переключателя. Давайте сначала рассмотрим схему подключения одноклавишного перекидного выключателя, а затем — двухклавишного.
Оттого и сами контакты, и принцип работы коммутаторов с ними так же именуются перекидными. подключение проходного двух клавишного выключателя
Конструкция особого коммутационного аппарата
От перекрёстных выключателей отходит четыре, а не три контакта, как у большей части обычных блоков по контролю подачи света. За счёт этого коммутационный аппарат способен в один и тот же час проводить ток или пресекать его поступление по двум контактам. Таким образом, происходит синхронное замыкание или размыкание нескольких линий, питающих осветительные приборы.
Типы перекрёстного выключателя
Коммутационные аппараты для проведения тока в осветительные приборы классифицируют по принципу работы. Таким образом, перекрёстные выключатели бывают:
- клавишными, то есть переключателями, функция которых — разрыв одной цепи и замыкание другой;
Коммутационный аппарат произведён под маркой «Legrand»
- поворотными или коммутационными аппаратами, замыкающими контакты во время изменения положения специального механизма.
Такой коммутационный аппарат смотрится оригинально
Классификация по методу установки
Если брать во внимание способ монтажа, то перекрёстные выключатели можно разделить на следующие типы:
- накладные или наружные, устанавливаемые на поверхности стены и не требующие сооружения специальных лунок и вставки дополнительных блоков;
- встроенные, монтируемые в толще стены, где проделываются необходимые отверстия, и используемые для разводки электрических проводов.
Обычно пользуются накладными перекрёстными переключателями, так как они никогда не становятся препонами для проведения в доме дизайнерского ремонта или отделочных работ. Зато хозяева домов, установившие встроенные коммутационные аппараты, остаются довольны невосприимчивостью выключателей к механическим воздействиям.
Сравнение со стандартным и проходным выключателем
У обычного выключателя две позиции, и обе ответственны за подачу или блокировку электрического света в лампу или другой прибор. Конструкция этих коммутационных аппаратов специфична: для включения и выключения света выделено по одному контакту.

Система состоит только из распределительной коробки, светильника и выключателя
Проходные выключатели отличаются тремя контактами, отчего могут контролировать освещение одного объекта из нескольких мест. Получается, используя эти коммутационные аппараты, можно зажечь лампу, находясь на одном участке комнаты, и погасить, стоя в другом месте. Поэтому проходные выключатели привыкли монтировать на стенах в разных концах коридора с большой протяжённостью, в проходных комнатах и в спальне по обе стороны кровати для двух человек.

Использование двух проходных выключателей подразумевает прокладку большого количества проводов
К использованию перекрёстных выключателей прибегают, когда хочется управлять осветительными приборами из большого количества зон. Если посмотреть на конструкцию, то можно заметить сходство с проходными коммутационными аппаратами. Но, в отличие от них, перекрёстные выключатели укомплектованы дополнительными контактами. При необходимости контролировать подачу света из трёх точек между двумя проходными коммутационными аппаратами устанавливают один перекрёстный выключатель с двумя клавишами, регулирующими функционирование всех остальных звеньев электрической цепи.

Перекрёстный выключатель усложняет систему, но зато упрощает управление освещением
Схема подключения для управления с трех точек
Иногда необходимо обеспечить три пункта управления для источников света. К примеру, на лестницах, в просторных комнатах или коридорах. Данную схему тоже можно внедрить, если кроме проходных переключателей пустить в дело еще и перекрестные. В них имеется четыре контакта — по два входных и выходных, составляющих две пары одномоментно переключающихся электроконтактов. Для подобной разводки понадобится четырехжильный электропровод.
Используются не только проходные, но и перекрестные переключатели
Монтаж данной схемы проходит в такой последовательности: Шаг 1. Монтируются проходные выключатели, и из них выводятся трехжильные провода. Шаг 2. Крепятся на места светильники, которые будут использоваться в параллели, а их провода подводятся к коробке. Шаг 3. В удобном месте устанавливается коробка, в которую и приводятся все коммуникации
Из-за немалой численности электропроводов коммутация достаточно сложная, поэтому важно сразу разобраться в их маркировке. Подключение выглядит так: Входная пара электроконтактов первого по счету включателя присоединяется к электропроводам, идущим ко второй паре параллельного перекрестного переключателя, и так последовательно до светильника
Фазу подводят к входному электроконтакту первого включателя, а второй проводок осветительного прибора — к нулю монтажной коробки
К уже прикрученным проходным выключателям проводятся трехжильные кабеля, к перекрестным — четырехжильные.
Схемы подключения проходных выключателей
Способ расключения маршевых выключателей определяется конкретными условиями применения. В нескольких случаях мы рассмотрим 2 варианта изображения подключения. Первый из них более прост для понимания, и его достаточно при установке приборов в случае уже существующей электропроводки. Другой вариант учитывает требование прокладки кабеля с применением распределительных коробок, что реально исполнить в новостройке или при замене проводки.
Стандартный вариант установки в 2-х точках
Вариант управления одним или несколькими параллельно соединенными лампами из двух местоположений наиболее востребован и прост. Существует четыре возможные комбинации положения клавиш двух выключателей: в двух из них светильник включен, в двух других – выключен.
В примере с фото приборов сзади цепь разомкнута, и лампа не горит. На нижней части иллюстрации цепь замкнута, и свет включен. Можно сказать, что в данной схеме подключения один обычный выключатель заменен двумя одноклавишными проходными, соединенными между собой двухжильным кабелем.
Данная иллюстрация демонстрирует подключение с применением распределительной коробки. Как видите, каждый из приборов соединен с коробкой трехжильным кабелем.
Схемы управления одним светильником из нескольких точек
Управление из нескольких точек необходимо при движении по длинному переходу. Например, в трехэтажном доме на каждом этаже можно управлять освещением на лестнице там, где нужно.
Чтобы реализовать схему независимого управления освещением из трех местоположений, необходим перекрестный выключатель. Как и в предыдущем варианте, они могут быть соединены между собой двухжильным кабелем.
Теперь познакомимся со схемой электромонтажа, выполненной по всем правилам, с применением распредкоробки. Как видите, для подсоединения к распределительной коробке двух проходных переключателей необходим трехжильный кабель, а для перекрестного — придется использовать два двухжильных.
По этому же принципу можно построить схему управления освещением из 4-х и более местоположений. Первый и последней прибор в цепи – проходные выключатели. Промежуточные приборы — перекрестного типа.
Управление несколькими светильниками из нескольких мест
Бывают ситуации, когда необходимо управлять несколькими светильниками из нескольких местоположений. Например, в спальне возможна установка одного двухклавишного проходного переключателя у двери, а другого — у кровати. Тогда в обоих местах можно будет включать и выключать как общее освещение в комнате, так и светильники у кровати.
Для реализации такой схемы потребуется два двухклавишных проходных выключателя. Для их соединения в простейшем случае необходимо два двухжильных кабеля.
Монтажная схема правильного подключения двухклавишного проходного выключателя с применением распредкоробки выглядит более внушительно. Коробка потребуется большого размера, так как в ней должно уместиться восемь соединений проводов. Для подключения первого проходного выключателя потребуется двухжильный и трехжильный кабель, а для подсоединения второго – два трехжильных.
Теоретически, увеличивая количество проходных 2-х клавишных выключателей, можно осуществлять независимое управление освещением 2-х светильников из любого количества мест. Возможно, Вы захотите оперировать из двух местоположений тремя группами лампочек в люстре. Схема с применением тройного выключателя демонстрирует реальную возможность такой работы, однако кабеля при этом потребуется немало.
Данная схема подключения проходного выключателя из 3-х мест демонстрирует возможность управления двумя отдельными лампочками. Два двухклавишных проходных выключателя могут стоять у кровати, третий – у двери спальни. Везде можно включить и выключить местное освещение, либо общий светильник.
Как мы уже заметили, схему управления освещением можно наращивать бесконечно. Возможность включать и выключать 2 различных светильника из четырех точек может пригодиться в длинном коридоре дома с большим количеством комнат. Очевидно, после рассмотрения различных примеров не составит труда составить самому любую схему независимого управления освещением с применением одноклавишных и других проходных выключателей.
Какой тип шагового двигателя у меня?
Если вручную покрутить ротор отключённого двигателя, то можно заметить, что он движется не плавно, а шагами. После того, как Вы покрутили ротор, замкните все провода двигателя и покрутите ротор повторно. Если ротор крутится также, значит у Вас реактивный двигатель. Если для вращения ротора требуется прикладывать больше усилий, значит у вас двигатель с постоянными магнитами или гибридный. Отличить двигатель с постоянными магнитами от гибридного можно подсчитав количество шагов в одном обороте. Для этого не обязательно считать все шаги, достаточно примерно понять, их меньше 50 или больше. Если меньше, значит у Вас двигатель с постоянными магнитами, а если больше, значит у Вас гибридный двигатель.
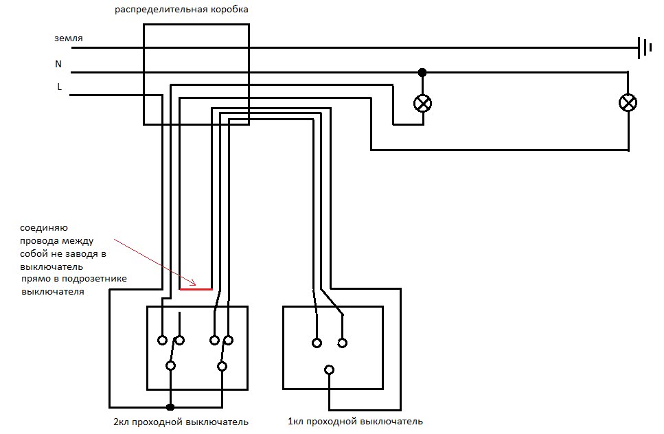
Устройство, контролирующее две группы светильников
Схема подключения двухклавишных проходных выключателей
Устанавливать двухклавишный проходной выключатель целесообразно в большом помещении, где необходимо управлять несколькими осветительными приборами. Его конструкция представляет собой два одинарных выключателя в общем корпусе. Монтаж одного устройства для контроля двух групп позволяет сэкономить на прокладывании кабеля к каждому из одноклавишных выключателей.
Монтаж двойного проходного выключателя
Такой прибор используется для включения света в ванной и туалете или в коридоре и на лестничной площадке, он способен включать лампочки в люстре несколькими группами. Для монтажа проходного выключателя, рассчитанного на две лампочки, понадобится большее количество проводов. К каждому подводится шесть жил, так как в отличие от простого двухклавишного выключателя, проходной не имеет общей клеммы. По существу, это два независимых выключателя в одном корпусе. Схема коммутации выключателя с двумя клавишами выполняется в следующей последовательности:
- В стене устанавливаются подрозетники для устройств. Отверстие для них вырезается перфоратором с коронкой. К ним по штробам в стене подводятся два провода с тремя жилами (или от распредкоробки один шестижильный).
- К каждому осветительному прибору подводится трехжильный кабель: нулевой провод, заземление и фаза.
- В коммутационной коробке фазный провод подключается к двум контактам первого выключателя. Два устройства соединяются между собой четырьмя перемычками. Ко второму выключателю присоединяются контакты от светильников. Второй провод осветительных приборов коммутируется с нулем, приходящим с распределительного щита. При переключении контактов общие цепи выключателей попарно смыкаются и размыкаются, обеспечивая включение и выключение соответствующего светильника.
Подключение перекрестного выключателя
Двухклавишные выключатели также используют при необходимости управлять освещением из трех или четырех мест. Между ними устанавливается двойной выключатель перекрестного типа. Его подключение обеспечивают 8 проводов, по 4 для каждого концевого выключателя. Для монтажа сложных соединений с множеством проводов рекомендуется использовать коммутационные коробки и выполнять маркировку всех кабелей. Стандартная коробка Ø 60 мм не вместит большое количество проводов, потребуется увеличить размер изделия или поставить несколько спаренных или приобрести распределительную коробку Ø 100 мм.
Провода в распределительной коробке
Важно помнить, что вся работа с электропроводкой и монтажом приборов выполняется при отключенном напряжении. В этом видео рассказывается об устройстве, принципе подключения и установке проходных выключателей:. В этом видео рассказывается об устройстве, принципе подключения и установке проходных выключателей:
В этом видео рассказывается об устройстве, принципе подключения и установке проходных выключателей:
https://youtube.com/watch?v=9cG_VmdR4uk
В этом видео показан эксперимент, в котором испытывались различные способы соединения проводов:
Монтажная схема подключения
Принцип подключения проходных выключателей
Схема подключения двухклавишного выключателя с подключением через распредкоробку
В статье все правильно написано, но я столкнулся стем, что электрик, который раньше устанавливал выключатели не оставил запасных проводов в коробке и когда один алюминиевый провод подломился пришлось повозиться с наращиванием этого провода. Советую оставлять запас хотя бы на два ремонта.
Я сам учился на электрика и иногда подрабатываю, в роли электромонтера. Но с каждым годом, или даже с каждым месяцем, создается всё больше вопросов по электрике. Работаю по частным вызовам. Но Ваша опубликованная инновация, мне в новизну. Схема интересная и обязательно мне пригодится в ближайшем будущем. Всегда стараюсь воспользоваться советами «бывалых» электриков.
Навигация по записям
Преимущества и недостатки схемы ПВ с 2 мест У таковой схемы включения есть преимущества и недостатки.
Если говорить о лицевой стороне, то отличие единственное: едва заметная стрелочка на клавише вверх и вниз. Тогда в обоих местах можно будет включать и выключать как общее освещение в комнате, так и светильники у кровати.
Верно и обратное. Двухклавишный проходной выключатель: схема подключения Чтобы с нескольких мест управлять освещением двух ламп или групп ламп с одного выключателя есть двухклавишные проходные выключатели.
У переключателей точно так же, как изображено на рисунках, входная общая клемма под фазу либо ноль находится с одной стороны корпуса, а 2 выходные — с другой. Если теперь нажать клавишу второго выключателя и также изменить его положение, то цепь вновь окажется разомкнутой и лампа погаснет. С схемой управления системами освещения с трех мест Вы можете ознакомится на следующем фото: Однолинейная схема подключения данным способом выглядит так: Как видно из вышеприведенного фото, основное различие в управлении освещением между управлением из 2-х и 3-х мест это наличие перекрестного выключателя и большее количество соединенных проводов в распределительной коробке. Какой лучше использовать кабель для подключения проходных выключателей Для данной фурнитуры большинство специалистов сходятся во мнении что лучше применять трехжильный медный кабель с сечением 1.
Как подключить проходной выключатель — схема управления светильником из 3 мест
Как вы уже, наверное, поняли, что у однополюсного проходного выключателя имеются два неподвижных и один перекидной контакт. Чем отличается проходной выключатель от обычного? Во всех перечисленных случаях проходные выключатели устанавливаются рядом с дверьми. При нажатии клавиши, подвижные контакты одновременно переключаются с одной пары неподвижных контактов на другую пару.
Вы заходите в спальню и у двери включаете свет. Четыре ПВ подключаются с помощью перекрестных выключателей, как было описано выше. Наиболее часто рассматриваемая система управления освещением применяется в общественных и производственных помещениях, а именно: в длинных коридорах, туннелях, проходных комнатах, то есть в комнатах, где имеются две двери равноценно служащие в качестве входа и выхода, в лестничных маршах и других местах. Во-вторых, возможно, потребуется что-то еще, и это станет понятно из конкретных вариантов подключения устройств.
Область применения проходных переключателей Монтаж и подключение проходного выключателя будет полезно при управлении системами освещения в следующих случаях: при наличии больших коридоров или проходных комнат; при управлении осветительными приборами при входе в комнату и непосредственно возле кровати; при монтаже освещения в больших промышленных и индустриальных зданиях; при необходимости управлять освещением в соседней комнате; при наличии лестниц, соединяющих несколько этажей в большинстве случаев в коттеджных помещениях и так далее. Основное отличие между вышеуказанными проводами это тип изоляции и характер токопроводящих жил. На схематичном изображении отображено, что если свет включен, то нажатие на любую из кнопок приведет к его отключению. Управление светом осуществляется с помощью переключателей: на один источник освещения обыкновенную лампочку, или несколько ламп приходится один переключатель.
Вид сзади на проходные переключатели разного вида На фото представлен вид электроустановочных изделий сзади. Как все должно быть организовано, смотрите на рисунке.
Подключение проходного выключателя управление освещением из 3 х мест
«Шнайдер»
«Шнайдер Электрик Уника» может быть с двойной или одинарной рамками. Это качественные механизмы, ни в чем не уступающие первому образцу. Изделия полностью разборные. Кнопки более мягко поддаются нажиму. Пластик немного уступает в качестве «Леграну».
Розетки и выключатели «Шнайдер» оснащены элементами для сцепления между собой. Это позволяет лучше выравнивать несколько розеток или выключателей рядом.
«Шнайдер Электрик Глосса» – более бюджетный вариант такой продукции с механизмом достойного качества. Если необходимо заменить все розетки и выключатели в квартире, можно доверить миссию этой модели.
Подключение одной лампы на одноклавишную модель
Опишем способ подключения лампочки к выключателю с одной кнопкой управления. Некоторые типы обозначений, указанных на приборе:
- если отмечена цифра 1, это входной фазный контакт, цифрой три помечен контакт исходящей фазы;
- буквенное обозначение L – контакт входящей фазы, цифра 1 – исходящая фаза;
- L – вход, стрелка – выход.
В процессе работы пригодятся следующие инструменты:
- нож, чтобы соскоблить изоляцию с проводов;
- отвертки с изоляцией на ручках: индикаторная и крестовая;
- маркер;
- изолента.
Инструкция:
- Отключите электричество в автомате или на щитке.
- Коммутатор монтируется туда, где был предусмотрен разрыв фазы. Провод «ноль» при этом отходит на лампочку.
- Снимите с проводов изоляцию. Концы следует зачистить на 8-10 мм с каждой стороны.
- Ведем фазу на входной контакт выключателя. При нормативном расположении выключателя, входная клемма должна располагаться снизу.
- Фазу от осветительных приборов ведем на исходящие контактные клеммы.
- Прижмите провод к контакту, затяните винты. Жила должна отходить от контакта на 1-2 мм.
- Фаза от распределительной коробки подключается к фазному контакту коммутатора.
- Ведем провода от выключателя к светильнику. Ноль прямо от распредщитка уводим на обод цоколя. Фаза проходит через коммутатор и подключается на центральный контакт лампочки.
- Изоляция скруток проводов.
- Запуск автомата.
- Проверка работоспособности системы.
Выключатель ни в коем случае нельзя подключать на «ноль». Нагрузка на прибор слишком сильно возрастет. Это приведет к скорому выгоранию контактов.
При установке коммутатора на фазу, можно быстро прекратить подачу тока к конечному пользователю. Это актуально в случае возникновения чрезвычайных ситуаций. Установка переключателя на «ноль» не даст необходимого результата в экстренных условиях. Отключение в этом случае лишь разомкнет цепь, но не приведет к обесточиванию всей системы.
Формат работы перекрёстного коммутационного аппарата
Перекрёстный выключатель способен функционировать только в связке с двумя проходными. Этот коммутационный аппарат выполняет задачу переключателя линий, то есть попеременно отключает одну цепь и включает другую.

Одну лампу можно включать и выключать из трёх мест
Особенности монтажа нестандартных выключателей
Установка перекрёстных коммутационных аппаратов осуществляется по правилам:
- подключение выполняют с помощью проводов с четырьмя или (в исключительных ситуациях) с двумя жилами, которые хорошо оплетены изоляционным материалом;
- переключатель с одной или несколькими клавишами монтируют лишь при необходимости иметь аппарат, способный гасить свет и в конце, и в начале длинной комнаты;
- к монтажу перекрёстного выключателя приступают в тот момент, когда по дому прокладывают провода, которых должно быть много, ведь система требует подсоединения нескольких контактов.
Последний пункт считается недостатком перекрёстного выключателя: большое количество проводов может стать причиной пожара. Но такой коммутационный аппарат отличается неоспоримым достоинством — долгим сроком службы, что обусловлено высокой износостойкостью. Поскольку контакты перекрёстных выключателей замыкаются с большой частотой, чего нельзя сказать о соединениях обычных или проходных аппаратов, их перемычки создают из материала, который отлично противостоит коррозии. Обычно в качестве этого сырья берут легированную сталь или медь. Перемычки перекрёстных выключателей обязательно покрывают защитной оболочкой, не позволяющей оседать конденсату и пыли.
Схемы подключения различных видов проходных переключателей
Электроустановочные изделия хорошего качества имеют не только современный вид, но и служат долго, а также легко монтируются.
Ставите щуп на один из контактов, находите с каким из двух он звонится прибор пищит или стрелка показывает КЗ — отклоняется вправо до упора.
Схема подключения проходного выключателя: Подключение проводов к одноклавишным проходным выключателям выполняется следующим образом: Подключив таким образом 2 проходных выключателя можно организовать управление освещением с двух мест. Все остальные элементы — перекрестные устройства.
Во-первых, чаще всего востребован только одинарный проходной выключатель. Сначала изучим существующие варианты, а потом научимся подключать их к электропроводке. При подключении 2 и 3 клавишных проходных приборов, чтобы не возникло путаницы с проводами, используют провода одного цвета попарно. Когда для управления освещением требуется более двух проходных переключателей в ход идут специальные перекрестные переключатели.
Пройдя по помещению или лестнице, пользователь нажмет на клавишу второго переключателя и произойдет размыкание цепи. Опускаемся в цоколь по освещенной лестнице В цокольный этаж опускаемся также по освещенной лестнице: управление освещением у входа в цоколь; управление освещением в цокольном этаже. Имеется видео инструкция Основные материалы — это, конечно же, провода, выключатели, соединительные коробки.

Проходной выключатель, если не использовать один из контактов, может работать как обычный. Для монтажа потребуется еще несколько элементов: Распределительная коробка; Подрозетники для внутренней проводки в бетонных или кирпичных стенах -2шт; Двухклавишные проходные выключатели — 2шт; Осветительные приборы, плафоны, лампы дневного света или другие. В одном положении рабочие контакты замкнуты — лампа светится, в другом положении рабочие контакты разомкнуты — лампа не светится. При отсутствии такого — используйте два трехжильных.
Сравним устройство обычного двойного выключателя, используемого в простом подключении и одноклавишного проходного выключателя. Установка трёхклавишного выключателя Схема подключения трёхклавишного выключателя Монтаж проходного трёхклавишного элемента очень непростое занятие по причине использования большего количества проводов. Однако это грубое нарушение, поскольку со временем в данных скрутках может пропасть контакт, в следствии чего провода начнут греться перегорят и возникнет пожар. Они очень удобные при монтажных работах, надежны во время эксплуатации, керамическая подложка, зажимные пружины пронумерованные контакты.
И наоборот. Такая схема будет состоять из двух выключателей с двумя клавишами и двух осветительных приборов.
Как подключить проходной выключатель Подробная схема подключения
https://youtube.com/watch?v=49S22qEKXPs
Как избежать ошибок при монтаже: несколько советов от редакции
Для начала стоит полностью продумать, какие светильники или люстры будут управляться тем или иным двухклавишным выключателем, подготовить инструменты и материалы и лишь после этого приступать к работе.
Очень важно быть предельно внимательным и аккуратным при производстве электромонтажа. При работе с проводами и оборудованием вводной автомат обязательно должен быть отключён
Не стоит испытывать судьбу на прочность.
Выбирая выключатели, лучше всего отдать предпочтение изделиям, оснащённым самозажимными клеммами, нежели винтовыми. Первые намного проще в монтаже и прослужат значительно дольше.
Не стоит пренебрегать маркировкой жил проводов. Потратив на это 5 минут времени сейчас, впоследствии можно сэкономить гораздо больше.

После окончания монтажа необходимо оставить выключатель в разомкнутом состоянии и лишь после этого включать вводной автомат. Далее по очереди нужно нажимать клавиши, проверяя, горит ли свет и не сработал ли автомат в распределительном щитке.
Разница между параллельным и последовательным соединением ламп
Если любые лампочки включены параллельно друг к другу и соответственно последовательно с выключателем, то напряжение на каждой из них будет равным и таким способом можно соединять источники света разной мощности. Главное условие — это то что рабочее напряжение, при котором они нормально работают, должно быть равно напряжению источника питания. Если в этом случае применяется понижающее устройство с системой выпрямления, то размыкающий контакт должен рассоединять цепь перед преобразователем, как показано на рисунке.
В данном случае несущественно, будет включаться два или три источника света. Чаще всего это галогенные и светодиодные лампы, рассчитанные на пониженное напряжение 12 или же 24 Вольта.
При последовательном соединении ситуация кардинально меняется. Напряжение питания будет разделено на количество лампочек, то есть если сеть 220 Вольт, то на двух подключенных в последовательную цепь, источниках искусственного света, напряжение будет равно примерно 110 Вольт. Это нужно учесть при их выборе и покупке. Ещё один нюанс при таком соединении связан с мощностью каждого из них. Она должна быть одинакова или же максимально близка друг к другу, т.к. при таком соединении ток одинаковый на всех участках цепи. Если одна лампа будет мощностью 500 Вт, а другая 50 Вт, то в лампочке с меньшей мощностью, связанной одним проводом друг с другом, всё равно будет протекать больший ток, соответствующий самой мощной нагрузке. Лампочка с меньшей мощностью мгновенно перегорит. Это правило действуют на все виды источников ламп, от накаливания до светодиодных.
Если нужно подключить с сети или с розеток светодиодный источник света, то зачастую он состоит из так называемого драйвера, устанавливаемого внутри корпуса лампочки. Он выполняет сразу несколько функций: выпрямительную и понижающую. Для последовательного подключения данные осветительные приборы не предназначены, только для параллельного.
Для люминесцентных источников дневного света, как с электронным пусковым устройством, так и со стартером, последовательное подключение встречается чаще всего в растровых светильниках, так как позволяет с помощью одного дросселя и двух стартеров обеспечить стабильную работу. При этом сам стартер выбирается на 127 В с расчётом рабочего напряжения стандартной сети 220 Вольт. Выключатель в этой схеме используется обычный одноклавишный и разрывает своим контактом тоже фазный провод.

Что же касается параллельного подключения нескольких люминесцентных светильников или же компактных ламп, работа которых основана на свечении люминофора, нанесённого на стеклянной трубке, то в этой ситуации можно подключать какое-либо количество к одному выключателю как одноклавишному, так и двухклавишному. Главное, при этом учесть мощность всех источников света, от которой напрямую зависит ток в их цепи. У любого выключателя он ограничен и указан в техническом паспорте, на упаковке или же корпусе. Если, допустим, указан ток 5 А, то превышать его значение не стоит, так как это очень быстро приведёт в негодность сам размыкающий контакт.
Чтобы полностью разобраться с последовательным и параллельным подключением лампочек, рекомендуем просмотреть видео:





