Оглавление
Выбор места установки
Устанавливают насосные станции возле источника воды — скважины или колодца — в специально оборудованном приямке — кессоне. Второй вариант — в подсобном помещении в доме. Третий — на полке в колодце (со скважиной такой номер не пройдет), и четвертый — в подполе.
Так выглядет насосная станция
Как определить глубину всасывания
При выборе места в первую очередь руководствуются техническими характеристиками — максимальной глубиной всасывания насоса (откуда сможет поднять насос воду). Все дело в том, что максимальная глубина подъема насосных станций — 8-9 метров.
Скважины часто имеют большую глубину чем 8-9 метров. В этом случае придется использовать другое оборудование — погружной насос или насосную станцию с эжектором. В этом случае вода может подаваться с 20-30 метров, чего обычно достаточно. Минус этого решения — дорогостоящее оборудование.
Глубина всасывания — характеристика, определяющая способ установки
Если вам не хватает всего метра до того, чтобы можно было поставить обычное оборудование, можно поставить станцию в колодце или над скважиной. В колодце на стенке крепят полочку, в случае со скважиной углубляют приямок.
При расчетах не забывайте, что уровень зеркала воды «плавает» — летом он обычно понижается. Если глубина всасывания у вас на грани, в этот период воды может просто не быть. Позже, когда уровень поднимется, водоснабжение возобновится.
Соображения безопасности
Еще один момент, который надо учитывать — сохранность оборудования. Если установка насосной станции предполагается возле дома с постоянным проживанием, проблем меньше — выбирать можно любой вариант, даже в небольшом сарайчике. Только одно условие — он не должен промерзать зимой.
Установка насосной станции в котельной
Если же это дача, на которой постоянно не живут, дело сложнее — надо устраивать такое помещение, которое в глаза не бросается. Наиболее безопасный способ установки насосной станции — в доме. Хотя унести ее могут и в этом случае.
Второе место, где можно установить насосную станцию — заглубленный замаскированный кессон.
Схема установки насосной станции в колодце
Третье — на полке в колодце. Только в этом случае традиционный домик для колодца делать не стоит. Нужна стальная крышка, которая запирается на надежный замок (к кольце приварить петли, в крышке сделать прорези, на которые вешать запоры). Хотя, под домиком тоже может скрываться хорошая крышка. Только конструкцию надо продумать так, чтобы она не мешала.
Удобство и условия эксплуатации
Установка насосной станции в доме хороша всем, кроме того, что оборудование при работе шумит. Если есть отдельное помещение с хорошей звукоизоляцией и по техническим характеристикам это возможно — никаких проблем. Часто делают подобное помещение в подвале или в цокольном этаже. Если подвала нет, можно сделать короб в подполе. Доступ к нему — через люк. Этот короб кроме звукоизоляции должен иметь и хорошую теплоизоляцию — диапазон рабочих температур начинается от +5 °C.
Для снижения уровня шумов станцию можно ставить на толстую резину — для гашения вибрации (создается вентилятором охлаждения). В этом случае возможно даже установка в доме, но звук, безусловно все равно будет.
Кессон из бетонных колец
Если вы остановились на монтаже насосной станции в кессоне, он тоже должен быть утепленный, а еще водонепроницаемый. Обычно для этих целей используют готовые железобетонные емкости, но можно сделать кессон из бетонных колец (по типу колодца). Вниз установить кольцо с дном, сверху — кольцо с крышкой. Еще вариант — сложить из кирпича, пол залить бетоном. Но этот способ подходит для сухих участков — уровень подземных вод должен быть ниже на метр ниже глубины кессона.
Глубина кессона такая, чтобы оборудование было установлено ниже уровня промерзания. Утеплитель пенополистирол. Лучше — экструдированный. Тогда одновременно получаете еще и гидроизоляцию.
Для кессона из бетонных колец удобно использовать скорлупу (если найдете подходящий диаметр). Но можно и плитный пенополистирол, нарезать полосами и его клеить. Для прямоугольных приямков и сооружений подойдут плиты, которые можно клеить на стены при помощи битумной мастики. Промазываете стену, прикладываете утеплитель, можно дополнительно зафиксировать парой гвоздей/дюбелей.
Управляющая автоматика

Главное отличие насосных станций от насосов заключается в наличии у них оборудования, позволяющего работать без постоянного контроля со стороны человека.
Под управляющей автоматикой в первую очередь подразумевается реле давления. Данный блок автоматизирует работу насоса, включая и выключая его при определенных предельных значениях давления в системе.
Большинство насосных станций оснащаются механическими (пружинными) реле давления. Это небольшое по габаритам устройство, внутри которого располагаются все необходимые рабочие элементы.
Две разноразмерные пружины с регулировочными гайками, электрические контакты, мембрана и пластина, изменяющая свое положение в зависимости от величины давления на нее со стороны мембраны.
Под действием давления воды, поступающей в гидроаккумулятор, мембрана деформируется и смещает пластину, которая, в свою очередь, начинает воздействовать на большую пружину.
Сжатие пружины приводит к размыканию контакта, подающего напряжение на электродвигатель насоса. При понижении давления в результате расхода воды потребителем пластина возвращается в исходное положение, контакты замыкаются, и насос снова начинает работать.
Большая пружина создает противодействие давлению воды на мембрану и пластину, маленькая задает разницу между нижним и верхним порогом давления.
Верхнее и нижнее предельные значения давления выставляются на заводе-производителе, однако при необходимости вы можете вручную перенастроить как верхний, так и нижний порог. Сила сжатия пружин изменяется посредством соответствующих регулировочных гаек.
Функционал электронного реле, конечно, богаче, чем у механического. Некоторые модели, например, оснащены таймером часовых включений, ограничивающих количество запусков насоса в единицу времени.
Как правило, электронные модели реле снабжены индикаторами и панелью управления, с помощью которой осуществляется регулировка параметров.
Какие существуют виды оборудования
Для подачи воды с глубины до 9 метров и обеспечения ее автоматической подачи в частный дом используются:
Насосные станции с гидроаккумулятором или накопителем. Такое устройство в своем составе имеет:
- поверхностный насос;
- гидроаккумулятор с различной емкостью.
При открывании крана вода начинает подаваться из гидробака, куда ранее была жидкость закачана с помощью насоса под определенным регулируемым давлением. Поверхностный насос включается после использования определенного лимита воды в гидроаккумуляторе.
Преимуществом такой конструкции является:
- всегда имеется в баке определенный запас воды, зависящий от объема емкости, которую можно использовать даже при отсутствии электричества.
- благодаря запасу жидкости уменьшается количество включений-выключений агрегата, например, когда необходимо набрать небольшой объем воды в чайник или что-то помыть.
К недостатком насосной станции такой конструкции относятся:
- возможно незначительное падение давления при подаче воды из гидробака до следующего включения в системе насоса, если идет расход горячей воды, при наличии автономного отопления, котел в этом случае может включаться и отключаться;
- увеличивается число включений-отключений насоса при одноразовом продолжительном потреблении воды: когда необходимо заполнить бассейн или полить сад.
Эти устройства для дома внешне похожи на обычные поверхностные насосы, разница лишь в том, что включаются и отключаются агрегаты автоматически соответственно при открывании или закрывании крана.
Они, чаще всего, имеют:
- защиту от «сухого хода»;
- встроенный фильтр;
- габаритны меньше, чем у насосной станции.
Рассчитан автоматический насос на работу, когда требуются частые включения-отключения. К тому же такое устройство способно поддерживать более стабильное давление в системе водопровода для дома, чем другое оборудование.
По типу основного насоса станции могут быть:
- С эжектором. В этом случае за счет разряжения такие насосы поднимают воду из глубоких, до 45 метров глубиной, колодцев и скважин. У них большая производительность, но при работе издают много шума, что требует их установки за пределами жилых помещений. Применяют подобное оборудование чаще всего для садово-огородных нужд.
- Без эжектора. Насосы у которых выносной эжектор могут поднимать воду с источника глубиной до 34 метров. В этом случае сам эжектор и две трубы опускаются в колодец или скважину.
Одной трубой вода подается вниз в эжектор и создает всасывающую струю. К недостаткам устройств относится чувствительность к наличию в жидкости воздуха и песка, и небольшой КПД. Но агрегат можно размещать в доме, даже при расположении колодца на расстоянии до 40 метров от дома.
При отсутствии эжектора, всасывание воды происходит по другой схеме и обеспечивается устройством специальной многоступенчатой конструкцией гидравлической части. Они практически бесшумны, потребляют меньше энергии при аналогичных параметрах напора и производительности.
Нередко встречаются насосные станции, в составе которых одно-, двух- и даже многоступенчатые центробежные или вихревые насосы. У них малая производительность по дебиту, но они могут создать серьезный напор жидкости в системе, что способствует использование устройств для повышения давления в водопроводе жилого дома.
Их размеры небольшие, производят во время работы мало шума, не боятся образования пузырьков воздуха в трубах.
Существенным недостатком таких устройств служит опасность выхода из строя при попадании в систему песка. Цена таких агрегатов выше, чем у предыдущих моделей.
Чем руководствоваться при выборе водяной насосной станции
Первое на что необходимо обращать внимание при покупке станции – это мощность насоса. От этого показателя зависит напор воды в системе и ее расход
Параметр подачи воды должен быть приближен к максимальному объему потребления всеми точками водоразбора. Как правило, этот показатель усреднен довольно грубо и все модели адаптированы к номинальному расходу 1,5-9 м3/ч.
Водяная насосная станция
Показатель напора также выносится в таблицу характеристик станции отдельно. В паспорте он указан как расстояние, на которое насос подает воду. Но по факту этот параметр означает давление, которое способна создать станция. Так, указанный напор в 40 м, показывает, что насос создаст давление в 4 атмосферы в идеальных условиях. Поскольку при работе возникают некоторые потери давления на разводку трубопровода, а также подъем воды на определенную высоту, этот показатель будет значительно ниже.
Важно! Не всегда мощное устройство оправдывает вложенные в него средства. Как правило, производительность такой системы будет превышать наполнение скважины
Для того чтобы избежать этого, необходимо учитывать и параметры колодца. Чем меньше расстояние до источника забора воды и выше уровень залегания водного ресурса, тем меньше должна быть мощность у приобретенного аппарата.
Также при выборе водяной насосной станции необходимо учесть автономность работы агрегата. Это понадобится пользователям, обитающим в местности с проблемами в подаче электроэнергии. Для обеспечения бесперебойной работы насоса можно дополнительно установить на участке генератор, либо солнечный аккумулятор.
Гидропневматический бак
Оснащение водопроводных насосных станций аккумуляционным баком позволит сделать систему автономной при резком понижении уровня воды в источнике. Это достигается за счет накапливания номинального количества водного ресурса, указанного в документах, сопровождающих изделие. Кроме того, он выполняет роль регулятора давления в системе водопровода.
Гидроаккумуляторы
Объем расширительной емкости напрямую зависит от потребления ресурса. Следовательно, чем больше количество одновременно активных точек водоразбора, тем больше необходимый объем бака. Наиболее распространенные модели станций оснащены гидропневматическими бачками до 50 л. Максимальный объем – 100 л.
Виды труб для насосной станции
Определившись с выбором типа насосной станции, возникает необходимость правильно подобрать трубы, подходящие для нее. Чаще всего используют резиновые шланги, т.к они легко устанавливаются, эксплуатируются и обслуживаются (легко достать из скважины или колодца). Кроме того, стоимость резинового шланга не очень высока в сравнении с другими трубами.
Выбирая шланг, руководствуются двумя критериями:
- Допустимое давление;
- Материал.
Устройство для насосной станции принято называть шлангом высокого давления. Как правило, такие шланги оснащены армирующей оплеткой из капроновой нити и имеют большую толщину, чем у обычного водяного для полива.
Для насосной станции используют как металлические, так и пластиковые трубы
Кроме шлангов используют и пластиковые или металлопластиковые трубы. При применении поверхностного насоса, в скважину устанавливают пластиковую водопроводную трубу. Для погружного насоса, разумнее установить металлопластик на фитингах, с помощью которого труба будет состоять из сегментов по 1-2 м. Благодаря такой конструкции, насос можно достать из источника, демонтируя сегменты по очереди.
Принцип работы
Под «насосной станцией» понимается комплекс оборудования, предназначенный для водоснабжения загородного дома полностью в автоматическом режиме. Результат работы такой системы – это постоянное давление во внутридомовом водопроводе. Даже в самом дальнем кране напор остается стабильным всегда. При этом вода закачиваться в трубы может из колодца, скважины или любого иного источника.

Общая схема водоснабжения
Включает в себя насосная станция:

Устройство гидроаккумулятора
Насос выкачивает воду из источника, а накопитель (либо гидроаккумулятор) аккумулирует ее в себе. Все остальное оборудование служит для управления системой и контроля состояния элементов. Последняя должна работать автоматически, без непосредственного участия хозяина дома. Это как свайно-винтовой фундамент – правильно произвел монтаж и забыл о нем. Он будет стоять, держа на себе коттедж, минимум полвека.
Подключение насосной станции
Выбрать оборудование и место для установки — это пол дела. Еще надо правильно все связать в систему — источник воды, станцию и потребителей. Точная схема подключения насосной станции зависит от выбранного места. Но в любом случае есть:
- Всасывающий трубопровод, который опускается в скважину или колодец. Он идет до насосной станции.
- Сама станция.
- Трубопровод, идущий к потребителям.
Все это так, только схемы обвязки в зависимости от обстоятельств будут меняться. Рассмотрим наиболее распространенные случаи.
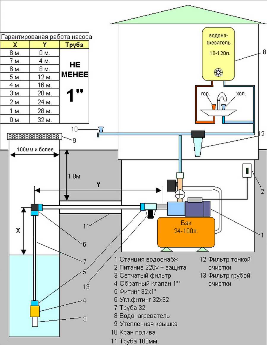
Водоснабжение из колодца для постоянного проживания
Если станция ставится в доме или в кессоне где-то на пути к дому, схема подключения одинакова. На подающем трубопроводе, опущенном в колодец или скважину устанавливается фильтр (чаще всего — обычный сетчатый), после него ставится обратный клапан, затем уже идет труба. Зачем фильтр — понятно — для защиты от механических примесей. Обратный клапан нужен для того, чтобы при отключении насоса вода под собственным весом не стекала обратно. Тогда насос будет включаться реже (дольше прослужит).
Схема установки насосной станции в доме
Труба выводится через стену колодца на глубине чуть ниже уровня промерзания грунта. Далее идет в траншее на той же глубине. При прокладке траншеи ее надо делать прямой — чем меньше поворотов, тем меньше падение давления, а значит, с большей глубины можно качать воду.
Для уверенности, можно трубопровод утеплить (сверху уложить листы пенополистирола, а потом засыпать песком, а после — грунтом).
Вариант прохода не через фундамент — необходим обогрев и серьезное утепление
При входе в дом подающая труба проходит через фундамент (место прохода тоже утеплить), в доме уже может подниматься к месту установки насосной станции.
Этот способ установки насосной станции хорош тем, что если все сделано верно, работает система без проблем. Неудобство в том, что требуется копать траншеи, а также выводить/вводить трубопровод через стенки а также в том, что при появлении течи локализовать повреждение сложно. Для минимизации шансов появления течи берите проверенные качественные трубы, укладывайте целый кусок без соединений. Если соединение есть, сделать желательно смотровой колодец.
Детальная схема обвязки насосной станции при подключении к колодцу или скважине
Также есть способ уменьшения объема земляных работ: проложить трубопровод выше, но хорошо его утеплить и дополнительно использовать греющий кабель. Это может быть единственным выходом, если на участке высокий уровень подземных вод.
Есть еще один важный момент — крышка колодца должна быть утеплена, так же как и кольца снаружи до глубины промерзания. Просто участок трубопровода от зеркала воды до вывода в стену не должен замерзать. Для этого и требуются меры по утеплению.
Подключение насосной станции к водопроводу
Часто насосную станцию ставят для повышения давления в водопроводе при централизованном водоснабжении. В этом случае на вход станции подключается водопроводная труба (тоже через фильтр и обратный клапан), а выход идет на потребителей.
Схема подключения насосной станции к водопроводу
На входе желательно поставить запорный кран (шаровый) чтобы при необходимости можно было отключить вашу систему (для ремонта, например). Второй запорный кран — перед насосной станцией — нужен для ремонта трубопровода или самого оборудования. Тогда на выходе тоже имеет смысл поставить шаровый кран — чтобы при необходимости отсечь потребителей и не сливать воду из труб.
Подключение к скважине
Если глубины всасывания насосной станции для скважины достаточно, подключение ничем не отличается. Разве только тем, что трубопровод выходит в том месте, где заканчивается обсадная труба. Тут обычно устраивают приямок-кессон, тут же можно и насосную станцию поставить.
Установка насосной станции: схема подключения к скважине
Как и во всех предыдущих схемах на конце трубы устанавливается фильтр и обратный клапан. На входе можно через тройник поставить заливной кран. Он понадобится при первом пуске.
Основное отличие такого способа установки в том, что трубопровод до дома идет фактически по поверхности или закопан на небольшую глубину (не у всех сделан приямок ниже глубины промерзания). Если насосная станция установлена на даче ничего страшного, на зиму оборудование обычно убирают. Но если водопровод планируется использовать и зимой, его надо подогревать (греющим кабелем) и утеплять. Иначе работать не будет.
https://youtube.com/watch?v=_d3RXbFArls
Критерии выбора оборудования

Заводские насосные станции комплектуются насосом поверхностного типа. Существуют насосные системы, которые подразумевают применение насосов погружного типа. В их случае аккумулирующая емкость может быть меньших размеров, так как погружные насосы создают большее давление в системе и реже включаются. Для их защиты нет необходимости устанавливать аккумулирующую емкость большого объема.
Разберем устройство и принцип работы насосной станции. Поверхностные насосы бывают с разными инжекторами:
- Внутренний инжектор позволяет работать с глубиной до 8 метров, однако на выходе такие конструкции способны создать давление до 6 бар. Они не боятся воздушных пробок и прокачивают их вместе с водой. Их недостатком считается высокая шумность рабочего процесса, что делает необходимым обустраивать звукоизолирующий короб.
- Внешний инжектор работает с глубиной до 50 метров. Такие изделия отличаются экономичностью, но выдают КПД до 40%. Они работают гораздо тише, однако давление на выходе оставляет желать лучшего.
Каждый домовладелец самостоятельно выбирает тип насоса в зависимости от своих потребностей и желаемых характеристик. Разнообразие предлагаемых насосных станций располагает к большому выбору. Здесь можно найти любой вариант, соответствующий особенностям собственного водопровода.
Классификация канализационных станций
Размеры бытовых канализационных насосных станций могут быть самыми различными. Они могут умещаться непосредственно за унитазом и сразу из него перекачивать стоки в необходимом направлении, а могут иметь вид вкопанных в землю горизонтальных цистерн объемом в десятки кубометров.
Но не только размерами отличаются КНС. Ниже приведены классификации насосных станций для канализации по различным параметрам.
По типу установки:
- Вертикальные.
- Горизонтальные.
- С самовсасывающими насосами.
Последний тип КНС предполагает принудительное закачивание сточных вод в корпус станции, и их удаление из него после очистки.
По типу расположения относительно земли:
- Заглубленные.
- Наземные.
- Частично заглубленные.
Резервуар КНС с датчиками, канализационными насосами и запорной арматурой может находиться в земле, а система автоматического управления – на поверхности.
По схеме управления оборудованием:
- С ручным управлением. Включение и выключение модулей оборудования происходит по мере необходимости обслуживающим персоналом, который самостоятельно проверяет наполняемость канализационного резервуара.
- Дистанционные. Используется система мониторинга состояния резервуара, данные которого выводятся на удаленный управляющий пульт.
- Автоматические. Управление производится автоматически с помощью датчиков и реле, расположенных непосредственно в корпусе насосной станции или рядом с ней.
КНС с ручным управлением являются самыми дешевыми, но требуют личного участия человека. Они используются в основном в загородных дачных домиках и коттеджах с небольшим количеством расхода воды.
По характеру канализационных стоков:
- Для хозяйственно-бытовых стоков. Рассчитаны на эксплуатацию в стандартных условиях.
- Для промышленных целей. Изготавливаются из материалов с повышенной устойчивостью к химически агрессивным средам и термическому воздействию.
- Для ливневых сетей. Оборудуются дополнительными системами очистки.
- Для осадочных сточных вод. Используются чаще всего в промышленных очистных сооружениях. Оснащаются дополнительными устройствами для обработки осадочных отложений.
При выборе модели КНС лучше ориентироваться не на классификацию, а на рекомендации специалистов, которые подберут оптимальную систему для конкретного дома.
Правила выбора оборудования
Далее будут проанализированы критерии, учитывая которые необходимо выбирать канализационное насосное оборудование для частного использования. Разбор промышленных установок не входит в рамки данного обзора.
Целью при покупке КНС является приобретение оптимального по мощности и другим характеристикам оборудования. Нет смысла переплачивать за системы, которые будут работать на 10-20% проектной мощности.
При выборе КНС учитывают такие параметры:
- Максимальный поток перерабатываемых стоков.
- Транспортировочное расстояние.
- Перепад геодезических уровней между впускной трубой и выходом напорного шланга.
- Степень загрязненности, фракционный состав и структура хозяйственно-бытовых стоков. Существуют КНС, которые измельчают крупные фракции включений, предупреждая засоры в насосном оборудовании.
- Уровень требуемой очистки стоков.
- Габариты оборудования.
Единой формулы для расчета производительности насосного оборудования нет, поэтому алгоритм расчета и необходимые показатели должны быть указаны в инструкции к приобретаемой КНС.
Типовой проект расчета производительности насосного оборудования включает такие этапы:
- Определение суточного потребления воды и объема стоков.
- Построение ориентировочного графика поступления канализационных сточных вод в течение суток.
- Расчет минимального и максимального канализационного потока.
- Определение требуемой производительности КНС, учитывая загрязненность стоков.
После определения вышеприведенных параметров можно начинать заниматься выбором подходящего оборудования.
На цену КНС влияет брэнд производителя, ремонтопригодность изделия, возможность сервисного обслуживания. Особенно не рекомендуется приобретать дешевые насосы, если предполагается их ежедневное использование, и при этом отсутствуют резервные емкости или дополнительный насос для отведения стоков.





