Оглавление
Электрощитки для квартир: виды, схема и установка
Основная задача, которую выполняет квартирный электрощит – это учет и распределение электроэнергии между потребителями в квартире. Кроме этого, он должен соответствовать всем нормам электробезопасности.

Электрощит состоит из корпуса, сделанного из металла или специального пластика. В этом корпусе монтируется электрическая аппаратура и клеммные колодки для разводки электрических проводов.
Пластмассовые корпуса делают со специального пластика, способного выдерживать значительные термические нагрузки. Они имеют красивый внешний вид. Легко могут вписаться в любой интерьер.
Металлические корпуса делают методом сварки. Затем их покрывают краской. Краска будет служить в качестве диэлектрика. Пластмассовые и металлические шкафчики выпускаются в различных модификациях. Поэтому, всегда можно подобрать подходящий вариант.
Электрощитки служат для приема и распределения электрической энергии между потребителями в квартире. Обычно, в них устанавливаются приборы учета электрической энергии. Также, в них заложены дополнительные функции, связанные с защитой от коротких замыканий, различных перегрузок, перепадов напряжения.
Кроме материала изготовления – металлические или пластмассовые, электрощиты можно разделить на два больших вида по способу исполнения: накладные и встраиваемые.
Накладные

К преимуществам накладных щитов можно отнести то, что они устанавливаются непосредственно на стену, крепятся к ней с использованием дюбелей, шурупов, или других креплений.
Часто, выбор крепежа обусловлен материалом стены.
Установка такого электрощита имеет много преимуществ:
- Для него не потребуется делать нишу в стене. Это позволит сэкономить на работе, связанной с шумом и грязью.
- Такой электрощит подойдет для монтажа скрытых и открытых проводок.
- При необходимости, его легко заменить электрощитом большего размера, где будут установлены дополнительные модули.
К недостаткам в основном относят тот объем пространства, которое он занимает. Накладные щиты выступают на десять, и более сантиметров от стены.
Встраиваемые
Такие электощитки изготовляются для установки в специально сделанную нишу внутри стены. Обычно, крепятся они в нише раствором гипса. Используются для скрытой проводки.
Если ниша для установки не была сделана на этапе строительства стены, то процесс её выбивания принесет много шума и грязи. Встраиваемые электрощиты могут быть в металлическом и пластмассовом исполнении.
Как правильно собрать силовой электрощит
Перед началом работы требуется подготовить запасное освещение для рабочей зоны. Кроме того, понадобится стол, на котором будут лежать комплектующие и инструменты. Схему сборки и монтажа электрощита нужно повесить так, чтобы она была хорошо видна. После этого следует обесточить вводной кабель. Работа производится в несколько этапов:
-
Сборка и предварительная установка ящика. Корпус требуется сначала подготовить:
- удалить заглушки, расположенные на стенах ящика;
- привинтить DIN-рейки;
- смонтировать на стенках шины заземления и нейтрали;
- снять дверцу;
- подсоединить монтажные кронштейны.
После этого встроенный ящик можно закрепить на месте на время, чтобы проверить, насколько качественно создана ниша. Затем его сразу нужно снять. Это облегчит работу с проводами.

Предварительная подготовка проводов. Сначала их подгоняют по длине. Должен остаться запас, чтобы можно было без труда добраться до далеко расположенной шины или автомата защиты.
После этого требуется удалить внешнюю изоляцию с кабелей, используя специальный инструмент. Очищать провод нужно так, чтобы на входе в ящик еще оставалась изоляция.
Установка конструкции на подготовленное место. Внутрь нужно проложить вводной кабель и все проводники.
Провода должны лежать в один слой с учетом порядка расположения автоматов, к которым они впоследствии будут подключаться.
На DIN-рейке сначала фиксируют УЗО, после него — относящиеся к нему автоматы, в конце устанавливают самостоятельные автоматы и иные модульные устройства.
Сразу всю автоматику монтировать не обязательно. Можно запитывать устройства по очереди, по мере того, как они будут крепиться к рейке. Кроме того, нужно установить счетчик.
Жилы каждого из потребителей энергии или группы потребителей следует подключить к относящимся к ним шинам и автоматам. Работу следует производить справа налево, подводить жилу к точке фиксации, после чего отрезать все лишнее. Провода прокладываются вертикально и горизонтально, а все повороты осуществляются лишь под прямым углом. Когда места не хватает, допустимо провести провода за DIN-рейкой.
С конца каждого провода на 1 см удаляется основная изоляция, на мягкие шины надеваются наконечники, после чего концы заводятся под зажимы автоматов и хорошенько затягиваются специальными клеммами. Подключение проводника к автомату обустраивается снизу, а подача напряжения на автомат — сверху.
Чтобы проверить надежность фиксации, нужно слегка подергать руками провод. Медь не должна выступать над автоматами, но и изоляция не должна быть зажатой. Провода можно собрать в пучки, закрепив стяжками из пластика, и разместить за рейкой.
Подсоединение вводного кабеля: его зажимают на главном автомате, при этом заземляющая жила сразу уходит на шину. С автомата ноль и фаза идут на счетчик или раздаются по схеме.
Последний этап. Если проводка полностью подготовлена, все потребители электрической энергии были подключены, можно проверить систему, по очереди подав на каждую из линий отдельно нагрузку. Если никаких проблем не обнаружено, можно произвести полное подключение. Останется лишь промаркировать автоматические устройства, приклеить схему к дверце, вернуть крышку на корпус.
Грамотно и аккуратно осуществленная сборка электрощитка гарантирует, что вся проводка будет исправно функционировать долгие годы. Нежелательно экономить, выбирая комплектующие. Только действительно качественная автоматика позволяет предупредить вероятность серьезных аварий и сохраняет жизнь проживающих в квартире или доме людей.
Видео-инструкция, как правильно собрать электрощиток своими руками:
Порядок сборки
После получения разрешения на подключение к трем фазам и технического условия, приступим к самостоятельной сборке щита. Ввод будет монтироваться в герметичном боксе, который нужно собрать на наружной стене частного дома или столбе. В нем установлен трехфазный счетчик и автоматический выключатель, как показано на фото ниже:

Возле ввода организовываем устройство заземления, согласно правилам. Вводной щит учета электроэнергии будет опломбирован и свободного доступа к нему не будет. Поэтому первым делом нужно самостоятельно собрать трехфазный распределительный щиток, распределив потребителей по своему желанию.
От вводного бокса к распределительному электрощиту заводится 5-жильный кабель L1; L2; L3; N; PE, или 4-х жильный L1; L2; L3; N при условии использования схемы заземления TN-C-S или организации еще одного устройства заземления возле щитка.
Для подключения трехфазного домашнего оборудования собрать щит нужно будет по следующей схеме:
Сборка щита учета на 380 вольт выполняется многожильным проводом, сечением не менее 4 мм с цветной изоляцией. Рекомендуемые цвета — L1 красный, L2 белый, L3 черный, N синий, PE желто-зеленый. Чтобы правильно собрать трехфазный щиток, нужно внимательно смотреть на защитные устройства, на которых нанесены отметки фаз для подключения проводов. На данной схеме представлены четырехполюсные защитные аппараты УЗО, с дополнительной клеммой N, в обычных автоматах эта клемма может отсутствовать. По очереди установленные в щитке на DIN-рейку устройства начинаем коммутировать, отмеряем провод от клеммы L1 до клеммы L1 следующего за ним устройства, с запасом 30%, для удобства монтажа и эксплуатации.
Такую операцию проводим со всеми клеммами, однако учтите, что заранее нарезать отрезки не рекомендуется, потому что в процессе сборки заметите, что длина отрезка L1 намного короче монтажного отрезка L3. Еще лучше собрать щит, используя монтажную трехфазную шину, которая сэкономит место и сведет к минимуму шансы что-то перепутать. Отдельно ставим нулевую шину и шину РЕ, которую обязательно соединяем с корпусом щитка учета электроэнергии.

Если же у вас в квартире либо доме нет мощного оборудования, нужно собрать щиток на 380в таким образом, чтобы каждая фаза была равномерно нагружена однофазными потребителями. Пример такой сборки трехфазного электрощита в частном доме вы можете увидеть ниже:

В данной схеме электрического щита фазы распределены на отдельную нагрузку, через однополюсные автоматы и дифференциальные выключатели. L1, L2 и L3 равномерно нагружены потребителями, согласно предварительно посчитанной предполагаемой нагрузке.
Не рекомендуется делать так — одна фаза на розетки, другая на освещение, третья на любые другие нужды, т.к
важно распределять нагрузку между L1, L2, L3. Если одна из фаз чрезмерно нагружена, происходит просадка напряжения на ней, в это же время на свободных происходит подъем напряжения. Это явления часто можно наблюдать в зимнее время, в жилом секторе
Если ваш сосед по фазе включил мощный потребитель, у вас в доме стали тускло светить лампы освещения, и холодильник натужно стал гудеть. Знайте это просадка вашей фазы. А в это же время у других соседей, запитанных от других фаз, начинают ярко светиться и взрываться лампы, перегорать техника, и даже может возникнуть пожар
Это явления часто можно наблюдать в зимнее время, в жилом секторе. Если ваш сосед по фазе включил мощный потребитель, у вас в доме стали тускло светить лампы освещения, и холодильник натужно стал гудеть. Знайте это просадка вашей фазы. А в это же время у других соседей, запитанных от других фаз, начинают ярко светиться и взрываться лампы, перегорать техника, и даже может возникнуть пожар.
Что касается трехфазной нагрузки, для нее такой перекос будет фатальным. Чтобы этого не происходило, когда вы решите собрать щит, дополнительно установите реле контроля фаз и напряжения для трехфазной сети. Для однофазной сети выполняют подключение реле напряжения. Проконтролировать распределение нагрузки можно с помощью мультиметра с токовыми клещами, который показан на фото ниже.

Ну и последний вариант сборки щита учета электроэнергии на 380 вольт — смешанный, когда в домашней электросети присутствуют и трехфазные и однофазные потребители электроэнергии. В этом случае собрать электрощит нужно следующим образом:


Виды электрических щитков
Различаются по целевому назначению, по способу монтажа, по материалу. В зависимости от целей применения подразделяются на:
- Главный распределительный щит (ГРЩ). Служит для ввода и учета энергии в крупный объект (группу). Принимает энергию от питающих электролиний, трансформаторных станций или отдельных трансформаторов.
- Вводное распредустройство (ВРУ). Может выполнять аналогичные функции ГРЩ, или служить для дальнейшей подачи питания на более мелкие объекты. В него дополнительно монтируются измерительные приборы, контролирующие параметры тока.
- Аварийный ввод резерва. В этом электрическом щитке осуществляется автоматическое переключение на запасные источники питания при аварии. В качестве последних могут выступать аккумуляторные батареи, трансформаторные подстанции.
- Электрощит этажный (ЩЭ). Устанавливается на этажных площадках зданий в специально отведенных местах. Несет в себе функции дальнейшего распределения энергии по этажу.
- Щит квартирный (ЩК). Может устанавливаться как внутри квартирных помещений, так и на этаже. Этот электрический щиток отвечает за питание жилых площадей, учет потребления электроэнергии и защиту от негативного воздействия электротоком.
- Щит освещения. Применяется как отдельное устройство для обеспечения функций включения-выключения осветительных приборов.
- Щиты управления и автоматики. Щиток для электрических автоматов в основном применяется в электроустановках, на электростанциях, подстанциях. Часто функции управления и автоматики совмещают.
Навесной электрический щиток
Изготавливаются различной глубины (ширина боковой стенки). Они предназначены для установки на стену, специальное устройство или опору. Для изготовления неразборного корпуса применяется сталь листовая в 1 мм толщиной. Жесткость конструкции обеспечивает надежный монтаж оборудования. Щиток электрический квартирный может изготавливаться из пластика и иметь разборной корпус, состоящий из задней стенки (монтажного основания) и кожуха с крышкой. Они соединяются между собой специальными крепежами. При высоте шкафа до 800 мм щитки оснащаются одним замком, свыше – двумя.
Встраиваемый электрический щиток
Предназначен для монтажа вглубь стены. Состоит из:
- корпуса, изготовленного из стали 1 мм толщиной;
- стальной маски с навешенной на нее дверью.
В корпусе предусмотрены технологические отверстия для монтажа в стену. Окраску порошковой краской осуществляют в электростатическом поле. Для установки внутреннего оборудования используют монтажные панели или модульные системы. Электрический щиток в квартире такого типа обладает возможностью изменения дверного открывания. Общепринятая глубина встраивания в стену составляет 120 мм. Степень внутренней защиты IP31.
Напольный электрический щиток
Может служить в качестве главного щита для ввода и распределения электропитания. Сварной каркас из стали 2 мм толщиной обеспечивает конструкции жесткостью. Начинка состоит из съемных узлов и агрегатов, собранных линейно. Может иметь как одну, так и две двери. Запорное устройство может блокировать дверь в 4-х местах. На месте установки монтируется на специальный цоколь. Электрический щиток в частном доме, расположенный на открытом воздухе, предусматривает оснащение повышенной защитой от влияния внешней среды по типу IP55, 65.
Как разделать кабели внутри щита
С введенных жил необходимо снять изоляцию. Этот процесс делается аккуратно, токопроводящие жилы повреждать нельзя. Сразу на ней делается повторная метка
Это важно, потому что после разделки всех проводов может возникнуть большая путаница.
Для меток подойдет бумажный скотч. Не забываем главное правило: метки, должны наноситься, так как указаны на схеме.
Чтобы кабеля хватило на всю длину проводки, нужно ввести его в электрощиток и провести на всю его высоту. Затем отмерить это же расстояние по высоте еще раз. В результате получится длина, в два раза превышающая высоту щита. Этот запас кабеля позволит уверенно вести его до нужной точки по всем правилам проводки, а лишние куски всегда можно отрезать.
РЩ при однофазной нагрузке
Наиболее простой схемой подключения дома или дачи будет при однофазной нагрузке. Достаточно проанализировать установленную нагрузку и распределить поровну по фазам. В этом случае в сети не будет перекоса фаз.
Разрешенная мощность для частного дома при напряжении на 380 В составляет 15 Квт, в этом случае схема распределительного щита на 15 Квт предлагается проектной документацией.
Однако, это только рекомендации, а подключение потребителей распределяет хозяин по своему усмотрению. От вводного бокса к распределительному щиту прокладывается пятижильный кабель.
Кроме фазных проводов заводятся нулевой и провод заземления. Монтаж щита производится цветными проводами сечением не менее 4 мм. Согласно ПЭУ нулевой провод должен быть обязательно синий или голубой, а провод заземления должен быть желто – зелёный.
Фазные провода могут иметь любые другие цвета. РЩ на 380 В в частном доме при подключении однофазной нагрузки получается достаточно простым, при этом распределительный щит имеет небольшие размеры. В котором монтируются однофазные автоматы и средства защиты УЗО.
К автоматам подключают распределенную нагрузку. Не рекомендуется подключать только освещение на один автомат или только розетки. Нагрузка должна быть распределена равномерно, чтобы исключить перекоса фаз.
В корпусе щита монтируют Din-рейку, на которой крепятся автоматы. Ниже монтируются нулевая и шина заземления. Такие электрические распределительные щиты устанавливают для небольшого дачного дома, если к даче подведено трёхфазное напряжение.
При этом нагрузку подключают к дифавтоматам по схеме:
- Котёл и насосы подключают через автомат к первой фазе;
- Розетки и свет на кухне ко второй;
- Свет и розетки зала к третьей.
В случае этом нагрузка будет распределена по фазам относительно равномерно. Такие сборки очень удобны в плане срабатывания автомата. При возникновении аварийного отключения сразу понятно, где произошла неисправность.
Какие автоматические выключатели подобрать для электрощита
Основной вопрос, затрагивающий многих пользователей: как определиться с автоматами? Расчёт номинального тока автоматического выключателя производится исходя из такого параметра как нагрузка потребителя или его мощность.
Для примера. Номинальная мощность одновременно включённых электроприборов и осветительной сети составит 15 кВт. Существует формула: P=U×I, где P-мощность, U — напряжение, I — сила тока. Если P=15000 Вт, то сила тока составит (округлив) 68 А. Это означает, сумма номинальных значений автоматов не должна превысить 68 А. Но следует помнить, что к щиту подводят трёхфазную сеть, поэтому номинальный амперах необходимо поделить на 3, что даст приблизительно 23 А. Это означает, что входной автомат следует устанавливать в 25 А.
Для осветительных сетей использует автоматы на 6.3 или 10 А. Это общепринятые стандарты, к которым удобно прибегать для экономии времени. Если всё же появилось свободное время, то можно рассчитать ампераж автомата на свет, используя вышеприведённую формулу, только P будет равно сумме мощностей всех ламп, используемых в отдельной или общей осветительной линии.
Ампераж автоматов для силовых цепей не должен быть менее 16 А. Именно такое номинальное значение позволит на протяжении длительного времени пользоваться электрическими приборами бесперебойно. Если установить автоматический выключатель с меньшим номинальным порогом, то включение бытового прибора будет восприниматься устройством как короткое замыкание на линии и автомат отключит напряжение.
Также в доме могут присутствовать и более мощные электроприборы: варочные поверхности, духовые шкафы, холодильные камеры. И если несколько розеток можно объединить в одну группу, то для таких приборов потребуется установка отдельного автомата со значением не менее 25 А. Мощность современной электрической панели может достигать 7 кВт и выше.
Cхема щита учета электроэнергии 380в для частного дома 15 квт
При подключении частного дома к электросети, вам обязательно потребуется получить у электросбытовой компании (Мосэнерго, Ленэнерго, Свердловэнерго и др., в зависимости региона) ТУ – Технические условия на подключение. Именно этот документ содержит основные характеристики электросети доступные вам, в том числе и требования к щиту учета электроэнергии.
В этой статье мы подробно осмотрим схему типового щита учета, а также его модификаций, которые предписывают собирать требования ТУ.
Cтандартные в таких случаях параметры сети для подключения частного дома это:
— 3 фазы
— Напряжение: 380В
— Выделенная мощность: 15 кВт
— Вводной кабель: СИП 4х жильный (3 фазных проводника и PEN)
Отмечу, что одна из основных задач ТУ, не только обеспечить безопасность электроустановки, но и предотвратить возможность хищения электричества потребителями.
Именно поэтому, все устройства защиты или коммутации в электрощите, расположенные до электрического счетчика, должны быть защищены от возможности нелегального подключения. Обычно они скрыты в отдельных боксах, которые при подключении пломбируют.
Кроме того, технические условия предписывают размещать щит учета в доступном для проверки месте — на границе участка, на опоре освещения или заборе.
Чаще всего такие внещние щиты используются исключительно для учета, без дополнительных возможностей, несет лишь базовые функции. Основной распределительный щит (РЩ), при этом, ставится внутри в дома, где все потребители разделяются на группы, распределяется нагрузка, устанавливается соответствующая защитная автоматика и т.д.
Все представленные ниже схемы будут рассчитаны под две самые популярные в частных домах системы заземления TT и TN-C-S. Под каждым вариантом подключения – будут ссылки на пошаговую инструкцию по сборке, с подробными комментариями.
Если же вы не определились, какую из систем заземления выбрать – вам поможет следующая информация:
TN-C-S – рекомендуемая правилами система заземления. Имеет ряд недостатков, применять её стоит если вы уверены в состоянии подходящих к дому электросетей, если они достаточно новые и регулярно обслуживаются.
TT – относительно более безопасная система. К главным недостаткам можно отнести лишь большие затраты как на монтаж защитного оборудования и устройство контура заземления, так и на регулярное обслуживание. Которые, для безопасной работы, должны всегда поддерживаться вами в работоспособном состоянии.
Подробнее о разнице в устройстве систем заземления вы узнаете в одной из следующих статей. Подписывайтесь на нашу группу Вконтакте, следите за выходом новых материалов.
Сборка распределительного щита
После утверждения и согласования технического задания с заказчиком, была спроектирована схема распределительного щита в связке с компоновкой. После проектирования была выполнена сборка щита.
Вначале были промаркированы с помощью наклеек все модульные устройства.
Далее вся модульная аппаратура была установлена на DIN-рейки, в соответствии с компоновочной схемой и закреплена ограничителями.
Затем, в соответствии с разработанной схемой, было произведено подключение между устройствами внутри щита. Для этого применен провод ПВ-3 6 мм2 двух цветов: красный для подключения фазных проводников, синий — для нулевых.
Для зачистки проводов использовался специальный съемник изоляции — стриппер. После зачистки, провода были обжаты штыревыми наконечниками — одинарными для одного провода НШВИ 6-12, двойными для двух проводов НШВИ2 6-14. Наконечники опрессованы специальным инструментом — кримпером.
Для подключения нескольких групповых автоматических выключателей применены специальные фазные распределительные шины — «гребенки».
Основной процесс
Сразу же обращаем ваше внимание на то, что в статье предоставлена инструкция по сборке распределительного щита на 220 В. Если вы хотите собрать трехфазный щит, ознакомьтесь с отдельной инструкцией, на которую мы сослались!
Шаг 1 – Создаем схему
Для начала Вы должны создать схему подключения всех автоматов, счетчика и распределительных шин для того, чтобы быстро и правильно собрать распределительный щиток в квартире (либо загородном доме). На данном этапе необходимо также самому выбрать наиболее подходящее место для установки каждого изделия на DIN-рейке. Чем компактнее и логичнее будут расставлены автоматы, тем Вы больше сэкономите соединительных проводов и сделаете бокс удобным для обслуживания.
К Вашему вниманию пример того, как должна выглядеть схема сборки распределительного щита в квартире на 220В:
В Вашем варианте может быть все в корне по-другому, и это не будет свидетельствовать о том, что схема составлена неправильно. В каждом индивидуальном случае собрать распределительный щит можно по-своему.
Шаг 2 – Подготавливаем материалы и инструменты
Среди инструментов Вам обязательно потребуются:
мультиметр (чтобы прозвонить проводку после подключения всех элементов).
набор отверток (закручивать винтики на клеммах).
инструмент для снятия изоляции либо, в крайнем случае, монтажный нож электрика.
шуруповерт (крепить бокс к стене)
Что касается элементов схемы, тут все Вы сами должны выбирать, в зависимости от суммарной нагрузки на электропроводку, напряжения в сети (1 либо 3 фазы) и разветвленности созданной схемы. Мы же рекомендуем Вам ознакомиться со следующим блоком статей, которые тесно связаны с самостоятельной сборкой распределительного щита:
Как распределить нагрузку по фазам
Как разделить электропроводку на группы
Как составить схему электропроводки перед ремонтом
Ознакомившись с данными статьями можно идти в магазин за подходящей автоматикой и материалами, после чего останется только собрать распределительный щит своими руками.
Шаг 3 – Собираем электрощит
Вот мы и подошли к наиболее важной части статьи. Теперь, когда Вы уже знаете, из чего будет состоять «начинка» бокса и как осуществлять выбор каждого из изделий, можно переходить к сборке. Сразу же следует отметить один очень важный нюанс – Вы должны согласовать с представителями энергосбыта, кто будет устанавливать электросчетчик
Если Вам разрешат его установить самостоятельно, можете составить соответствующий акт и идти приступать к работе
Сразу же следует отметить один очень важный нюанс – Вы должны согласовать с представителями энергосбыта, кто будет устанавливать электросчетчик. Если Вам разрешат его установить самостоятельно, можете составить соответствующий акт и идти приступать к работе.
Пошаговая инструкция по монтажу электрического щита выглядит следующим образом:
Повесьте корпус на стену (либо установите в подготовленную нишу).
Заведите в распределительный щиток вводные провода и те, которые идут от каждой комнаты/мощных электроприборов.
Зачистите жилы для качественного присоединения к клеммам.
С помощью саморезов закрепите внутри корпуса DIN рейку, которая будет служить креплением для сборки всей «начинки».
Закрепите все автоматические выключатели, УЗО и даже счетчик (если его крепления соответствуют) на установленной планке. Тут все просто, конструкция щита включает в себя специальный фиксатор, который быстро и без усилий защелкивает изделие на рейке.
Установите нулевую и заземляющую шину.
Нарежьте соединительные провода на подходящие отрезки.
Соедините между собой все элементы согласно схеме. Не забываем, что вводные фаза и ноль для автоматических выключателей и УЗО обязательно должны заводиться к верхним клеммам. О том, как соединить автоматы в щитке, мы рассказали в отдельной статье.
Тщательно проверьте качество сборки распределительного щита, при необходимости еще раз подтяните винты на всех клеммах.
Пригласите представителя энергосбыта для того, чтобы он выполнил опломбировку электросчетчика.
Проверьте правильность выполненных работ, включив вводной автомат.
Если же после того, как Вы включили электроэнергию, не появился характерный запах горелого, не возникло искрение и не произошло срабатывание УЗО, значит, все электромонтажные работы выполнены правильно.
Наглядный видео урок всего основного процесса:
Правильная сборка
Напоследок рекомендуем ознакомиться с некоторыми простыми советами, которые помогут более правильно собрать распределительный щит в квартире и частном доме.
Требования к установке
Все требования, связанные с установкой распределительных щитков, указаны в ПУЭ (Правилах устройства электроустановок), глава 7.1. Остановимся на главных из них.
Место для установки распределительного щита нужно выбирать вдали от отопительных котлов, газовых плит или баллонов, печей, легковоспламеняющихся предметов.
Помещение, где расположен электрощиток, должно хорошо вентилироваться, желательно, естественным способом.
Место установки распредщитка должно быть хорошо освещено естественным светом
Это немаловажно для обслуживания конструкции.
К щитку должен быть постоянный свободный доступ. Поэтому не допускается его установка в кладовых и прочих помещениях хозяйственного назначения.. Количество распредшкафов зависит от площади строения и количества лампочек, электророзеток и прочих электрических точек
Это количество влияет на схему и сложность разводки проводов по зданию. Для дачного дома площадью до 200 м2 достаточно одного щитка
Количество распредшкафов зависит от площади строения и количества лампочек, электророзеток и прочих электрических точек. Это количество влияет на схему и сложность разводки проводов по зданию. Для дачного дома площадью до 200 м2 достаточно одного щитка.
Как выглядит уличный электрощиток для дачи, сделанный своими руками, смотрите на фото:

Как правильно проложить провода на участке
Работа проводится в несколько этапов, каждый из которых следует разбить на несколько шагов.
По нормативной документации за часть ответвления, которая будет идти в ваш дом, вы будете нести ответственность.
В большинстве случаев ответвлением служит близлежащая опора ЛЭП, откуда подвести кабель можно как воздушным путем, так и подземным. Что вам предстоит сделать:
- Поставить опору на своем участке, если расстояние до воздушной линии составляет более 25 метров.
- Подвести к опорному столбу и натянуть электрический кабель.
- Приобрести 3-фазный двух тарифный счетчик, автоматы, стабилизаторы напряжения и все это подключить.
Когда ведут одну фазу, то к алюминиевому кабелю придется купить еще и медный кабель. Провод с медными жилами нужен будет для запуска его через стену в дом, тем более если дом деревянный, то согласно ПЭУ проводить алюминиевый кабель сквозь стену запрещено.
По правилам и нормам однофазная ветка проводится двумя проводниками – это фаза и ноль, со строго изолированном проводом – сечением не менее 16 кв.мм. Оптимальным решением будет использовать алюминиевый кабель СИП-4.
Срок эксплуатации кабеля составляет 25 лет, благодаря вшитой в изоляцию светооталкивающей полиэтиленовой оболочке устойчивой к разрушающему действию ультрафиолетовых лучей. Такой кабель подходит для питания в 220В.
Есть хороший вариант с оплеткой не поддерживающей горение – это ВВГ нг, где аббревиатура «нг» обозначает не горит. Этот кабель хорош при любом выборе проводки, можно заключить его в гофрированную трубу. Когда построен новый деревянный дом и прокладывается проводка, то все места прохождения проводки через стены пробуриваются буром, затем в отверстия вставляются металлические трубки. Это необходимо сделать, так как дом со временем осядет.
Дополнительную защиту устраивают с помощью автомата (АЗ). Его нужно устанавливать в месте разрыва кабеля, это может находиться с наружной части жилья. Автомат защиты подбирают номиналом на одну ступень выше, чем у вводной автомата защиты в доме, чтобы при перегрузках первой сработала защита в щитке.
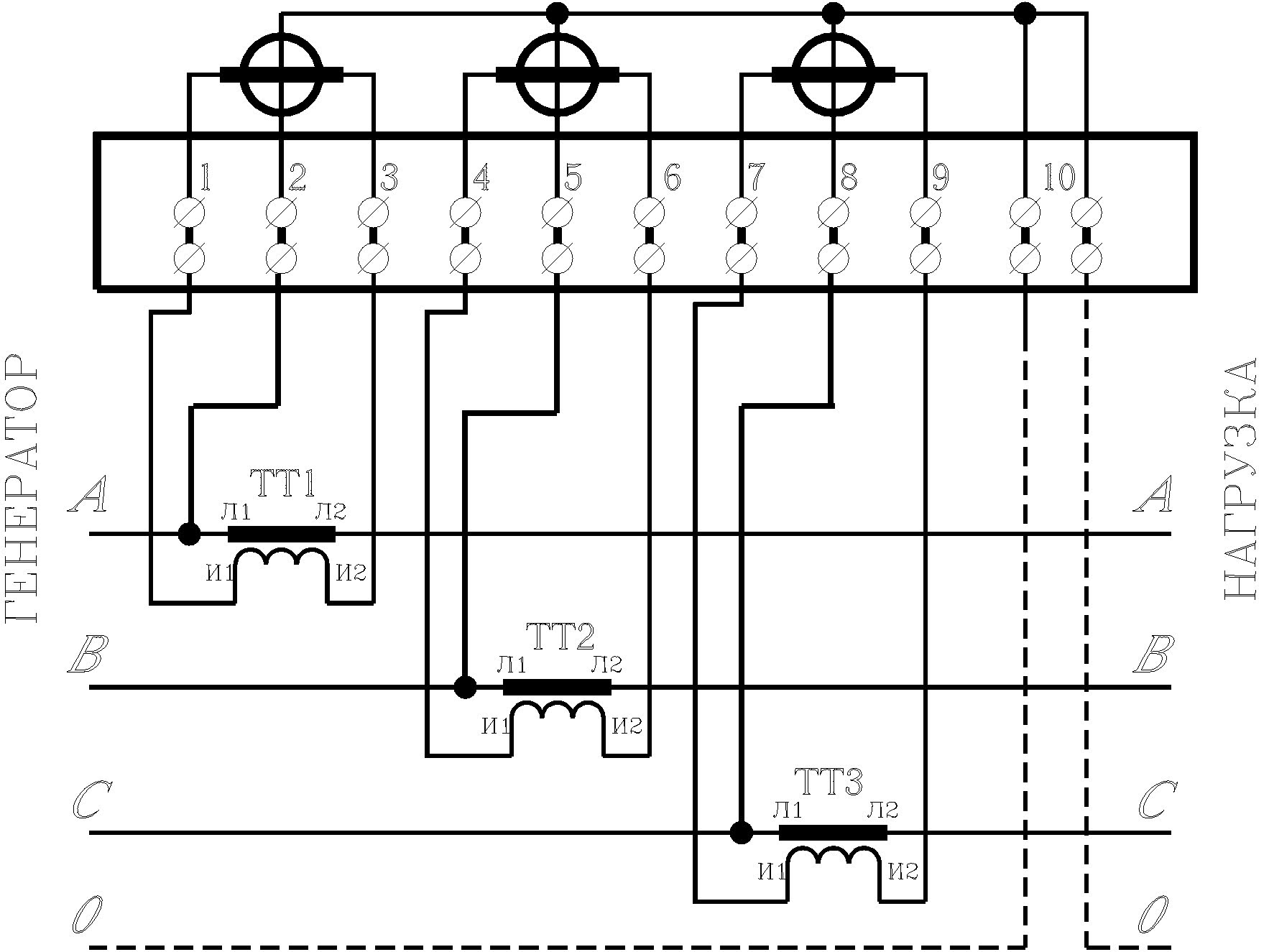
Методы подключения с помощью трансформаторов тока
Перед началом работы необходимо обратить внимание на очень важный нюанс. На катушке располагаются две пары входных зажимов, один провод необходим для подключения соответствующего фазного кабеля и указывается символом «Л1» (от второго провода, отмеченного как «Л2» кабель проходим прямо к трехфазной нагрузке). На индукторе измерения также располагаются зажимы, указанные как «И1» и «И2», к которым необходимо подключать обмотку параллельным способом
На индукторе измерения также располагаются зажимы, указанные как «И1» и «И2», к которым необходимо подключать обмотку параллельным способом.
Обратите внимание! Сечение кабеля должно соответствовать нагрузке в сети. Схема подключения трехфазного счетчика через трансформаторы. Схема подключения трехфазного счетчика через трансформаторы
Схема подключения трехфазного счетчика через трансформаторы
Полукосвенное
Счетчики подключаются в сеть с помощью трансформаторов тока, из-за этого разрешается применять их в сетях с достаточно большими мощностями (до 63кВт). С помощью такого метода подключения, для измерения расхода необходимо разность данных умножать на известный коэффициент трансформации.
Косвенное
При таком методе, подключение выполняется через трансформаторы напряжения и тока. Этот способ используется для учета электрической энергии при высоковольтной интеграции.
Основные аспекты подключения:
- не применяются токи прямого, обратного и номинального порядка основной частоты;
- активная и пассивная мощности по фазе А рассчитываются с вычетами тока нулевого порядка из фазного тока;
- учет электроэнергии такой же как описано выше.
Устройство энергомер
Прямое
Счетчики такой модели подключаются в электросеть напрямую, в таком же порядке, как и однофазные устройства. Они в основном предусматривают невысокую пропускную мощность (ток не больше 95 А), дырки под кабель имеют сечение 25мм2 (либо 15 мм2).
Поэтапное подключение прямого типа:
- включение фазы А к нагрузке;
- подключение фазы В к нагрузке;
- подключение фазы С к нагрузке;
- ввод и вывод нулевого параметра.
Расположение щитка в квартире
Важно подчеркнуть, что если человек не обладает необходимым запасом знаний и навыков, то лучше не пытаться подключить прибор самостоятельно. Это может привести не только к выходу из строя всех бытовых устройств, но и к короткому замыканию, а вследствие к пожару. Рекомендуется обратиться к профессиональному мастеру
Рекомендуется обратиться к профессиональному мастеру.
Обратите внимание! При подключении любого прибора, необходимо обесточивать все помещение. В заключении необходимо отметить, что трехфазные электросчетчики отлично справляются в больших домах или помещениях, где достаточно много электрических и мощных приборов. Для небольших квартир вполне подойдут однофазные модели
Для небольших квартир вполне подойдут однофазные модели
В заключении необходимо отметить, что трехфазные электросчетчики отлично справляются в больших домах или помещениях, где достаточно много электрических и мощных приборов. Для небольших квартир вполне подойдут однофазные модели.
Вступление
В продолжении серии статей «Электрика в деревянном доме», хочу представить типовой трехфазный щит учета и распределения для частного дома, рассчитанный для выделенной мощности 15 кВт. Данный щит является вполне стандартным и часто встречается в продаже, как типовой вариант сборки. Щит представлен в трех комплектациях фирм ABB, IEK, Schneider Electric.
типовой трехфазный щит учета
Сразу замечу, что место установки щита учета определяется сетевой организацией при выдаче разрешения на подключение выделенной мощности. О нюансах установки счетчика вне дома читайте статью (Установка счетчика вне дома). Типовым считаем щит учета, предназначенный для установки на фасаде дома, опоре линии электропередачи или специальной опорной конструкции, что соответствует требованию большинства сетевых организаций.
Начнем с корпуса электрического щита. Согласно нормативам, на фасаде деревянного дома устанавливаются металлические щиты со степенью защиты IP=65, аналогичную степень защиты должен иметь щит, устанавливаемый на опоре. В щите должно быть предусмотрено окошко для считывания показаний счетчика и ключ для запирания дверцы. Прочность корпуса должна быть достаточной для защиты от механических повреждений.
Для утепления, уборки, изоляции стен и кровли дома, вы можете приобрести холстопрошивное полотно оптом у производителя технических тканей.





