Оглавление
Виды АВР
Большинство устройств должны быть жестко подключены к сетевой среде. Это открывает больше возможностей для электрических подрядчиков. Блоки, как правило, состоят из одно- или трехфазной системы электропитания, и все они требуют какой-то жесткой проводки системы к электрической инфраструктуре здания. Это станет хорошим рынком для оптимизации работы электрических подрядчиков. Дизельные генераторы могут храниться в помещении более безопасно и в течение более длительного периода времени без ухудшения качества. Если генератор работает на 50 % или более от его мощности, эффективность увеличивается. Агрегаты без аккумуляторных батарей работают непрерывно, что приводит к увеличению затрат на эксплуатацию за киловатт-час электроэнергии. Генератор должен находиться в диапазоне от 120 до 200 процентов от максимальной скорости зарядки аккумулятора от зарядного устройства до аккумулятора.
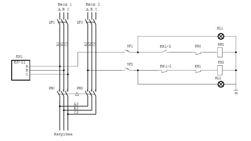
Схема АВР с применением реле контроля фаз ЕЛ-11Е.
Подключение реле серии ЕЛ очень простое и не представляет особых затруднений: к клеммам L1, L2, L3 подключаются фазы А, В, С соответственно, а через контакты 15-16 и 25-28 напряжение подается в цепь управления катушек контакторов, где в зависимости от состояния электрической сети реле управляет работой контакторов замыканием или размыканием этих контактов.

На рисунке ниже изображена схема АВР, обеспечивающая бесперебойное снабжение трехфазным питающим напряжением потребителей. Схема собрана на двух контакторах КМ1 и КМ2, реле контроля фаз KV1, трехполюсных автоматических выключателей QF1, QF2 и SF1, однополюсного автоматического выключателя SF2 и двух ламп накаливания HL1 и HL2, обеспечивающих индикацию работы АВР.

Рассмотрим работу схемы.
Первым в работу запускаем основной ввод включением автоматических выключателей QF1 и SF1, после чего трехфазное напряжение основного ввода подается на входные клеммы реле L1, L2, L3. Если напряжение основного ввода в норме, то контакт реле KV1.1 замыкается и через него фаза А поступает на левый по схеме вывод катушки контактора КМ1, контактор срабатывает, его силовые контакты КМ1 замыкаются и через них трехфазное сетевое напряжение А3, В3, С3 поступает к потребителю.

Одновременно с этим нормально-замкнутые контакты реле KV1.2 и контактора КМ1.1 размыкаются и разрывают цепь питания катушки КМ2, а нормально-разомкнутый контакт КМ1.2 замыкается и включает лампу HL1, сигнализирующую о работе основного ввода.
Теперь включаем автоматы QF2 и SF2 и запускаем резервный ввод.
Напряжение резервного ввода А2, В2, С2 поступает на верхние клеммы силовых контактов контактора КМ2 и остается там дежурить. Фаза А2 через автомат SF2 поступает на левые по схеме клеммы контактов КМ1.1 и КМ2.2 и также остается на них дежурить. При этом никаких изменений в работе АВР не происходит, так как в данный момент работает основной ввод.

При возникновении аварийной ситуации на основном вводе реле KV1 переключает потребителя на резервный ввод: контакт реле KV1.1 (25-28) размыкается и прекращает подачу питания на катушку контактора КМ1, отчего контактор обесточивается, его силовые контакты КМ1 размыкаются и напряжение основного ввода перестает поступать к потребителю. Об этом также сигнализирует лампа HL1, которая гаснет при размыкании контакта КМ1.2.

Одновременно с этим нормально-замкнутые контакты реле KV1.2 (15-16) и контактора КМ1.1 становятся замкнутыми и через них фаза А2 поступает на катушку контактора КМ2, контактор срабатывает и теперь через его силовые контакты КМ2 трехфазное сетевое напряжение А3, В3, С3 поступает к потребителю.
Также нормально-замкнутый контакт КМ2.1 размыкается и разрывает цепь питания катушки контактора КМ1, а контакт КМ2.2 замыкается и включает лампу HL2, которая сигнализирует о работе резервного ввода.
При восстановлении параметров сетевого напряжения на основном вводе реле контроля фаз автоматически переключит потребителя с резервного ввода на основной.
В рамках этой части статьи мы рассмотрели стандартную схему АВР, реализованную на реле серии ЕЛ. Как уже было сказано выше, отечественной промышленностью выпускается достаточное количество различных типов реле контроля фаз, но принцип построения схем и работа автоматического ввода резерва с использованием подобных реле остается неизменным – будь то трех или четырехпроводная электрическая сеть. Главное надо понимать, что для каждого конкретного случая выбирается конкретный тип реле контроля фаз.
На этом хочу закончить статью о простых системах АВР, выполненных с применением контакторов и реле контроля фаз.
Удачи!
Литература:
Паспорт: реле контроля трехфазного напряжения ЕЛ-11Е, ЕЛ-12Е, ЕЛ-13Е. ТУ 3425-007-49874443-07.
Классификация
Аппараты АВР подразделяются на следующие типы:
- Односторонней работы. В такой схеме имеется одна рабочая и одна резервная секция питающей электрической цепи.
- Двухсторонней работы. Каждая питающая линия в таких устройствах может быть рабочей и резервной.
Какие требования предъявляются к устройствам АВР?
- Данные аппараты обязаны включаться за кротчайший интервал времени после того момента, как отключится основное питание потребителей.
- Устройство АВР должно срабатывать постоянно, не зависимо от того, какова была причина прекращения подачи электричества.
- Срабатывание обязано происходить однократно.
Как работает АВР
Для чего ещё нужен АВР? Благодаря данному аппарату осуществляется контроль минимально и максимально допустимого входного напряжения. Происходит и проверка наличия чередования фаз.
При падении напряжения на одной из фаз, а также изменениях частоты или просадках напряжения, то есть выхода этих параметров из заданных пределов основной цепи питания, посредством реле контроля фаз происходит размыкание контактов контактора на основном входе и замыкание контактов контакторов резервного входа. Далее срабатывают выключатели, происходит отключение потребителей от основного источника электроснабжения и подключение к резервному. Большинство схем АВР, как правило, работает по этому принципу.
При восстановлении параметров тока в основной цепи происходит замыкание контактов контактора основной цепи с одновременным размыканием контактов контактора резерва. Как правило, в схемах дополнительно имеется блокировка одновременного срабатывания катушек.
С помощью АВР вы сможете не допустить одновременного включения сразу двух линий (основной и резервной). В схемах, в которых применено секционирование, устройство автоматического ввода резерва заблокирует включение секционного «АВ». В случае надобности, АВР укомплектовываются специальной механической системой блокировки.
Данные аппараты могут устанавливаться в отдельных шкафах. В зависимости от мощности электропотребления, они могут быть: малогабаритными, полногабаритными, двух и трёх секционными. Также, АВР можно размещать в распределительных и вводных шкафах.
Инженерный центр «ПрофЭнергия» имеет все необходимые инструменты для качественного проведения испытания устройств АВР, слаженный коллектив профессионалов и лицензии, которые дают право осуществлять все необходимые испытания и замеры. Оставив выбор на электролаборатории «ПрофЭнергия» вы выбираете надежную и качествунную работу своего оборудования!
Сбой в электропитании создает не только дискомфорт, но может привести к значительному материальному ущербу и к угрозе безопасности людей. Бесперебойное питание обеспечивается двумя источниками электроэнергии, одним из которых обычно является электросеть, а другим – аккумулятор, дизель-генератор и другие.
Щит подключения резерва с двумя независимыми вводами
Бесперебойность питания может быть создана подачей питания от двух источников сразу. Способ имеет следующие недостатки:
- более высокий ток КЗ;
- повышенные потери электроэнергии;
- усложнение системы защиты.
Автоматический ввод резерва (АВР) позволяет быстро восстанавливать подачу электричества посредством включения коммутирующего устройства, разделяющего питающие линии. Реальное время срабатывания составляет десятки секунд, но может достигать 0,3 сек. При этом необходимо учитывать мощность дополнительного источника питания, чтобы он справлялся с подключением системы потребителей. Если этого достичь не удается, схема защиты организуется таким образом, что подключаются только наиболее важные нагрузки.
На фото выше изображен щит АВР с двумя независимыми вводами.
Описание прибора
Автоматическим вводом резерва является система, которая нужна, чтобы обеспечить нагрузки электроснабжения резервным зарядом. Выполняется в двух вариантах. Бывает односторонней и двухсторонней. В первой есть разделение на рабочую с резервной секцией, а во второй такого нет. В первом случае можно переключиться на обычный режим или аварийный, во втором случае в этих режимах нет необходимости.
Безопасная работа электрооборудования как одно из предназначений устройства
Основная цель модуля направлена на то, чтобы система электроснабжения была более надежной. Это устройство оперативно подключает нагрузки на резервный вид ввода, когда возникают перебои электричества. Для обеспечения автоматического переключения система все время отслеживает напряжение с током. В этом заключается ее предназначение.
Расшифровка аббревиатуры АВР
Расшифровывается аббревиатура очень просто. АВР является автоматическим вводом резерва. Иногда вместо слова ввод используется включение, но это некорректно, потому что под вводом понимается генераторный запуск как резервный источник.

Классификация
В зависимости от того, какое имеет блок авр исполнение, классифицируется оборудование по количеству секций, типу сети, классу напряжения, мощности и времени срабатывания.
Обратите внимание! АВР часто представлена с одним, двумя и тремя выводами для обеспечения высокой надежности сети. Также бывает однофазной, двухфазной и трехфазной. По классу напряжения обрабатывает до 1000 вольт
По классу напряжения обрабатывает до 1000 вольт.
Шкаф АВР на три ввода
Основные требования
При покупке и установке в сеть пользователям требуется, чтобы АВР:
- обеспечивала подачу питания энергии при непредвиденном случае приостановления работы линии;
- максимально быстро восстанавливала электрическое питание;
- обязательно действовала однократно, то есть несколько режимов работы сразу не должно быть;
- включала основное питание до того, как будет подано резервное электрическое питание.
Кроме того, она должна осуществлять контроль за исправностью цепи управления оборудованием.
Быстрое восстановление электрического питания — основное требование к системе
Коммутационный аппарат переключения (переключатель питания)
Автоматический
Автоматический переключатель питания дата-центра
Коммутационная аппаратура автоматического переключения — аппаратура автономного действия, состоящая из коммутационного аппарата (аппаратов) переключения и других устройств, необходимых для контроля цепей питания и переключения одной или нескольких цепей нагрузки от одного источника питания к другому.
Автоматические переключатели питания делятся на оборудование:
- постоянного тока;
- переменного тока
- использующие релейно-контакторные схемы;
- с непрерывной подачей питания при переключении нагрузок;
- источники бесперебойного питания.
При автоматическом переключении обеспечивается гарантированное электропитание, когда допускается перерыв на время ввода в действие резервного источника. Бесперебойное электропитание с «мгновенным» вводом в действие резервного источника обеспечивает источник бесперебойного электропитания.
Возможно использование автоматической коммутационной аппаратуры не только во время длительных отключений рабочего источника питания, но и при кратковременных провалах напряжения. Если допустимое время перерыва питания меньше 0,2 с возможно только использование источников бесперебойного питания, защита автоматическими выключателями цепи с коротким замыканием для уменьшения времени перерыва питания в таком случае невозможна или неэффективна. Если допустимое время более 0,2 с возможно использование защит электросети или использование источников бесперебойного питания. При допустимом времени 5…20 с возможно отказаться от источников бесперебойного питания и использовать автоматическую коммутационную аппаратуру.
Варианты схем для реализации АВР с описанием
Приведем несколько рабочих примеров, которые можно успешно применить при создании щита автоматического запуска. Начнем с простых схем для бесперебойной системы электроснабжения жилого дома.
Простые
Ниже представлен вариант схемы АВР, переключающей подачу электричества в дом с основной линии на генератор. В отличие от приведенного выше примера, здесь предусмотрена защита от короткого замыкания, а также электрическая и механическая блокировка, исключающая одновременную работу от двух вводов.

Схема АВР для дома
Обозначения:
- AB1 и AB2 – двухполюсные автоматические выключатели на основном и резервном вводе.
- К1 и К2 – катушки контакторов.
- К3 – контактор в роли реле напряжения.
- K1.1, K2.1 и K3.1 – нормально-замкнутые контакты контакторов.
- К1.2, К2.2, К3.2 и К2.3 – нормально-разомкнутые контакты.
После переводов автоматов АВ1 и АВ2 алгоритм работы блока АВР будет следующим:
- Штатный режим (питание от основной линии). Катушка К3 насыщается и реле напряжения срабатывает, замыкая контакт К3.2 и размыкая К3.1. В результате напряжение поступает на катушку пускателя К2, что приводит к замыканию К2.2 и К2.3 и размыканию К2.1. Последний играет роль электрической блокировки, не допускающей подачи напряжения на катушку К1.
- Аварийный режим. Как только напряжение в главной линии исчезает или «падает» ниже допустимого предела, катушка К3 перестает насыщаться и контакты реле принимают исходную позицию (так, как показано на схеме). В результате на катушку К1 начинает поступать напряжение, что приводит к изменению положения контактов К1.1 и К1.2. Первый играет роль электрической защиты, не допуская подачи напряжения на катушку К2, второй снимает блокировку подачи питания на нагрузку.
- Чтобы работала механическая блокировка (на схеме отображена в виде перевернутого треугольника) необходимо использовать реверсивный пускатель, где ее наличие предполагается конструкцией электромеханического прибора.
Теперь рассмотрим два варианта простых АВР для трехфазного напряжения. В одном из них энергоснабжение будет организовано по односторонней схеме, во втором применено двухстороннее исполнение.

Рисунок 6. Пример односторонней (В) и двухсторонней (А) реализации простого трехфазного АВР
Обозначения:
- AB1 и AB2 – трехполюсные автоматы защиты;
- МП1 и МП2 – магнитные пускатели;
- РН – реле напряжения;
- мп1.1 и мп2.1 – групповые нормально-разомкнутые контакты;
- мп1.2 и мп2.2 – нормально-замкнутые контакты;
- рн1 и рн2 – контакты РН.
Рассмотрим схему «А», у которой два равноправных ввода. Чтобы не допустить одновременное подключение линий применяется принцип взаимной блокировки, реализованный на контакторах МП1 и МП2. От какой линии будет питаться нагрузка, определяется очередностью включения автоматов АВ1 и АВ2. Если первым включается АВ1, то срабатывает пускатель МП1, при этом разрывается контакт мп1.2, блокируя поступление напряжение на катушку МП2, а также замыкается контактная группа мп1.1, обеспечивающая подключение источника 1 к нагрузке.
При отключении источника 1 контакты пускателя ПМ1 возвращаются в исходное положение, что приводит в действие контактор ПМ2, блокирующий катушку первого пускателя и включающий подачу питания от источника 2. При этом нагрузка будет оставаться подключенной к этому вводу, даже если работоспособность источника 1 пришла в норму. Переключение источников можно делать в ручном режиме манипулируя выключателями АВ1 и АВ2.
В тех случаях, когда требуется одностороння реализация, применяется схема «В». Ее отличие заключается в том, что в цепь управления добавлено реле напряжения (РН), возвращающее подключение на основной источник 1, при восстановлении его работы. В этом случае размыкается контакт рн2, отключающий пускатель МП2 и замыкается рн1, позволяя включиться МП1.
Что такое АВР и его назначение.
Помимо этого, контроллер АВР проверяет отсутствие короткого замыкания, в противном случае подача энергии на эту секцию недопустима. БУАВР имеет повышенную устойчивость к перенапряжению.
Как видите, создать своими руками схему автозапуска генератора не так уж и сложно. Каким образом это делается на автоматах — смотрите на рисунке справа.
Подключение реле серии ЕЛ очень простое и не представляет особых затруднений: к клеммам L1, L2, L3 подключаются фазы А, В, С соответственно, а через контакты и напряжение подается в цепь управления катушек контакторов, где в зависимости от состояния электрической сети реле управляет работой контакторов замыканием или размыканием этих контактов.
В квартиры устанавливают бесперебойники на аккумуляторах, которые преимущественно применяются для электронной техники. Автоматический ввод резервного питания, это полноценный механизм со своей логикой и своими органами чувств и управления.
Если у реле есть несколько контактных групп, то можно их запараллелить, но такое редко делается, обычно для больших токов берется схема с реверсивным пускателем либо на симисторах. АВР на реверсивном рубильнике с электроприводом Такая конструкция интересна прежде всего тем, что потребляет электроэнергию только в момент переключения, в отличие от контакторов, реле и т. Данные устройства предназначены для работы на стороне 0.

С технической точки зрения реле контроля трехфазного напряжения состоит из измерительной и силовой части. При исчезновении напряжения на первом вводе, отпадает контактор-1 и включается контактор В этой части мы разберем схему для трехфазной электрической сети, выполненную на двух контакторах, где в качестве управляющего элемента применено реле контроля фаз реле контроля трехфазного напряжения.
Но ведь источников питания может быть и больше. Потребитель остается со светом.
Она состоит из двух однополюсных автоматических выключателей, одного контактора и одного двухполюсного автоматического выключателя. В таком случае включить или отключить автомат можно с помощью специальных кнопок. Так, при отсутствии напряжения система переключит потребителя с основного на резервный ввод, однако при появлении напряжения на линии обратное переключение возможно только вручную — отключением питания автоматическим выключателем АВ2 или остановкой генератора.
Схема подключения АВР (380 Вольт)
https://youtube.com/watch?v=YCkQXV0x8w4
Как выбрать автоматику для генератора?
Автоматика для генератора представлена в 2 вариантах:
Ящик с контакторами. Если речь идет об электростанциях промышленного типа, оснащенных автоматической панелью, то использовать для них полноценный щит необязательно. Дело в том, что у электрогенератора уже имеется все необходимое: контролер; автоматы защиты и пр. По этой причине электростанции подобного типа обычно комплектуются ящиком с контакторами и кнопкой аварийного отключения. Подробно останавливаться на этом типе нет большой необходимости
Единственное, на что следует обратить внимание при выборе — приобретаемые контакторы не должны быть китайского производства, а сам прибор должен быть оснащен кнопкой аварийного отключения электроустановки.
Полноценный щит АВР. Им оборудуют портативную технику с ручной панелью. Именно с ним чаще всего и связывают большое количество случаев обмана потребителей
Несмотря на то что подобные изделия не удовлетворяют требованиям, которые должны быть соблюдены в отношении подобных устройств, однако за них просят очень большие деньги.
Именно с ним чаще всего и связывают большое количество случаев обмана потребителей. Несмотря на то что подобные изделия не удовлетворяют требованиям, которые должны быть соблюдены в отношении подобных устройств, однако за них просят очень большие деньги.
Подключение генератора. Варианты схем АВР для генератора
Сразу скажу, что генератор тут ни при чём, это в данном случае всего лишь источник резервного питания. В качестве этого источника может быть не только генератор, но и вторая фаза, и фаза с другой подстанции или другой линии. Схемы Автоматического включения резерва (АВР) универсальны и могут работать в разных ситуациях.
В принципе, что тут подключать? У генератора есть обычная розетка, в комплекте штепсельная вилка, какие проблемы? Но куда идёт провод от вилки? И как сделать так, чтобы схема подключения была удобной, правильной, а главное – безопасной?
Казалось бы, что проще – поставить переключатель, и нет проблем.

1. Схема подключения генератора через переключатель
Так многие и делают, и я так делаю, в зависимости от финансовых возможностей клиента. Только не надо забывать о двух важных вещах:
- Не переключать под нагрузкой!
- Правильно подобрать защиту и ток рубильника (переключателя).
Но мы не ищем лёгких путей, нам подавай автоматику и защиту от аварий и человеческого фактора.
Поэтому предлагаю рассмотреть второй вариант схемы:

2. Схема подключения генератора через реле контроля напряжения. Простейшая схема АВР.
Во второй схеме АВР применяется реле контроля напряжения KV. Фактически это обычное реле, которое находится во включенном состоянии, когда напряжение из города в норме. И перекидной контакт будет в левом по схеме положении.
Когда напряжение из города пропадает, реле выключается, и схема приобретает изображенный вид – нагрузка питается от генератора.
Реле контроля напряжения – основа любой схемы АВР. Для однофазных схем это обычное реле, которое питается от основной фазы.
Для трехфазных схем применяется трехфазное реле контроля фаз, которое подробно описано в другой моей статье.
Идём далее, совершенствуем схему АВР для автоматического подключения генератора:

3. Схема подключения генератора через реле и контакторы. АВР с усилением
Третья схема отличается от второй тем, что она может пропускать через себя гораздо бОльший ток. Реле напряжения KV используется только по своему назначению – автоматически переключает нагрузку, подавая питание на катушку соответствующего пускателя.
Когда напряжение из города есть, KV включено, оно своим нормально открытым (НО) контактом включает контактор КМ1, и фаза L1 поступает на нагрузку (выход схемы L).
Когда напряжение из города поступать перестаёт, KV выключается, и своим НЗ контактом включает контактор КМ2, и фаза L2 поступает на нагрузку.
Схема прекрасная, и даже рабочая. Но использовать её крайне опасно. Из-за отсутствия защит от замыкания “фаза L1 на фазу L2”. Такое замыкание может произойти из-за неисправности (залипания контактов, заклинивания реле или контакторов), или из-за пресловутого человеческого фактора – что если колхозный электрик решит нажать пускатель КМ2, когда включен КМ1?
Так вот, чтобы на порядок уменьшить вероятность аварий, на практике применяется такая схема АВР для генератора:

4. Схема АВР для генератора с электрической и механической блокировками
Отличие её от схемы 3 всего лишь в том, что в неё введены защиты от одновременного включения контакторов КМ1 и КМ2. Защита имеет две ступени – электрическая и механическая.
Электрическая блокировка реализована на НЗ контактах КМ1 и КМ2, которые взаимоисключают одновременное включение пускателей.
А механическая (обозначена на схеме перевернутым треугольником) обеспечивается конструкцией пускателей. Пускатель в данном случае должен быть обязательно реверсивным, подробнее читайте в статье про схему включения реверсивного пускателя.
Ну а практическая схема автоматики, будет выглядеть так:

5. Схема АВР для подключения генератора с блокировками и защитами
Добавились двухполюсные защитные автоматы QF1 и QF2, и ещё силовой контакт, рвущий нолевой провод N1 в случае отключения города.
Рвать “городской” ноль нужно для дополнительной безопасности. Дело в том, что на выходе генератора нет понятия “рабочий ноль” и “фаза”, и названы они так могут быть условно. И в случае залипания “фазного” контакта, когда ноль N1 не разорван (как в схеме 4) в городскую линию пойдёт напряжение 220В.
Эту схему я и собрал, сейчас покажу как.
Работа АВР с генератором
Электроснабжающие компании разделяют потребителей на три категории по степени надежности снабжения электроэнергией. Частные дома и квартиры относятся к третьей – самой низкой категории. В квартирах обычно применяют бесперебойные источники питания на аккумуляторах.
Для частного дома резервным источником питания также может быть бензиновый или дизель-генератор. Если прежде их вводили в работу вручную, то теперь возможен автоматический запуск. Все зависит от того, какую за это платить цену.
Для автоматического резервирования предпочтительно применять устройство с микропроцессорным управлением. В быту и производстве широко распространены программируемые реле-контроллеры Easy. На вход реле поступают сигналы с датчиков напряжения. При отключении питания контроллер запускает двигатель генератора. После достижения номинальных параметров, на что тратится определенное время, схема АВР переключает нагрузку на резервное питание. При этом имеют место временные задержки с подключением. Для бытовых нужд они допустимы, а для мощных и ответственных нагрузок задача становится более сложной.
На рисунке изображена схема бесперебойного питания с помощью дополнительного дизель-генератора.

Схема подключения резервного дизель-генератора к нагрузке
К входу АВР подключены сеть и генератор, а выход – к нагрузке. Основным источником питания обычно является сеть. При отключении напряжения в сети запускается генератор, после чего АВР подключает нагрузку к нему. Как только работа электросети восстанавливается, происходит переключение питания в прежний режим, а генератор через заданное время выключится. На рисунке ниже изображена электрическая схема бесперебойного питания.
Возможные способы реализации АВР с анализом работы
Функционирование АВР проще проанализировать на анализе нескольких типовых решений, указанных далее.
Простые
На рисунке указана типовая система, переключающая бытовую сеть на работу от резервного генератора:
Данная схема предусматривает дополнительно защиту сети от КЗ, наличие электрического и механического блокирования, исключающего одновременное подключение обоих источников.
Также читайте: Какая допустимая температура масла в силовом трансформаторе
На рисунке представлены следующие элементы:
- АВ1 и АВ2 – коммутаторы двухполюсного типа на главном и запасном входе, срабатывающие автоматически;
- К1 и К2 – контакторные катушки;
- К3 – реле напряжения;
- К1.1, К2.1, К3.2, К3.1 – контакторные клеммы нормально-замкнутого типа;
- К1.2, К2.2, К3.2, К2.3 – клеммы нормально-разомкнутого типа.
При нормальной работе К3 подключена, со срабатыванием посредством реле К3.2 и отключением К3.1. Подключена обмотка К2, замыкая К2.2 и К2.3, размыкая К2.1, являющегося электрическим блокированием, исключающим включение К1.
При создании аварийной ситуации, ток перестаёт поступать на обмотку К3, с занятием клемм реле начального положения. К1 отключается, изменяется статус клемм К1.1 и К1.2. К1.1 обеспечивает защищает сеть, исключая включение К2. К1.2 убирает блокировку нагрузки.
Срабатывание механической блокировки обеспечивается реверсивным устройством, представленным на рисунке в виде треугольного значка, вершиной книзу.
Схема подключения АВР на контакторах:
АВР в промышленной сфере
Промышленные системы работают в аналогичном порядке. На рисунке представлен типовой вариант шкафа АВР:
Изображены элементы:
- АВ1, АВ2 – защитные устройства трехполюсного типа;
- S1, S2 – механические коммутационные устройства;
- КМ1, КМ2 – контакторные устройства;
- РКФ – фазные контролирующие реле;
- L1, L2 – индикаторные модули;
- км1.1, км2.1, км2.2, ркф1 – клеммы в разомкнутом состоянии при нормальном режиме;
- км1.3, км2.3, ркф2 – замкнутые клеммы.
Система функционирует по аналогичному принципу, но применяется реле, выполняющее контроль по каждой фазе. В случае перекоса или пропажи питания, схема переключается на запасной ввод, возвращаясь в штатный режим при восстановлении нормальных характеристик.
АВР для высоковольтных линий
Для систем высокого напряжения порядок работы сохраняется прежний, но конструкция устройства усложняется:
Представленная система исключает применение резервных трансформаторов. Шины Ш1 и Ш2 задействованы соответственно через трансформаторы Т1 и Т2, равнозначными по значению. При нормальной работе характерно разомкнутое положение секционного коммутирующего элемента СВ10, с контролем работы ТП от ТН1 Ш и ТН2 Ш.
Также читайте: Формулировка закона Ома для участка электрической цепи
При прекращении подачи питания на Ш1, отключается выключатель В10Т1, и включается СВ10. При этом напряжение на обе секции подаётся от одного трансформатора. При нормализации ситуации, схема возвращается в исходное положение.
Виды АВР для высоковольтной сети:
Микропроцессорные бесконтактные системы
Для микропроцессорных управляющих блоков используются АВР на полупроводниковых элементах, отличающихся большей надёжностью.
Блок АВР
Такие системы обладают следующими достоинствами:
- исключением механических соединений, что позволяет избавиться от связанных с этим неудобств в виде дефектов указанных контактов;
- пропадает надобность использования механического блокирования;
- расширенным спектром регулировки характеристик переключения.
К минусам стоит отнести сложность в ремонте и непростую конструкцию, разобраться в которой по силам только квалифицированным специалистам.
Применение АВР позволяет обеспечить штатный режим эксплуатации энергосистем, как в условиях бытового потребителя, так и на промышленных предприятиях.





