Оглавление
Вариант упрощенной схемы квартирного щитка
Простая схема квартирного электрощитка
Самостоятельно можно собрать небольшой электрощиток и установить его в квартире. Чтобы не запутаться, стоит выбрать максимально простую схему. Она должна соответствовать требованиям ГОСТ 32395-2013.
Представленную ниже схему электрического квартирного щитка целесообразно применять для одно- или двухкомнатной квартиры с общей длиной кабелей 300-400 м. Работы осуществляются так:
- Ставится вводный выключатель напряжения с токовым номиналом от 40 А, если в квартире однофазный тип нагрузки и есть электроплита.
- Производится разводка проводов на группы, указывается марка и тип сечения кабеля. Для освещения оптимальным будет кабель 1,5 мм2 и автомат на 10 А, для розеток подойдет провод 2,5 мм2 и прибор на 16 А.
- Санузел можно подключить на дифавтомат с токовой утечкой 10 мА, совместив потребителей и освещение в одну группу.
- Варочную панель и духовку запитывают как два разных потребителя.
- Для защиты от колебаний напряжения и неисправности оборудования можно выбрать реле напряжения с простейшей системой подключения (на входе и выходе фаза+ноль).
Преимущество схемы состоит в недорогой себестоимости узлов, возможности применения в маленькой квартире. Минус расключения – отсутствие срабатывания защиты при токовой утечке во всех группах, за исключением санузла.
Какие электроприборы должны находиться в щитке
В зависимости от того, квартира это или частный дом, электро-щитки могут устанавливаться по-разному, в зависимости от того, где установлен счетчик и вводной автомат. В наше время, счетчик и вводной автомат, если взять частный дом, устанавливаются снаружи, в удобном для контроля месте. Щиток же устанавливается внутри дома, где удобно осуществлять контроль за электроосвещением и работающими электроприборами. Несколько десятилетий назад и счетчик, и защитные «пробки» устанавливались в доме, что было крайне неудобно для контролирующих организаций. Им приходилось заходить в частные дома, что не очень нравилось хозяевам. Теперь же, когда счетчик располагается на улице, удобно и контролировать, и снижать показания.
К сожалению, не везде и не всегда возможен подобный вариант. В таком случае, счетчик ставится в квартире в щитке, где расположены и автоматы выключения. Поэтому, при установке щитка необходимо учитывать габариты счетчика и количество выключателей.
В многоквартирных домах, как правило, счетчики и вводные автоматы расположены на лестничных площадках, в специальных электро-щитках, куда помещается сразу несколько счетчиков, обслуживающих несколько квартир. При этом, никаких щитков в квартире не предусмотрено, особенно, если квартира не современной планировки. В случае ремонта в квартире, электро-щиток просто необходим, так как это позволит разделить электропитание практически всех комнат, что делает их независимыми. Это особенно актуально в случае какой-либо аварии, когда можно отдельным автоматом обеспечить данную линию и проводить ремонтные работы. При этом, в остальных комнатах все электроприборы будут функционировать, как и прежде.
С электричеством шутки всегда заканчиваются плачевно, поэтому, вопрос безопасности должен стоять на первом месте. Существует такое устройство, как УЗО – устройство защитного отключения (фото выше №3 ), которое необходимо установить перед автоматами, которые распределяют нагрузку в квартире. Это устройство защищает линию, даже если такие утечки минимальные, что снижает к минимуму поражение электротоком. УЗО включается следующим образом: фаза подключается на входы автоматов, а нулевой провод соединяется с нулевым общим проводом. Автоматы так же имеют встроенную защиту от превышения нагрузки и от коротких замыканий.
Еще один интересный прибор, без которого порой совсем не обойтись – это стабилизатор. Ни для кого не секрет, что качество электроснабжения у нас отвратительное: напряжение постоянно «скачет» от 160 V до 280 V, что негативно сказывается на работе некоторых электроприборов, работа которых управляется микропроцессорами. В связи с этим, такая техника, как компьютеры, стиральные машины, холодильники, аудио и видео комплексы требуют стабильного напряжения. Если что-то случится, то их ремонт может дорого обойтись, поэтому, лучше перестраховаться и приобрести стабилизатор не на всю квартиру, а только на ответственные бытовые приборы. Естественно, что об этом следует подумать заранее и объединить ответственные розетки питания в одну группу.
Стабилизатор можно установить, как на одну, так и на несколько групп, если включить его перед автоматами. При этом, нужно тщательно рассчитать необходимую мощность и позаботиться о запасе мощности хотя бы в 20 %, чтобы стабилизатор не перегревался
При этом, следует взять во внимание тот факт, что размеры стабилизатора не позволят поместить его в щиток, а это означает, что стабилизатор придется устанавливать отдельно и об этом необходимо позаботиться заранее
В электро-щитке располагается 2 шины: шина заземления и шина зануления. К шине заземления подключаются все провода, соединенные с заземлением приборов и устройств. На шину зануления подключается провод от УЗО (нулевой). Нулевая линия всегда обозначается буквой «N» и при разводке к нему подключаются все белые или зелено-желтые провода, а фазный провод всегда красный или коричневый. Именно поэтому, для разводки желательно применять разноцветные провода, чтобы потом не пришлось вызванивать каждый провод. Это особенно актуально для тех, кто делает это первый раз: можно накрутить такое, что потом несколько дней специалистам придется разбираться.
Все автоматы в щитке соединяются параллельно, а точнее, верхние клеммы, куда подается фаза. Нижние же клеммы подключаются каждый к отдельной линии, которые питают отдельные комнаты.
Вариант DIN-реек в корпусе щитка
УЗО и автоматы крепятся на специальную DIN-рейку, с помощью защелок, поэтому проблем с установкой подобных аппаратов не должно быть никаких.
Соединительная гребенка для автоматов в электрощите
Как собрать электрощит своими руками
Watch this video on YouTube
Схема сборки
Это – очень ответственное занятие, при котором требуется строжайшее соблюдение техники безопасности.
Сборка электрощита производится в следующем порядке:
- Установить DIN-рейки 35 мм для:
- Нулевой шины – на изоляторах;
- Шины заземления — непосредственно на корпус;
- Пакетников;
- Счетчика.
- Подвести вводной кабель в верхний левый угол шкафа.
- Установить там же вводной автомат.
- Установить две шины для ноля и заземления.
- Если есть PEN-проводник, сделать перемычку от нулевой шины на заземляющую.

Установить автоматы. Начать с вводного, а потом отвести провода на групповые предохранители отходящих линий. Следите за тем, чтобы в вашем щитке провода пересекались минимально.
Зачищая изоляционный слой на проводах, сделайте так, чтобы оголенная часть жилы не выступала за пределы клеммы пакетника. Если это произошло, установите на оголенную часть провода специальный изолирующий наконечник.
Соединить автоматические предохранители перемычками. Убедитесь, что сечение перемычки соответствует сечению вводного провода. Более современный и надежный вариант – вместо перемычек установить «гребенку» (фазную шину).
Установить УЗО. Это устройство в обязательном порядке монтируется на группу сильноточных приборов и отдельно на группу остальных розеток. Для подсоединения УЗО фазу заводят с автоматического предохранителя, а ноль – с нулевой шины.
Заглушить оставшиеся неиспользуемые отверстия для проводов.
Образец схемы сборки электрощита в дачном доме представлен на этом фото:

Алгоритм сборки и подключения
Вне зависимости от того, какая выбрана схема щитка, мероприятия по сборке осуществляются последовательно. Они производятся только в чистой и сухой комнате.
Установка корпуса
Крепление корпуса в стене
Навесные модели ставятся на специальный крепеж, а встроенные – в нишу. Боксы допускается собирать в хорошо освещенной комнате у выхода. Влажность помещения должна составлять 15 %, расстояние до ближайшего выступа – 15 см, до газопровода – от 1 до 1,5 м, от пола – не ниже 1,4 м и не выше 1,8 м.
Дальнейшая инструкция по сборке встроенной модели предусматривает следующие действия:
- Разметка при помощи уровня участка, где будет стоять электрощит. Рисуется линия, по краю которой прикладывается и обводится корпус.
- Выполнение болгаркой разрезов по рисунку. Диск должен погрузиться в стену на 1/2.
- Проделывание зубилом или перфоратором ниши по толщине ящика.
- Проверка соответствия габаритов корпуса глубине ниши.
- Установка штатного крепления на корпус, разметка точек вкручивания саморезов.
- Просверливание перфоратором отверстий под крепежи.
- Монтаж дин-рейки с модулями.
- Заполнение полостей монтажной пеной.
Если в комплекте с навесной моделью не идет крепеж, ее можно прибить на стенку дюбелями. Для усиления крепления бокс садится на алебастр.
Правильная организация кабелей
Пример правильного ввода кабелей в щиток
Организация кабеля производится так:
- Снятие крышки щитка и проделывание в ней отверстий под гофротрубу диаметром от 16 до 20 мм.
- Обрезка гофротрубы перед выводом.
- Удаление заглушки и подвод вводного провода к соответствующему автомату.
- Установка кабеля на планку с проушинами, крепление его пластиковым хомутом. Стяжка подрезается под нужную длину кусачками.
- Маркировка провода фломастерами.
- Укладка провода в термоусадочную трубку, обозначение буквами.
- Проделывание на заглушке насечек для плотной фиксации в отверстиях.
- Размещение заглушки в установочном месте и ее крепление при помощи винтов.
Последовательность разделки проводов
Снятие изоляции с провода
Для снятия изоляции применяется специальный ножик с пяткой. Каждая жила после удаления изоляционного слоя маркируется. Дальнейшие действия:
- Разделение провода слева направо вверху и направо от левого угла внизу.
- Снятие изоляции с кончика кабеля ввода.
- Обмотка проводов на 10 см до кончика малярным скотчем.
- Маркировка кабеля.
Способы защиты внутренней начинки щитка
Изоляция проводов с помощью изоленты
Внутренние детали – самая дорогостоящая часть системы. Чтобы в нее не попала пыль и частицы мусора, можно закрыть кончики проводов колпачками от ручек, фломастеров или изолентой. Подвижные элементы снимаются с корпуса, а кабели располагаются внутри без резких перегибов. Схема укладки реализуется в направлении или против часовой стрелки, слева направо. Перегибы недопустимы.
В конце работ понадобится закрыть картонной накладкой или комплектной крышкой бокс и проклеить зазоры между стыками бумажным скотчем.
Первичная сборка электрического щитка на рамке
УЗО защищает участок сети от перенапряжения, дифавтомат способен обезопасить всю электросеть
Для сборки щитка будет необходим набор диэлектрических отверток, среди которых есть инструмент с прямым шлицем, стриппер, пассатижи, кусачки и ножовка, шуруповерт и тестер. Модули компонуются по двум схемам:
- линейная – сначала ставятся дифавтоматы и УЗО, потом автоматические выключатели;
- групповая – сразу стоит УЗО или дифавтомат, потом – автоматы, потом детали повторяются.
Пошаговый процесс сборки на рамке:
- Монтируются модульные узлы.
- Устанавливаются устройства с выбранным номиналом.
- Ставятся гребенки для соединения автоматов.
- Подкидываются фазные провода.
- Производится зануление отдельным проводником.
- Подключается земля на специальную шину.
- Ставятся приборы с тестовыми кнопками.
После сборки выполняется крепление щитка на стену. Перед тем как расключить короб, следует проверить качество доступа к нему.
Правила выполнения работ
Чтобы не повторятся и не описываться процесс замены проводки несколько раз, в этой статье мы предоставим лишь ключевые моменты, на которые нужно обратить внимание. Итак, если вы хотите поменять электропроводку по частям в частном либо панельном доме, учитывайте следующие рекомендации:
- Кабель нужно использоваться трехжильный, медный, с двойной изоляцией. В квартире и доме рекомендуем проводить кабель ВВГнг либо NYM. Для розеток выберите сечение 3*2,5 мм.кв., на группу освещения достаточно будет проложить проводник сечением 3*1,5 мм.кв. На электроплиту можно вывести кабель сечением 4 мм.кв. В любом случае нужно рассчитать сечение кабеля по току и на основании готовых значений выбрать подходящий размер.
- Розетки и выключатели замените на новые в любом случае. Розетки должны быть рассчитаны на 16А. В ванной комнате и на кухне (рядом с мойкой) поставьте розетки с крышками, чтобы защитить контакты от попадания влаги.
- Соединять провода разного металла нужно специальными клеммниками либо опрессовкой соответствующими гильзами. Обычные заизолированные скрутки делать ни в коем случае нельзя.
- Защитить линию от перегрузок и короткого замыкания нужно автоматическим выключателем. От утечек тока защитит УЗО. О том, как выбрать УЗО мы рассказали в отдельной статье, про выбор автоматического выключателя также шла речь. Можно также выбрать дифавтомат, который защитит и от перегрузок, и от КЗ, и от утечек тока.
- В частном доме обязательно нужно сделать заземление. В квартире не всегда удается организовать заземляющий контур. В этом случае спасет установка УЗО и организация системы уравнивания потенциалов.
- Обязательно необходимо заменить старые пробки на автоматы, а также старый индукционный счетчик, если его класс точности 2,5.
- Все работы должны проводится при отключенном напряжении. Если понадобится розетка для подключения электроинструмента, можете запитать ее напрямую от щитка, обязательно отключив все остальные линии.
- Перед тем, как приступить к электромонтажу, обязательно изучите описанные нами ошибки при монтаже электропроводки, а также требования, предъявляемые к электромонтажу. Информация достаточно полезная и позволит избежать наиболее популярных ошибок, допускаемых домашними мастерами и электриками-самоучками.
- Чтобы не переплатить и по несколько раз не менять автоматы и основные силовые линии, рекомендуем даже перед тем, как выполнять частичную замену проводки, обязательно составить схему электропроводки, причем не определенной комнаты, а полную.
- Перед проведением работ обязательно подготовьте весь необходимый инструмент, а также составьте смету на электромонтажные работы. Чем тщательнее будет выполнена подготовка, тем быстрее будет произведен основной процесс. Весь необходимый инструмент изображен на фото:
Учитывая все предоставленные выше советы вам удастся безопасно и правильно выполнить частичную замену электропроводки. Все же после выполнения работ, до отделки стен, рекомендуем пригласить электрика, чтобы он еще раз все проверил и прозвонил цепь.
Напоследок рекомендуем просмотреть полезное видео по теме:
Теперь вы знаете, как организовывается частичная замена проводки в квартире и частном доме. Если вы все же решили поэтапно менять электрику, советуем делать это с небольшим интервалом относительно окончательной, полной замены проводов. Не нужно затягивать с полной модернизацией электрической сети, т.к. старые провода и электрофурнитура могут стать причиной возникновения пожара или же что еще более опасно — причиной поражения током.
Порядок сборки
После получения разрешения на подключение к трем фазам и технического условия, приступим к самостоятельной сборке щита. Ввод будет монтироваться в герметичном боксе, который нужно собрать на наружной стене частного дома или столбе. В нем установлен трехфазный счетчик и автоматический выключатель, как показано на фото ниже:

Возле ввода организовываем устройство заземления, согласно правилам. Вводной щит учета электроэнергии будет опломбирован и свободного доступа к нему не будет. Поэтому первым делом нужно самостоятельно собрать трехфазный распределительный щиток, распределив потребителей по своему желанию.
От вводного бокса к распределительному электрощиту заводится 5-жильный кабель L1; L2; L3; N; PE, или 4-х жильный L1; L2; L3; N при условии использования схемы заземления TN-C-S или организации еще одного устройства заземления возле щитка.
Для подключения трехфазного домашнего оборудования собрать щит нужно будет по следующей схеме:
Сборка щита учета на 380 вольт выполняется многожильным проводом, сечением не менее 4 мм с цветной изоляцией. Рекомендуемые цвета — L1 красный, L2 белый, L3 черный, N синий, PE желто-зеленый. Чтобы правильно собрать трехфазный щиток, нужно внимательно смотреть на защитные устройства, на которых нанесены отметки фаз для подключения проводов. На данной схеме представлены четырехполюсные защитные аппараты УЗО, с дополнительной клеммой N, в обычных автоматах эта клемма может отсутствовать. По очереди установленные в щитке на DIN-рейку устройства начинаем коммутировать, отмеряем провод от клеммы L1 до клеммы L1 следующего за ним устройства, с запасом 30%, для удобства монтажа и эксплуатации.
Такую операцию проводим со всеми клеммами, однако учтите, что заранее нарезать отрезки не рекомендуется, потому что в процессе сборки заметите, что длина отрезка L1 намного короче монтажного отрезка L3. Еще лучше собрать щит, используя монтажную трехфазную шину, которая сэкономит место и сведет к минимуму шансы что-то перепутать. Отдельно ставим нулевую шину и шину РЕ, которую обязательно соединяем с корпусом щитка учета электроэнергии.

Если же у вас в квартире либо доме нет мощного оборудования, нужно собрать щиток на 380в таким образом, чтобы каждая фаза была равномерно нагружена однофазными потребителями. Пример такой сборки трехфазного электрощита в частном доме вы можете увидеть ниже:

В данной схеме электрического щита фазы распределены на отдельную нагрузку, через однополюсные автоматы и дифференциальные выключатели. L1, L2 и L3 равномерно нагружены потребителями, согласно предварительно посчитанной предполагаемой нагрузке.
Не рекомендуется делать так — одна фаза на розетки, другая на освещение, третья на любые другие нужды, т.к
важно распределять нагрузку между L1, L2, L3. Если одна из фаз чрезмерно нагружена, происходит просадка напряжения на ней, в это же время на свободных происходит подъем напряжения. Это явления часто можно наблюдать в зимнее время, в жилом секторе
Если ваш сосед по фазе включил мощный потребитель, у вас в доме стали тускло светить лампы освещения, и холодильник натужно стал гудеть. Знайте это просадка вашей фазы. А в это же время у других соседей, запитанных от других фаз, начинают ярко светиться и взрываться лампы, перегорать техника, и даже может возникнуть пожар
Это явления часто можно наблюдать в зимнее время, в жилом секторе. Если ваш сосед по фазе включил мощный потребитель, у вас в доме стали тускло светить лампы освещения, и холодильник натужно стал гудеть. Знайте это просадка вашей фазы. А в это же время у других соседей, запитанных от других фаз, начинают ярко светиться и взрываться лампы, перегорать техника, и даже может возникнуть пожар.
Что касается трехфазной нагрузки, для нее такой перекос будет фатальным. Чтобы этого не происходило, когда вы решите собрать щит, дополнительно установите реле контроля фаз и напряжения для трехфазной сети. Для однофазной сети выполняют подключение реле напряжения. Проконтролировать распределение нагрузки можно с помощью мультиметра с токовыми клещами, который показан на фото ниже.

Ну и последний вариант сборки щита учета электроэнергии на 380 вольт — смешанный, когда в домашней электросети присутствуют и трехфазные и однофазные потребители электроэнергии. В этом случае собрать электрощит нужно следующим образом:


Выбор места установки
Электрический щиток у двери в прихожей
Прежде чем сделать электрощиток для дачи или дома своими руками, следует побеспокоиться о выборе места под него. Удобнее всего повесить шкаф на участке стены возле входной двери в районе прихожей. В этом случае расстояние от столба с отводом будет минимальным, длина прокладываемого кабеля невелика. По высоте его размещают с учетом того, чтобы удобно было снимать показания счетчика и переключать распределительные (линейные) автоматы.
В отличие от старых щитков с открытым расположением пробок и рубильников, новые изделия совсем необязательно размещать высоко под потолком.
Корпус изделия надежно укрывает опасные для детей элементы коммутационного оборудования. Главное – обеспечить надежный запор, открываемый только с помощью ключа.
Как правильно подключить к электросчетчику провода
Когда я зажимал провода в клеммах электросчетчика, то перед зажимом просто снял с проводов изоляцию на полтора сантиметра и вставил в клемму.
Верстая эту статью, понял, что можно было подключение сделать более надежным. Клеммы у счетчика «Меркурий 200» представляют собой две плоские пластины, между которыми зажимаются провода. Ширина пластин составляет около 5 мм. Следовательно, была упущена возможность увеличить площадь контакта проводов с клеммами простым способом. А сейчас переделать уже поздно, так как счетчик опломбирован.
Электропроводка в моей квартире выполнена проводом диаметром 1,8 мм, следовательно, если перегнуть провод, как на фотографии, то он свободно войдет в клемму счетчика и таким образом площадь контакта провода с клеммой увеличится в два раза. В дополнение будет исключен перекос контактных пластин в клеммах. Таким способом желательно подключать провода и к УЗО или автоматическим выключателям, если у них присоединительные клеммы имею плоскую форму и позволяет диаметр провода.
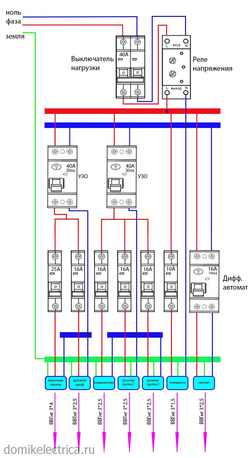
Схема электрощитка в квартире с УЗО в отдельных группах

Данная схема уже более совершенна. Ее можно применять как в небольших квартирах, так и в квартирах с общей длиной проводки превышающей 400м. Здесь нет вводного УЗО, так как достаточно выключателя нагрузки (не забывайте про автомат в этажном щите со счетчиком).
Присутствует защита от утечек тока на отдельных группах розеток и сплит системы (кондиционера). Причем один защитный аппарат УЗО стоит на объединенных группах, каждая из которых в свою очередь защищена от перегрузок автоматическими выключателями.
Линии освещения целесообразно защищать от утечек, если вы применяете настенные светильники с металлическими корпусами и периодически их протираете или меняете лампочки не выключая напряжение. В большинстве случаев здесь можно обойтись простыми автоматами.
Та же схемка, но с реле напряжения:

Вступление
В продолжении серии статей «Электрика в деревянном доме», хочу представить типовой трехфазный щит учета и распределения для частного дома, рассчитанный для выделенной мощности 15 кВт. Данный щит является вполне стандартным и часто встречается в продаже, как типовой вариант сборки. Щит представлен в трех комплектациях фирм ABB, IEK, Schneider Electric.
типовой трехфазный щит учета
Сразу замечу, что место установки щита учета определяется сетевой организацией при выдаче разрешения на подключение выделенной мощности. О нюансах установки счетчика вне дома читайте статью (Установка счетчика вне дома ). Типовым считаем щит учета, предназначенный для установки на фасаде дома, опоре линии электропередачи или специальной опорной конструкции, что соответствует требованию большинства сетевых организаций.
Начнем с корпуса электрического щита. Согласно нормативам, на фасаде деревянного дома устанавливаются металлические щиты со степенью защиты IP =65, аналогичную степень защиты должен иметь щит, устанавливаемый на опоре. В щите должно быть предусмотрено окошко для считывания показаний счетчика и ключ для запирания дверцы. Прочность корпуса должна быть достаточной для защиты от механических повреждений.
5. Способ соединения проводов в распределительных коробках
Любое соединение проводов обладает переходным сопротивлением, на нём падает напряжение. А значит – происходит нагрев. Защитный автомат защищает не только кабель, но и соединения в распред. коробках. И чем они качественней, тем меньше шансов, что при КЗ или перегрузе скрутка выгорит.
Я считаю, что все типы соединений имеют право на жизнь – и клеммы Ваго, и скрутка с пропайкой, и гильзы, и сварка, и простая скрутка. А их качество зависит прежде всего от совести и профессионализма электрика. И ограничения тока через эти соединения!
Учитывая контакты, максимальный ток электросистемы надо также понижать до 0,7 от макс. тока кабеля. А это 19х0,7=13,3А
№7. Количество модулей в распределительном щитке
Принципиальное отличие всех щитков – количество модулей. Некоторые ошибочно считают, что их число должно быть кратным 12, но это не всегда так: используются щитки, рассчитанные на 16 и 18 модулей, есть даже компактные модели, в которых число модулей не превышает 10.
Чтобы определиться с тем, какое количество модулей необходимо в вашем случае, для начала лучше всего составить схему электропроводки с указанием всех точек потребления, сюда входят розетки, осветительные приборы, отдельно выделяют электроприборы, которые потребляют много энергии (кондиционер, стиральная машина, бойлер). Далее определяются группы. Для осветительной проводки используют автоматические выключатели на ток 10 А, для розеточной – 16 А. В качестве коммутационно-защитных устройств можно использовать не только автоматические выключатели, но и УЗО, или же заменить эти два устройства на дифференциальный автомат. Количество УЗО, автоматов и дифавтоматов необходимо знать для правильного выбора количество модулей. Также стоит учитывать наличие счетчика и его размеры.
Ширина одного модуля – 18 мм, она равняется ширине однополюсного выключателя. Для подключения двухполюсного автомата понадобиться 2 модуля, трехфазного автоматического выключателя – 3, однофазного УЗО – 3, трехфазного УЗО – 5, электросчетчика – от 6 до 8 в зависимости от его размеров (ширину прибора можно просто поделить на 18 мм).
Для квартиры в ряде случаев достаточно щитка на 12-16 модулей. Если счетчик будет располагаться в щитке, то придется брать устройство на 16-24 модуля. Для большого частного дома может потребоваться щиток на более чем 24 модуля. В больших коттеджах иногда ставят два щитка, так как из-за большой протяженности проводки один в случае аварии не всегда может оперативно сработать, а может и не сработать вовсе.
Кроме того, в щитке могут располагаться устройства защиты от перенапряжений, фотореле или пускатели автоматического включения света. Если нет уверенности в том, что вы сможете сделать правильный выбор распределительного щитка, то лучше доверьтесь специалистам. Помощь, скорее всего, понадобится и при сборке, установке щита и подключении к нему всех групп электроприборов – с электричеством лучше не шутить.
Видеоуроки по монтажу
Если ознакомившись с предоставленной информацией вы все же не до конца поняли, как правильно собрать трехфазный щиток, советуем просмотреть видеоролики, в которых наглядно демонстрируется порядок сборки:
Вот и все, что хотелось рассказать вам о том, как собрать щит учета электроэнергии 380в своими руками. Как вы видите, выполнить подключение можно только при наличии определенных навыков, т.к. при сборке нужно учитывать множество нюансов, таких как равномерное распределение нагрузки и правильный выбор номинала автоматов.
Также рекомендуем прочитать:
380 провожу для подключения 9 кВт водонагревателя для отопления частного дома! От счётчика провожу только одну линию 220в т.к. менять всю проводку в доме, что бы равномерно распределить нагрузку на все 3 линии нет возможности! Большая ли будет «неравномерность нагрузки» при включении холодильника и чайника и как это повлияет на напряжение в доме?

Особенности электрического щитка

Часто ремонт в доме надо совмещать с ремонтом электрической проводки. Если делать ее с большим запасом прочности, то это в конечном итоге может быть причиной пожара.
Если же наоборот, сделать ее маловыносливой к нагрузкам, то на электрическом щитке в частном доме придется постоянно менять пробки. Поэтому и щиток, и проводка должны быть тщательно рассчитаны под силу тока и напряжение.
Что такое сила тока
Любой электроприбор имеет указатель с силой тока и потребляемой мощностью. Если на нем нет значений силы тока, а есть только потребляемая мощность и напряжение, то надо мощность поделить на значение напряжения.
При расчете электрического щитка в частном доме надо выходить именно из силы тока. Максимальное значение силы тока в квартире определяется как сумма потребляемых мощностей всех включенных приборов, деленная на напряжение 220 Вольт. Если проводку рассчитать на малую силу тока, то при небольшой нагрузке они могут сгореть.
Необходимо рассчитывать не номинальную, а пиковую нагрузку, потому что в любой квартире иногда включают пылесос, утюг. Так, например, если в комнате постоянно включен компьютер 400 Вт, лампа 100 Вт, настольная лампа 75 Вт, телевизор 150 Вт, а также «блуждающая нагрузка» обогревателя 2 кВт, пылесоса 1,8 кВт, то пиковое потребление комнаты составит 5,5 кВт или же 25 ампер.
Для чего нужен щиток
Многие владельцы домов не знают, для чего нужен электрический щиток. Его главное предназначение – защита от перегрузок сети, которые могу вызвать пожар.
Если проводка имеет низкое поперечное сечение, то при больших нагрузках она может не выдержать и загореться. Если на электрическом щитке будут стоять завышенные автоматы, то если в доме на длительное время будут включены приборы высокой мощности, то розетки могут выгореть.

Если завысить сечение проводки, то квартира, по сути, также останется без защиты: автоматы могут не среагировать на высокие параметры нагрузки. Словом, щиток должен иметь оптимально подобранные пробки, которые должны совпадать и с потребляемой мощностью, и с сечение проводки.
Какие бывают провода
К щитку подсоединяются стандартные провода. Медная проводка имеет четыре стандартных типа сечения – от 1,5 мм 2 до 6 мм 2. Допустимая сила тока самого тонкого провода – 15 ампер, самого толстого – 34 ампер. Алюминиевый провод должен иметь гораздо большее поперечное сечение. Мягкие кабеля использовать не рекомендуется, так как могут быть проблемы с безопасностью проводки.

Будьте осторожны: щитки в частном доме и розетки не подходят на провода меньше, чем полтора кв. мм. Не нужно брать также автоматы меньше, чем 10 ампер.
Что нужно установить в щитке
В щитке необходимо предусмотреть разделение проводки на несколько линий. Если в доме будет одна линия, то в случае аварии весь дом будет обесточен. При делении проводки на несколько частей легче будет определить место аварии.
В электрический щиток в частном доме нужно устанавливать несколько автоматов. Например, для каждой комнаты надо установить отдельный автомат. Идеально, чтобы и на освещение также был автомат. На автоматы питание приходит через один большой автомат. Это надо для того, чтобы можно было оперативно обесточить всю комнату. Автомат нумеруется в положении слева направо.
Установка и замена щитка
Вы можете установить электрический щиток самостоятельно. Самая простая процедура в этом случае – замена автоматов.
На щитке видно счетчик, а также пакетный выключатель и автоматы. Пакетный выключатель имеет вид устройства с четырьмя контактами и рукояткой поворотного типа. С магистральных электропроводов на щиток приходит фаза и ноль.
Перед заменой автоматов необходимо проверить их номинал и купить такой же. Ни в коем случае не надо устанавливать автомат большего номинала, так как это приводит к авариям, если на один автомат включить одновременно много мощных приборов.
Замена автоматов делается при полностью отключенном пакетном выключателе. Однако при этом надо быть осторожным, иначе при неверном движении можно остаться без света. Помните о том, что пакетный выключатель самостоятельно нельзя отремонтировать или установить. Для этого надо вызывать квалифицированного электрика.
Если при установке автоматов происходит короткое замыкание, то нужно проверить состояние изоляции проводов и в случае необходимости заменить ее с помощью изоленты.
Пластиковые корпуса для электрического щитка можно купить в магазине. Как правило, они имеют уже готовую DIN-рейку. В комплектность товара входят также колодки для заземления и ноль. Корпуса с пластиковыми рейками покупать не стоит, так как они ломаются и не обеспечивают нужной безопасности.
(Ещё нет голосов)
Комментариев пока нет!
Удобство монтажа
Более дорогие автоматы могут иметь некоторые отличия в части подключения проводов. Например, ABB серии S снабжены двойными клеммами.
Под один зажим можно подключить провод, а под другой монтажную шинку или перемычку на следующий автомат.
Щитки собранные на ABB серии S получаются как бы многослойными.
первый слой – питающие провода, идущие за Din рейкой
второй слой – гребенка
третий слой – провода с верхних клемм автоматов
четвертый слой – отходящая проводка с нижних клемм
Но момент удобства монтажа важен в первую очередь электрикам, а не вам. Мастер может выполнить двойное подключение на автоматах и другим способом – специальным наконечником НШВИ под два провода.
Вам то зачем за это переплачивать? Мастеру конечно выгодно сделать все быстрее, красивее, может даже выложить фоточки собранного эл.щитка в инстаграмм. Но клиенту от этого будет не холодно, ни жарко.
Алгоритм распределения нагрузки по трем фазам
Основные сложности при сборке конструкции – группировка и равномерное разделение нагрузки так, чтобы мощная техника не становилась причиной выключения из-за перегрузки. Это выйдет при суммарной мощности, не превышающей номинал и не одновременной работы всех устройств.
Общий порядок группировки нагрузки на автоматы

Таблица степеней защиты
Простой и надежной является схема с установкой для отдельной потребительской группы или мощной техники индивидуального автомата и УЗО. Минусами подключения являются большой трехфазный щиток и затраты на его обустройство. Альтернативой является подвод нескольких линий к одному автомату и правильная последовательность их объединения:
- Для подключения розеток и осветительных устройств нужно использовать разные автоматы. Это исключит обесточивание всей сети при поломке одной группы.
- Ванную комнату, кухню или баню («мокрые зоны») нельзя размещать в одной группе с «сухими». Автоматы для влажной среды подбираются с иными характеристиками.
- Уличная группа – свет и розетки подсоединяются к отдельным автоматическим приборам. Допускается совмещение данной группы с хозпостройками.
- Для питания автоматических ворот, охранного освещения и СКУД применяются отдельные автоматы.
- Для запитки мощной бытовой техники ставятся персональные УЗО и автоматы. Можно группировать электрический духовой шкаф с электроплитой, стиралку и посудомойку, проточный и накопительный бойлер. Во избежание перегрузки приборы не рекомендуется подключать единовременно.





