Оглавление
Две большие разницы
Упомянутые выше котлы – крайности огромного разнообразия моделей газовых водогрейных устройств. Именно они доступны для самостоятельной установки. Любой другой газовый котел отопления для монтажа требует профессиональной работы. Впрочем, нет худа без добра – специализированные фирмы берут на себя и подготовку помещения с оформлением документов. Но почему только «кончики ножниц» можно устанавливать самому?
Простая водогрейка
Простейший котел действительно очень прост: газовая горелка, теплообменник – вот и все. Достаточно подключить к нему воду, газ, вывести выхлоп в дымоход – и можно пользоваться. Если бумаги уже оформлены; иначе – неминуемый большой штраф.
Домашняя котельная
Двухконтурный котел с бойлером и полной автоматикой до того «умный», что устанавливать его так же просто, как и простейший. Автоматика важна не только для простоты: полная система с двойным термостатом и микропроцессором отслеживает температуру в доме и на улице, по заданной программе уменьшает подогрев до минимума по санитарной норме, когда дома никого нет (например, когда все на работе). Расход газа таким котлом на 30-70% меньше, чем при ручной или полуавтоматической регулировке, и экономия тем больше, чем суровее погода.
Но такая домашняя котельная имеет серьезный недостаток: если вы оказались в зоне стихийного бедствия и электроснабжение нарушено, автоматика «глохнет», а котел переходит в режим минимального обогрева помещения. Поэтому такой котел требует дополнительного расхода на гарантированное электропитание. Обеспечить его самостоятельно несложно, см. ниже.
Где можно и где нельзя ставить газовый котел
Правила установки газового котла предусматривают следующие требования для установки ОТОПИТЕЛЬНОГО котла, независимо от того, обеспечивает он еще и ГВС или нет:
- Котел должен устанавливаться в отдельном помещении – топочной (котельной) площадью не менее 4 кв. м. высотой потолка не менее 2,5 м. В правилах указано также, что объем помещения должен быть не менее 8 куб.м. Исходя из этого, можно встретить указания на допустимость потолка в 2 м. Это неверно. 8 кубов – минимальный свободный объем.
- В топочной должно быть открывающееся окно, а ширина двери (не дверного проема) – не менее 0,8 м.
- Отделка топочной горючими материалами, наличие в ней фальшпотолка или фальшпола недопустимы.
- В топочную должен быть обеспечен приток воздуха через сквозную, не закрываемую продушину сечением не менее 8 кв.см. на 1 кВт мощности котла.
Примечание: 8 кубов свободных – при мощности котла до 30 кВт. Для мощности от 31 до 60 кВт – 13,5 куб.м; для мощности от 61 до 200 кВт 15 куб.м. Для котлов с замкнутой камерой сгорания объем топочной не нормируется, но размеры все равно должны быть соблюдены.
Для любых же котлов, в том числе настенных водогрейных, должны также выполняться общие нормы:
- Выхлоп котла должен выходить в отдельный газоход (часто неправильно называемый дымоходом); использование для этого вентиляционных каналов недопустимо – опасные для жизни продукты сгорания могут попасть к соседям или в другие комнаты.
- Длина горизонтальной части газохода не должна превышать 3 м в пределах топочной и иметь не более 3-х углов поворота.
- Выход газохода должен быть вертикальным и поднятым над коньком крыши или наивысшей точкой фронтона на плоской крыше не менее чем на 1 м.
- Так как продукты сгорания при остывании образуют химически агрессивные вещества, дымоход должен быть выполнен из термо- и химически стойких цельных материалов. Использование слоистых материалов, напр. асбоцементных труб, допустимо на расстоянии не менее 5 м от обреза выхлопного патрубка котла.
При установке настенного водогрейного газового котла в кухне должны быть выполнены дополнительные условия:
- Высота подвески котла по обрезу наинизшего патрубка – не ниже верхушки излива мойки, но не менее 800 мм от пола.
- Пространство под котлом должно быть свободным.
- На пол под котлом должен быть постелен прочный несгораемый лист 1х1 м, металлический. Прочности асбоцемента газовики и пожарники не признают – он истирается, а СЭС запрещает иметь в доме что-либо, содержащее асбест.
- В помещении не должно быть полостей, в которых могут накапливаться продукты сгорания либо взрывоопасная газовая смесь.

Если котел используется для отопления, то газовики (которые, между прочим, с теплосетью не очень-то дружат – она им вечно должна за газ) проверят и состояние системы отопления в квартире/доме:
- Уклон горизонтальных участков труб должен быть положительным, но не более 5 мм на погонный метр по току воды.
- В наивысшей точке системы должен быть установлен расширительный бак и воздушный кран. Убеждать, что вы купите «крутой» котел, в котором все предусмотрено, бесполезно: правила есть правила.
- Состояние отопительной системы должно допускать ее опрессовку под давлением 1,8 атм.
Требования, как видим, жесткие, но оправданные – газ есть газ. Поэтому о газовом котле, даже водогрейном, лучше и не думать, если:
- Вы живете в блочной хрущевке или другом многоквартирном доме без магистрального газохода.
- Если у вас в кухне фальшпотолок, убирать который вы не желаете, или капитальная антресоль. На антресоли с днищем из дерева или ДВП, которое в принципе можно убрать, и антресоли тогда не будет, газовики смотрят сквозь пальцы.
- Если ваша квартира не приватизирована, можно рассчитывать только на водогрейный котел: выделение помещения под топочную означает перепланировку, которую может делать только владелец.
Во всех остальных случаях поставить водогрейный котел в квартире можно; отопительный настенный возможно, а напольный – весьма проблематично.
В частном же доме можно ставить любой котел: правила не требуют, чтобы топочная находилась непосредственно в доме. Если сделать пристройку к дому снаружи под топочную, то у инстанций будет только меньше поводов для придирок. В ней можно поставить напольный газовый котел большой мощности для обогрева не только особняка, но и служебных помещений.
Для частного же жилья среднего класса оптимальное решение – настенный котел; под него не требуется, как для напольного, устраивать кирпичный или бетонный поддон с бортами в полметра. Установка настенного газового котла в частном доме также обходится без технических и организационных затруднений: несгораемую каморку под топочную всегда можно выгородить, хотя бы на чердаке.
Приготовления к монтажу котла – нормативные положения и проектная документация
Для грамотной установки газового котла в коттедже, на даче или в частном доме предварительно необходимо ознакомиться с существующей нормативной документацией, регламентирующей правила выполнения таких работ. В нормах описываются особенности монтажа газового оборудования для создания автономной отопительной системы.
В первую очередь вам следует изучить СНиП 31-02-2001 о газоснабжении загородных домов. Здесь указаны все законодательные требования, предъявляемые к устанавливаемому газовому оборудованию. Кроме того, информация о требованиях к устройству автономной системы отопления содержится также в документах:
- СНиП 41-01-2003 о вентиляции, отоплении и кондиционировании воздуха;
- СНиП 2.04.01-85 об устройстве внутреннего водопровода;
- СНиП 21-01-97 о пожарной безопасности;
- СНиП 2.04.08-87 об устройстве котельной.
Согласно этим требованиям, для установки котла в доме необходимо предварительно получить технические условия, являющиеся основанием для организации работ по подключению домашнего оборудования к центральной магистрали газоснабжения. Для получения ТУ вам нужно обратиться в местную газовую службу и подать заявление, указав в нем предполагаемый расход газа на отопительные нужды. В центральной России на газовое отопление расходуется от 7 до 12 м3 газа в сутки.
Поданная заявка будет рассмотрена специалистами компании, если организовать подключение возможно, собственник получит технические условия, если же по каким-то причинам обеспечить подачу газа в дом невозможно, владельцу объекта выдадут мотивированный отказ. Процедура рассмотрения заявки проходит в течение одного месяца, но ответ собственник может получить и гораздо раньше.
Получив техусловия, можно переходить к созданию проекта на подключение объекта к газоснабжению. В проекте должна присутствовать схема монтажа газовых коммуникаций – труб газоснабжения от центральной магистрали на частный земельный участок и от места подключения участка внутрь дома.
Проектированием газоснабжения разрешено заниматься только квалифицированным специалистам, имеющим все соответствующие разрешения и лицензии на выполнение таких работ. Самостоятельно подготовить проект на подключение к сети невозможно. Готовый проект передается на согласование в отдел организации, контролирующей газоснабжение в населенном пункте. Согласование осуществляется в течение 90 дней с момента подачи собственником заявления.
При подаче заявки на согласование проекта необходимо приложить к ней следующие документы:
- техпаспорт и инструкцию по использованию устанавливаемого котла;
- сертификаты соответствия;
- подтверждение соответствия газового агрегата требованиям безопасности.
Если по каким-то причинам в газовой службе примут решение отказать собственнику в согласовании проекта, ему выдадут мотивированный отказ и перечень действий, необходимых для получения разрешения на подключение дома к газоснабжению и установки газового оборудования.
Правильно оборудованная котельная
Правила установки газового котла в частном доме
Схема монтажа дымохода для газового котла.
- Котел необходимо монтировать в отдельно обустроенном помещении — топочной (котельной) площадью как минимум 4 кв.м и высотой потолка как минимум 2,5 м. При этом объем помещения должен составлять хотя бы 8 куб.м. Ориентируясь на эти показатели, можно встретить указания на допустимую высоту потолка в 2 м, однако данное утверждение неверно, и 8 кубов являются минимальным свободным объемом.
- Топочная должна включать открывающееся окно, а ширина двери должна составлять хотя бы 0,8 м.
- Отделка котельной при помощи горючих веществ, наличие в ней фальшпотолка или фальшпола недопустимы.
- Топочную следует обеспечить притоком воздуха через сквозную, незакрываемую продушину сечением как минимум 8 кв.см на 1 кВт котловой мощности.
Стоит отметить, что 8 свободных кубов возможны лишь при мощности котла до 30 кВт. Если же мощность от 31 до 60 кВт, то объем будет 13,5 куб.м; для мощности от 61 до 200 кВт — 15 куб.м и т.д. Котлы с замкнутой камерой сгорания не нормируют объем топочной, однако размеры все равно следует соблюдать.
Совершенно любые типы котлов (не исключая водогрейные) должны соответствовать общим нормам:
- Длина горизонтальной области газохода не должна быть более 3 м в пределах топочной и иметь более 3-х углов поворота.
- Выхлоп котла должен выходить в отдельный газоход (в частности, его неверно называют дымоходом); применение для этого каналов вентиляции недопустимо, поскольку опасные для здоровья продукты сгорания рискуют попасть в другие комнаты или даже к соседям.
- Ввиду того, что продукты сгорания при остывании формируют химически агрессивные материалы, дымоход следует выполнять из термо- и химически стойких цельных веществ.
- Выход газохода должен иметь вертикальную форму и подниматься над коньком крыши либо над наиболее высокой областью фронтона на плоской поверхности кровли как минимум на 1 м.
Схема подключения двухконтурного котла.
Применение слоистых веществ (к примеру, асбоцементных труб) допустимо на минимальной дистанции в 5 м от обреза выхлопного патрубка оборудования котла.
В процессе монтажа настенного водогрейного газового котла в кухне должны быть соблюдены дополнительные условия:
- пространство под котлом обязательно должно быть полностью свободным;
- высота подвески котла по обрезу самого низкого патрубка должна быть ниже излива мойки (но более 800 мм от пола);
- в комнате не должно присутствовать полостей, где накапливаются продукты сгорания или взрывоопасные газовые смеси;
- на пол под котлом следует постелить прочный стойкий к огню лист 1х1 м из металла. Асбоцемент в данном случае не предоставит достаточной прочности и быстро истирается.
Требования и правила к установке котла являются жесткими, но вместе с тем и оправданными, ведь газ есть газ. В частном доме может быть установлен совершенно любой котел. При этом правила не предусматривают, чтобы топочная располагалась четко в доме. При создании пристройки к дому снаружи под топочную комиссия не будет столь придирчивой. Более того, в этом помещении можно выполнить монтаж напольного газового котла достаточно большой мощности для обогрева не столько дома, сколько служебных помещений.
Для загородных домов среднего класса лучшим решением будет настенный котел. Он не требует оборудования бетонного или кирпичного поддона с бортами в полметра. Монтаж газового котла в загородном доме помимо всего прочего обходится без организационных и технических осложнений (несгораемая каморка под топочную всегда может быть выгорожена хотя бы в помещении чердака).
Напольные
В целях экономии хозяева сами пытаются разобраться в том, как установить напольный газовый обогревательный котел в одноэтажном деревянном доме. Базовые требования включают в себя следующие пункты:
- Укрепление места, где будет расположен котел. Лучше всего сделать стяжку или аккуратно уложить плиты из бетона.
- Между котлом и поверхностью стены оставляется зазор минимум 15 см.
- Если основание дома не огнеупорное, тогда необходима дополнительная обшивка металлическим листом. Лучше всего изолировать стены кровельной сталью, которую накладывают на лист из асбеста шириной минимум 30 мм.
- При помощи строительного уровня оценивается состояние пола, так как поверхность под котлом должна быть идеально ровной.
- Подключение дымохода запрещено без предварительной проверки тяги.
- Монтируются фильтры, которые не задерживают мусор на входе в теплообменник.
- На финальном этапе подготовленный двухконтурный котел присоединяется к водопроводным трубам.
В видеоролике представлена актуальная информация об установке котла:
Отопление городской квартиры: особенности и проблемы
Традиционная централизованная система отопления в большинстве многоквартирных домов, как правило, функционирует по одному принципу, но различается по способу подачи теплоносителя. У каждого из этих принципов есть свои плюсы и минусы:
- зависимый. Тепло поступает в индивидуальные радиаторы прямо с ТЭЦ без дополнительного распределения, температура поддерживается без включения в процесс теплового узла;
- независимый. Из центральной котельной тепло подается на тепловой узел МКД и распределяется по квартирам с возможностью дополнительной регулировки температуры горячей воды с помощью циркулярных насосов.
Существует два вида систем – открытая и закрытая. Тип подключения бывает одно- и двухтрубным. При такой схеме подачи тепла даже в условиях нормативной температуры теплоносителя на начальном этапе может возникнуть плохая его проходимость из-за образования воздушной пробки или засорения труб.
Подобные проблемы не возникают, если установлено газовое отопление в многоквартирном доме.
Следует также помнить, что практически весь жилой фонд РФ был возведен в прошлом веке по разным строительным нормам и правилам. При установке нового отопления различия в СНиПах, по которым устанавливалось оборудование и оснащение (материалы, способы соединения элементов и прочие), уже не будут причиной холодных батарей.
Установка котла
Монтаж любого газового оборудования выполняется мастером-газовиком, самостоятельная его установка строго запрещена. Схему установки котла производитель прикладывает к документации отопительного прибора, и она пригодится мастеру по монтажу.

Оборудование котельной дома потребует вмешательства опытных специалистов
- При установке агрегата в котельной нужно правильно устроить полы. Они должны быть выполнены из негорючего материала и иметь слив для воды. Он необходим для отбора теплоносителя из контура отопления в случае аварийной ситуации.
- Монтаж газового оборудования не производится при минусовой температуре, она должна составлять не менее пяти градусов тепла. Но и при слишком высокой температуре устанавливать оборудование небезопасно, поэтому она не должна превышать 35 градусов.
- На стене по уровню делается отметка для кронштейна, на который затем будет подвешен котел.
- Если устанавливают двухконтурный газовый прибор, то на трубу обратки ставится сетчатый фильтр. Он необходим для того, чтобы теплообменник долго оставался чистым. С двух сторон фильтра и на патрубки котла ставятся шаровые краны.
- Подключая котел к газоснабжающей магистрали, перед ним устанавливают счетчик для газа, специальный газовый кран, сигнализатор загазованности и термозапорный клапан.
- Розетка, в которую будет подключаться котел, если он энергозависим, обязательно должна иметь заземление.
- Когда патрубки котла подсоединены к водопроводу и газоснабжению, систему нужно заполнить водой. Это делается медленно, чтобы в будущем теплоносителе не застаивался воздух — у него будет возможность уйти из контура по воздухоотводным приспособлениям. На период заполнения системы котел нужно отключить от электропитания.
- Перед тем, как запустить котел, нужно обязательно проверить соединения газовых труб на утечку газа. Это сделать очень просто — нужно сбить густую пену из любого моющего средства и с помощью губки нанести ее на соединительные элементы. Если присутствует утечка, то обязательно надуется мыльный пузырь, а если труба присоединена герметично, пена будет постепенно оседать. Только после всех этих манипуляций можно запускать работу системы, подключив ее к электроснабжению.
Крепление дымохода настенного котла

Чтобы выбрать способ крепления дымохода, необходимо изучить тип конструкции газового котла. Если используется атмосферный термогенератор, то там есть естественная тяга (без использования вентилятора).
В случае с закрытой камерой сгорания, происходит соединение с коаксиальным дымоходом, а дым будет выходить из оборудования принудительным способом.
Правила проведения работ:
- Классический дымоход. Котел опускают на 2 диаметра дымохода, как было указано в инструкции выше. Если стены не из бетона или кирпича и могут загореться, то придется обязательно продлить теплоизоляционную подложку, находящуюся за котлом примерно на 25 см. Через кровельный пирог и плиту перекрытия поставить разделку. На верхнюю часть дымохода запрещено устанавливать декоративные элементы, которые могут помешать работе системы и повысить риск возгорания. Чтобы увеличить тягу, необходимо дополнительно установить дефлектор;
- Коаксиальный. Труба будет выходить от котла через здание. Протяженность не должна превышать 3 м. В таком случае крепежи необходимо смонтировать с шагом 0,5 м. При монтаже фиксирующей арматуры, необходимо учитывать стыки, которые понадобятся для установки крепежных элементов. В том месте, где труба выходит наружу через крышу или стену, монтируют специальные проходки. Эти узлы можно изготовить самостоятельно или купить в магазине. Для самоделок проделывают отверстие, что на 2 см больше трубного диаметра. Коаксиальный дымоход монтируются точно по центру. Зазор обработать базальтовым усилителем.
При установке колонки на стену, необходимо максимально соблюдать требования газовой компании. Подключение настенного котла нужно проводить с особой аккуратностью, не игнорируя нормативы, которые устанавливаются ППБ, СП и СНиП.
Важно изучить эти документы, поскольку некоторые нюансы могут изменяться в зависимости от конкретного места проживания, поэтому нюансы следует уточнять в своем регионе. Поэтому желательно провести предварительную консультацию с газовым инспектором
Согласование установки котла
Нужно пройти несколько инстанций, чтобы получить согласование на установку котла, работающего на газе. Самостоятельно, без согласований, процесс установки будет незаконен и небезопасен, и не только для владельца жилья, но и для остальных жителей дома, если котел устанавливается в многоэтажке.
1. Технические условия
На подключение к газоснабжению частного дома или квартиры придется получить в газоснабжающей организации технические условия, разрешающие эту процедуру. Для этого пишется заявление в контролирующую организацию. В нем нужно указать примерную востребованность объема газа за час. Процедура оформления длится семь — четырнадцать дней. При удачном завершении этого мероприятия, на руки будет выдан документ — технические условия установки оборудования, работающего на газовом топливе. Это и есть разрешение на подготовительные строительно-монтажные работы.
2. Проект
Имея на руках технические условия, можно приступать ко второму шагу — разработке проектной документации. Проект проведения газоснабжения включает в себя схемы прокладки газоснабжающей трубы от места установки котла до центрального газопровода.

В проекте будут указаны и участки газопровода, пересекающие участок
Если жилище находится в частном секторе, а трубопровод должен пересекать земельный участок, то составляется еще и схема газовой трубы на участке, где указывается место ее входа в стену дома. Проект разрабатывается лицензированными на подобную деятельность инженерами, на основе положений ГСН.
3. Согласование с газоснабжающей организацией
Готовый проект для согласования передают в организацию, контролирующую газоснабжение в районе проживания заявителя. Согласование проекта занимает от семи до ста дней — это зависит от объема и сложности документа. К проекту прилагают следующие материалы, касающиеся прибора отопления:
- экспертиза о соответствии котла всем требованиям, которые необходимы для обеспечения нормальной эксплуатации и безопасности;
- технический паспорт прибора;
- сертификаты соответствия техническим и санитарно-гигиеническим требованиям;
- эксплуатационные инструкции.
Все документы, указанные в перечне, оформляются производителем и в обязательном порядке должны сопровождать любое изделие такого типа
Они передаются продавцом покупателю при приобретении прибора – на это следует обращать особое внимание
В случае если проект был отклонен первый раз, заявителю выдается документ, в котором указаны причины отказа и список с подробным перечислением всех проблем проекта, требующих корректировки.
В случае одобрения проекта, его заверяют подписью и печатью ответственного лица. Этот документ является окончательным разрешением на установку отопительного прибора.
Нормативные правила установки котла на газе
Схема газового котла
Схема газового котла
Такое оборудование классифицируется как возможный источник возникновения пожара или взрыва, поэтому его относят источникам повышенной опасности. По этой причине монтаж котлов должен проводится в полном соответствии нормативным документам, которые утверждены и зарегистрированы в законном порядке.
Перед монтажом стоит ознакомиться с документацией, ведь процесс непосредственного подключения к водо- и газопроводным магистралям осуществляется только при наличии разрешающей документации и людьми, получившими специальные разрешения на такой вид деятельности
Для полной осведомленности в особенностях подключения и важности его выполнения согласно установленных норм, стоит внимательно ознакомится с требованиями, которые выдвигаются уполномоченными государством органами к установкам газового типа
Схема установки газового котла
Для получения полной информации изучите СНиП:
- 42-01-2002 ,
- II-35-76,
- 2.04.08-87 (немного устарел, но содержит много полезных данных),
- 21-01-97,
- 41-01-2003,
- 2.04.01-85.
Только детальное ознакомление с перечисленными документами может сформировать полную и реальную картину требований к казовым агрегатам, которые следует выполнять.
Правила и нормы установки котла в частном доме
Начиная строительство котельной, следует изучить ряд требований, которые к ней предъявляются. В первую очередь, нужно ознакомиться с нормами СНиП с обозначением II-35-76. В современных домах устанавливаются следующие типы котлов:
- Встроенные. С их помощью обустраивается встроенная котельная в частном помещении.
- Стоящие по отдельности.
- Пристроенные.
Однако за счет дороговизны компактные сооружения не пользуются спросом, поэтому в качестве альтернативы владельцы загородных домов монтируют оборудование в подвале.
Требование к установке газовых котлов
Котельная в деревянном доме с газовым оборудованием должна обустраиваться в таких частях дома:
- Первый этаж.
- Цокольный уровень или подвал.
- Чердачное пространство.
- Кухня. В этой комнате разрешается монтаж котлов мощностью до 35 кВт.
Чтобы получить подробное описание нормативов для размещения газовой установки в приватном доме, следует обратиться в ближайшую газовую службу. Специалисты должны предоставить полный список требований и помочь составить проект. Также можно проконсультироваться с проектировщиком, разрабатывающим план помещения.
Знание норм обеспечит безошибочный монтаж оборудования газовой котельной и оптимальные условия для его слаженной работы в будущем. В зависимости от показателей мощности системы применяются такие правила установки:
- 150 кВт – разрешается размещение котла на каждом этаже с отдельно отведенным пространством.
- 150-350 кВт – агрегаты будут стоять в отдельной комнате, но не выше 1-го этажа. Еще можно ставить их в пристройках.
При условии, что показатели мощности превышают 350 кВт, устанавливать оборудование в приватном доме запрещено.
Если пристроенные котельные в коттедже будут размещаться на кухне, а суммарная мощность оборудования не превысит 60 кВт, нужно позаботиться о соблюдении таких условий:
- Допустимая величина помещения под котел не должна превышать 15 м³. По мере роста мощности агрегата добавляется 1 м³ на кВт.
- Высота постройки должна составлять как минимум 2,5 м.
- Вентиляционной системе нужно обеспечивать вытяжку в 3-кратном объеме от величины котельной. Интенсивность притока должна быть аналогичной.
- В самой котельной нужно установить окно с форточкой.
Требования при размещении дизельного оборудования
Здание котельной с дизельным оборудованием должно соответствовать следующим требованиям:
- Автоматика. Для комфортного использования системы нужно оснастить ее специальными датчиками и терморегуляторами, которые гарантируют бесперебойную работу без постоянного присутствия человека.
- Безопасность. Все составляющие системы должны соответствовать экологическим требованиям и быть безопасными для эксплуатации. К агрегату можно подключать насосы, датчики и прочие сопутствующие узлы, если они соответствуют нормативам Ростехнадзора и обладают соответствующими сертификатами.
Пристроенная котельная обустраивается по следующим нормам:
- Агрегаты мощностью до 60 кВт размещаются внутри жилого помещения и отделяются от других комнат перегородкой из негорючего материала. Если мощностные показатели превышают 60-350 кВт, понадобится обустройство отдельно стоящей котельной для частного дома.
- В той части дома, где будет размещаться дизельный котел, необходимо предусмотреть качественную приточно-вытяжную вентиляцию и разместить окна с форточками. Их ширина должна соответствовать показателям производительности генератора.
- Напольное покрытие и стеновые конструкции должны изготовляться из негорючих материалов. В качестве облицовки используется керамика, штукатурка или гипсоволоконная плита.
Требования к установке твердотопливных и электрических котлов
Частная котельная с твердотопливным теплогенератором должна обустраиваться по таким принципам:
- Оптимальная дистанция между стеной и агрегатом составляет 10-12 см.
- При монтаже оборудования в постройке из дерева нужно предварительно заделать стену стальными листами.
- Напольное покрытие лучше забетонировать.
- Пристроенные помещения должны обладать площадью от 8-10 м².
Что делать в экстремальной ситуации?
Вы все еще не решили нужно ли менять ваш газовый котел и когда это лучше сделать, чтобы уложиться в кратчайшие сроки? Но столкнулись в очередной раз с поломкой и переживаете, что можете остаться зимой в морозы без отопительного оборудования?
Чтобы максимально быстро разрешить ситуацию с заменой котла в зимнее время, следует обращаться в горгаз. Специалисты которого доставят, установят котел, соответствующий по мощности старому и без проволочек составят нужные акты. Такой подход позволит минимизировать негативные последствия и не навлечь штрафные санкции.
Следует помнить о том, что отдельные требования региональных газовых служб могут отличаться. Поэтому никогда не помешает получить необходимую консультацию у сотрудников указанных организации
Что касается общей стоимости при подобном развитии событий, то она окажется довольно высокой — такая покупка котла не всегда выгодная.
Поэтому, если время терпит, лучше выбрать котел с одинаковым потреблением газа за час работы с отслужившим свое агрегатом. А после установки уведомить об этом горгаз, как указано в пункте «Особенности замены котла одинаковой мощности».
Основные требования к помещению для установки отопительного газового оборудования
Требования к помещению для установки отопительного газового оборудования
Первое на что стоит обратить внимание – такое оборудование в частном доме рекомендуется не устанавливать. Идеально, если для этих целей сооружено отдельное здание
Но это возможно не во всех случаях, поэтому можно ограничиться нежилой комнатой. Отличный выход из ситуации – обустройство отопительного помещения в подвале. Но это возможно только при наличии частного дома, который состоит всего из одного этажа.
Основные правила выбора помещения под котельную:
- Потолки должны иметь высоту более 2.1 м;
- Дверной проем больше 0.7 м;
- Для установки 1 единицы оборудования площадь помещение должна быть не меньше 4 м2;
- Поверхность стен комнаты ровная и покрытая штукатуркой (отделка должна осуществляться пожаробезопасными материалами);
- Ровное напольное покрытие из негорючих материалов;
- Оконный проем должен быть пропорциональный размерам комнаты: 30 см2 оконной поверхности на 1000 см3 объема комнаты.
В котельной должен присутствовать доступ к дымоотводу достаточного диаметра, контур заземления и подвод воды.
Схема установки котла
В доме частного использования правила не запрещают устанавливать определенные виды котлов – можно смело выбирать подходящий. Также нет ограничений относительно места расположения помещения для обустройства котельной. Можно спокойно планировать еще с момента проектирования дома установку большого отопительного оборудования на газе в предназначенной для этих целей пристройке, из которой возможно отопление не только жилых помещений, но и гаража, подсобки и др.
Основная классификация котлов газового типа
Популярность такого оборудования заставила производителей разрабатывать модели с разными особенностями, которые бы привлекли внимание потребителя. Именно поэтому классификацию можно проводить с учетом:
- Конструктивных особенностей;
- Показателей мощности;
- Способа монтажа;
- Вида розжига.
Газовые котлы, если проводить анализ конструктивных особенностей, бывают одно- или двухконтурными. Первые обеспечивают в частном доме либо беспрерывное отопление либо, используются для нагревания воды (подается в раковины, в смесители для обеспечения водных процедур) и обозначаются как АОГВ. Вторые считаются универсальными и выполняют обе задачи одновременно. Причем, особенность их конструкции может заключаться в наличии специального бойлера или моментальном подогреве проточной воды до нужных температурных показателей. Для обозначения такого оборудования используется аббревиатура АКГВ.
Что касается способа монтажа, то котел может быть напольным или настенным. Вторые более популярны — не требуют наличия отдельного дымоотвода с хорошей тягой, занимают гораздо больше места и при их установке можно обустраивать вывод остаточных продуктов горения непосредственно на улицу. Но для отопления в частном доме большой площади более рационально использовать именно напольное газовое оборудование.
Правила использования газа в жилых помещениях.
В новых правилах использования газа в жилых домах, введенных в действие 09.05.2018 года, прописано, что при заключении договора с газообслуживающей организацией, представители компании (специалисты газовой службы) должны ознакомить абонента с правилами безопасности пользования газовыми приборами. Это необходимо делать в том числе при проведении планового обслуживания или ремонта. Доступность в любое время к газовым объектам в помещении должна быть прописана в договоре и безусловно исполняться со стороны абонента. При неисполнении обязательств договора поставка газа может быть приостановлена.
Со стороны абонента также предусматривается обязательное самообслуживание газового оборудования. К нему относится постоянный контроль за системой вентиляции, следить за отсутствием сильных загрязнений, препятствующим нормальному горению газа, следить за исправностью приборов и производить проветривание комнаты перед началом использования оборудования.
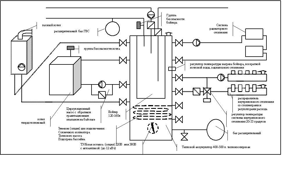
Схема системы отопления на газу
В схему отопительной системы частного домовладения, работающей на газу, обязательно входит котёл, батареи, бачок расширителя, циркуляционный насос и соединительные трубы. Нагретый котлом теплоноситель циркулирует по трубам и радиаторам, отдавая своё тепло в окружающую среду и снова возвращаясь в главный отопительный узел. Перемещение воды обычно обеспечивается принудительным способом за счёт нагнетаемого насосом давления.
Для увеличения эффективности водяного газового отопления дома его схема может дополняться запорной арматурой, кранами Маевского, температурным датчиком и другими элементами. Расширительный бачок — неотъемлемая составляющая любой отопительной системы, как с принудительной, так и естественной циркуляцией.
Схема газового отопления с естественной циркуляцией воды обусловлена особенностью монтажа трубопровода под необходимым углом, а также использования труб с большим диаметром и установки расширительного бачка в самой высшей точке системы. При этом схема разводки отопления может выполняться двумя способами:
- Лучевым способом, который обладает простотой проведения ремонтных работ, а также высокой эффективностью. Но придётся потратиться на трубы из-за больших размеров трубопровода.
- Тройниковый метод немного дешевле, что обусловлено меньшим количеством труб. Но выполнить регулировку отдельных элементов отопления не получится, так как это просто не предусмотрено схемой.
Если предусмотрено подключение системы отопления непосредственно к центральному газопроводу, то человеческое вмешательство в её работу будет ограниченно изменением параметров температуры.





