Оглавление
Однолинейная схема электроснабжения своими руками | ProElectrika.com
Графическое отображение схем электроснабжения
Схемой называется графическое отображение элементов той или иной конструкции, указанных на чертеже. Кроме того, бывают схемы электронных устройств, в том числе интегральных и изложения какого либо материала в упрощенном виде. Однолинейная схема энергоснабжения, например, частного дома, тоже не является исключением из основного определения.
Касательно термина «однолинейная схема электроснабжения» понимается графическое изображение трех фаз питающей сети и соединяющих различные электрические элементы в виде одной линии. Это введение условного обозначения значительно упрощают и делают не громоздкими схемы электроснабжения. По определению электрическая схема является документом, содержащим в виде обозначений и изображений составные элементы изделий, принцип действия которых основан на использовании электрической энергии и их связи между собой. Правила, согласно которым выполняются все виды электрических схем, в том числе и однолинейная схема электроснабжения, определены ГОСТ 2.702-75, а выполнение схем цифровой электроники и вычислительной техники определяются ГОСТ 2.708-81. Условное отображение трехфазного напряжения питания, для примера, приведено на рисунке «а», а его упрощенное отображение, которое и явилось причиной появления однолинейных схем отображено на рисунке «б».
Кроме того, чтобы визуально отобразить на схемах трехфазное подключение, используют несколько обозначений, таких как перечеркнутая линия с цифрой «3», расположенной рядом с вводом или выводом проводки, и прямая линия, перечеркнутая тремя косыми отрезками. Для однолинейных схем электроснабжения обозначения приборов, пускателей, контакторов, выключателей, розеток и прочих элементов применяют согласно ГОСТ и европейских правил конструирования, проектирования и монтажа электроприборов.
Линейная схема электроснабжения, примеры которой приведены на рисунках 1 и 2, отображает простейшее соединение и взаимодействие элементов освещения, силового питания и розеток для бытовой техники.
Промышленные схемы обеспечения электроэнергией предприятий и подключения оборудования не имеют принципиальных различий с однолинейной схемой электроснабжения частного дома или другого сооружения.
Виды схем электроснабжения
При проектировании систем электроснабжения различают схемы эксплуатационной ответственности, балансовой принадлежности, исполнительные и расчетные, которые призваны отобразить как планируемые работы, так и существующую систему или разделение систем по потребителям с целью установления границ безопасности.
Исполнительная схема электроснабжения
представляет собой документ, составленный на действующем объекте, отображающий текущее состояние сетей, приборов, входящих в эти сети, и рекомендации по устранению недостатков и дефектов, если таковые были выявлены в результате проведения соответствующего комплекса мероприятий.
В случаях проектирования новых строительных объектов составляется расчетная установочная схема. Такой элемент строительного проекта включает в себя структурную электрическую схему, функциональную электрическую схему, монтажную электрическую схему, а при необходимости кабельные планы и принципиальные электрические чертежи. Кроме того, если составляется, например, схема электроснабжения коттеджа, то в соответствии с последними тенденциями загородного строительства в нее включается проект пожарной безопасности.
Структурные схемы
представляют общую информацию об электроустановке, выраженную в указании взаимосвязей силовых элементов, таких как трансформаторы, распределительные щиты, линии электропередач, точки врезки и прочее.
Функциональные схемы
выполняются в основном для абстрактной передачи функций механизмов, к которым выполняется электроснабжение, их взаимодействие между собой и влияние на общую обстановку с точки зрения безопасности. Применяют такие проекты в основном при проектировании промышленных объектов с высокой наполняемостью площадей машинами, механизмами и оборудованием которые на схеме могут быть обозначены любым способом удобным проектировщику. Кроме того в этих документах часто не указывают размеры объектов, и они не являются планировочными документами.
Принципиальные схемы
принято выполнять в соответствии с ГОСТ и стандартами, действующими в странах не входящих ранее в состав СССР. Стандарты, действующие в мировом сообществе, отвечают требованиям национальных производителей согласованных с государственными органами. К ним относятся стандарты IEC, ANSI, DIN и другие.
Результат оказания услуги
Однолинейная электросхема обычно включает в себя:
- точку подключения щита;
- основные параметры и обозначения вводных устройств;
- марку питающего кабеля, его длину и сечение;
- устройство учета электроэнергии, его тип и марку;
- измерительные трансформаторы тока, их номинальные первичный и вторичные токи;
- номинальные токи и маркировку защитно-коммутационных устройств — рубильников, автоматических выключателей, УЗО, дифференциальных автоматов, плавких вставок;
- группы потребителей, их параметры.
Результатом оказания услуги является отчерченная по ГОСТ однолинейная электрическая принципиальная схема электроустановки Потребителя, которая передается Заказчику как на бумажном носителе, так и в электронном виде.
заказать >>>

Для получения подробной информации по составлению однолинейных электрических схем, проведению электроизмерений и другим услугам нашей ЭТЛ, обратитесь к нам в офис по телефону
Произвести расчет электроизмерений на онлайн-калькуляторе.
Другие услуги
| Металлосвязь |
| Замеры сопротивления изоляции |
| Петля «фаза-нуль» |
| Проверка УЗО |
| Прогрузка автоматов |
| Проверка АВР |
| Сопротивление заземления |
| Составление однолинейных схем |
| Поверка трансформаторов тока |
| Технический отчет по электроизмерениям |
| Ведомость дефектов |
| Устранение замечаний ЭТЛ |
| Передвижная электролаборатория |
| Тепловизионный контроль электрооборудования |
| Обследование электроустановки |
| Контроль качества электроэнергии |
| Перечень разрешенных видов испытаний и измерений ЭТЛ |
Применение силовых линий
Когда изображаются силовые линии переменного напряжения, каждой фазе присваиваются своя буква — А, В, С либо буква и цифра L1, L2, L3. Чтобы не происходило путаницы, все последующие цепи, отходящие от этих линий, будут иметь тот же индекс, например, А1.1, В1.1, L1.1, L2.1 и т. д. Можно выделить два типа таких схем:
- однолинейные;
- многолинейные.
Отличие состоит в том, что в однолинейной все три фазы заключены в одной линии. Это сильно упрощает чертеж, позволяя сразу охватить взглядом всю или большую часть конструкции, и широко используется там, где часто применяются электроприборы переменного тока, например двигатели. Когда необходимо показать только одну фазу, рядом с условным знаком ставят маркировку этой фазы.
Допустим, для защиты двигателя используются два тепловых реле КК1 и КК2. Тогда на чертеже рисуется условный знак теплового реле и рядом ставится маркировка КК1, КК2, в скобках L13, L33. Это означает, что тепловое реле КК1 находится на фазе L1 и относится к третьей группе. Соответственно КК2 находится на фазе L3 и относится к этой же группе.
При использовании разветвительных колодок (клеммников), на чертеже к каждому контакту, если к нему подходит цепь, дается пояснение, что это за цепь и куда она должна поступить. Сами колодки также маркируются.
Составление и согласование проекта
Проект внутренней электропроводки для частного дома состоит из:
- расчета мощности, вводных устройств и требуемого сечения проводов;
- расчета систем заземления и молниезащиты;
- схемы разводки электропроводки;
- плана расположения в здании кабельных линий и силового оборудования;
- сметы на расходные материалы.
Делается такой полноценный проект внутридомовой проводки только по договору в специализированной компании с лицензией. Если его потом придется согласовывать у поставщика электрической энергии, то выполненные самостоятельно чертежи и расчеты приняты к рассмотрению не будут.
Самому можно сделать лишь электрическую и/или монтажную схему, которые облегчают работы при выполнении монтажа электропроводки своими руками. В них схематично указываются аппараты защиты и линии проводов, чтобы упростить себе составление сметы и сборку всей системы.
Схема монтажа электропроводки в доме
Выбор фаз
Одним из наиболее важных моментов проекта и схем проводки является тип входного напряжения. Здесь особо анализировать, как, например, многочисленные плюсы и минусы свайного фундамента, не придется. Оно может быть однофазным либо трехфазным, на 220 либо 380 Вольт. При выборе исходить надо из имеющихся возможностей питающего трансформатора (что смогут дать энергетики) и потребляющего ток электрооборудования.
В остальных ситуациях, когда частный дом по площади не превышает 100 квадратов и в нем нет электрических водонагревателей, можно обойтись обычными однофазными 220 В. Требования к трехфазной электропроводке выше. Стоит она дороже, а нужна далеко не всегда. При этом надо учесть, что 380 В на трех фазах могут потребоваться в будущем. И тогда придется согласования начинать сначала. Здесь необходимо все взвесить и предусмотреть заранее.
Как рассчитать мощность потребления при разводке
Для расчета общей мощности потребления и необходимой для этого электропроводки дома необходимо просуммировать киловатты всех бытовых и осветительных приборов в жилище. Данные параметры есть в техпаспортах на оборудование и в специальных таблицах. Плюс сюда добавляются пусковые нагрузки и 20% про запас.
Самыми энергоемкими в коттедже являются проточные нагреватели воды (около 4–5 кВт), электроплиты с духовкой (до 3 кВт), электрообогреватели (1,5–3 кВт), пылесосы (около 1,5 кВт) и стиральные машинки (порядка 2–2,5 кВт). Немало потребляет также вентиляция в частном доме, если она сделана приточно-вытяжной и с подогревом воздуха без рекуператора.
Средняя мощность потребления бытовой техники
Для света, особенно если он светодиодный, требуется относительно немного (до 0,5 кВт). Приблизительно также мало сейчас потребляют телевизоры, компьютеры и иная используемая в быту техника. Но все это обязательно надо учесть и сложить, чтобы вычислить суммарную мощность коттеджа. Она нужна, чтобы получить ТУ и рассчитать сечение электропроводки.
Как рассчитать пропускную мощность электрической проводки
Группы потребителей
Чтобы нагрузка во внутридомовой сети распределялась равномерно, на схеме разводки проводов потребители разбиваются на несколько групп. Например, одна идет на уличное освещение придомового участка, вторая на хозпостройки, третья на осветительные приборы в коттедже и четвертая на розетки в нем. Если дом большой, то такая разбивка может производиться по этажам и помещениям.
Основные группы потребления
На каждую отдельную линию ставятся свои автоматы и УЗО (устройства защитного отключения). Это повышает безопасность эксплуатации домовой электросети и упрощает поиск проблемных точек в системе при срабатывании защиты. На схеме разводки электропроводки должны быть указаны все защитные аппараты и потребляемый ток на контуре, который запитан с каждого из них.
Групповое УЗО и провода по сечению за ним подбираются так, чтобы соответствовать потреблению конкретной группы. На мощное оборудование рекомендуется выделять свою линию питания, а на остальных количество потребителей не стоит делать выше 5–6 розеток. Лучше заложить в проекте их больше, но с меньшим риском перегорания жил из-за длительных перегрузок.
Графические
Что касается графического обозначения всех элементов, используемых на схеме, этот обзор мы предоставим в виде таблиц, в которых изделия будут сгруппированы по назначению.
В первой таблице Вы можете увидеть, как отмечены электрические коробки, щиты, шкафы и пульты на электросхемах:

Следующее, что Вы должны знать – условное обозначение питающих розеток и выключателей (в том числе проходных) на однолинейных схемах квартир и частных домов:

Что касается элементов освещения, светильники и лампы по ГОСТу указывают следующим образом:

В более сложных схемах, где применяются электродвигатели, могут указываться такие элементы, как:

Также полезно знать, как графически обозначаются трансформаторы и дроссели на принципиальных электросхемах:

Электроизмерительные приборы по ГОСТу имеют следующее графические обозначение на чертежах:

А вот, кстати, полезная для начинающих электриков таблица, в которой показано, как выглядит на плане электропроводки контур заземления, а также сама силовая линия:

Помимо этого на схемах Вы можете увидеть волнистую либо прямую линию, «+» и «-», которые указывают на род тока, напряжение и форму импульсов:
В более сложных схемах автоматизации Вы можете встретить непонятные графические обозначения, вроде контактных соединений. Запомните, как обозначаются этим устройства на электросхемах:

Помимо этого Вы должны быть в курсе, как выглядят радиоэлементы на проектах (диоды, резисторы, транзисторы и т.д.):
Вот и все условно графические обозначения в электрических схемах силовых цепей и освещения. Как уже сами убедились, составляющих довольно много и запомнить, как обозначается каждый можно только с опытом. Поэтому рекомендуем сохранить себе все эти таблицы, чтобы при чтении проекта планировки проводки дома либо квартиры Вы могли сразу же определить, что за элемент цепи находится в определенном месте.
Интересное видео по теме:
Принципы и особенности проектирования
«Однолинейка» используется для планирования будущей сети, поэтому детализировать её ни к чему. Однако есть определённые моменты, которые отобразить необходимо. К тому же, если не отобразить в ней основные элементы, проигнорировать некоторые нюансы, проект не пройдёт утверждение, без которого все работы будут считаться незаконными. Рассмотрим как составить однолинейную схему электроснабжения и что для этого потребуется.
Основная информация, которую должен включать в себя подобный проект, это:
- расчёт общей мощности, которую будет потреблять установленное оборудование. Сделать это несложно. Необходимо лишь сложить общую потребляемую мощность приборов и устройств, питающихся от той или иной линии;
- на основании полученного параметра потребляемой мощности вычислить необходимое сечение кабелей с учётом материала их изготовления. Если высчитанное сечение не производится, производим округление в большую сторону;
- рассчитав нагрузки, подбираем защитные устройства. Лучше, если на каждую линию будут установлены дублирующие устройства (например, автомат и УЗО).
Сама схема должна содержать в себе информацию о:
- точке подключения к электросети. Для квартир, частных домов это будет вводной автомат, для предприятий – распределительная подстанция;
- типе ввода;
- марке и типе счётчика электроэнергии;
- длине кабеля, его марке, сечении, количестве жил с указанием способа укладки (открытый, скрытый);
- указании групп потребителей.
Также необходимо указать цепи освещения. Информация об источниках света не нужна.
Необходимые этапы проектирования
Проектирование однолинейных схем электроснабжения начинается с получения ТУ (технических условий). Для этого нужно обратиться в компанию, которая занимается поставкой электричества. Далее получаем разрешение и генеральный план в горархитектуре. Следующий шаг – разработка плана электроснабжения участка или квартиры. Последним этапом будет окончательное утверждение в компании, поставляющей электричество.
Составляя подобный проект самостоятельно, будьте предельно внимательны, перепроверяйте каждый шаг
Многие могут спросить, кто утверждает однолинейные схемы электроснабжения на предприятиях. Здесь первые шаги будут идентичны, однако последний проект должен подписать ответственный руководитель.
Как может заметить Уважаемый читатель, пройти все эти шаги несложно, однако часто из-за недоработок проекта некоторые ходят по кругу несколько раз. Не проще ли сразу потратить на планирование схемы немного больше времени, сэкономив себе тем самым нервы?
Образцы однолинейных схем электроснабжения по ГОСТу: различные строения и сооружения
Для того, чтобы читателю было проще разобраться, что такое однолинейная схема электроснабжения, предлагаем ознакомиться с примерами подобных проектов.
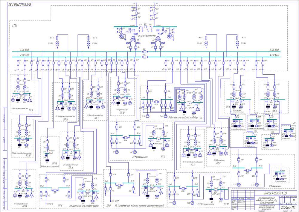
Пример однолинейной схемы электроснабжения предприятия
Образец однолинейной схемы электроснабжения школы
Образец составления однолинейной схемы электроснабжения в квартире
Проект однолинейной схемы распределительного щита
Щит освещения: пример составления однолинейной схемы
Как можно отметить, с виду все принципиальные однолинейные схемы электроснабжения схожи, однако это только на первый взгляд. Огромное значение имеют обозначения кабелей, защитной автоматики, нанесённые на проект. Их необходимо изучить, перед тем как пытаться читать однолинейные схемы электроснабжения. Об этом и пойдёт речь в следующем разделе нашей статьи.
Условные обозначения в однолинейных схемах электроснабжения
В настоящее время можно найти множество литературы, в которой описываются условные обозначения и маркировки, используемые в составлении подобных проектов. В таблице ниже можно увидеть основные из них. Именно они являются азами для тех, кто впервые столкнулся с «однолинейками».
Основные условные обозначения, используемые при составлении однолинейных проектов
На самом деле их значительно больше, но за один раз запомнить столь огромное количество информации невозможно. Если Уважаемому читателю интересно, то полному, подробному обзору условных обозначений редакция Seti.guru посвятит отдельную статью в ближайшем времени. Следите за нашими публикациями.
Принципы проектирования однолинейной схемы электроснабжения
При разработке и оформлении исполнительной документации необходимо выполнять требования к подобным документам, отражённым в нормативной литературе, а также ПТЭЭП и ПУЭ («Правила устройства электроустановок»).
Что должна включать однолинейная схема электроснабжения
На однолинейных схемах электроснабжения должна быть отражена следующая информация, а именно:
граница зоны ответственности организации, поставляющей электрическую энергию, и её потребителя;

Отображение зоны балансовой принадлежности на схеме электроснабжения объекта
вводно-распределительные устройства (ВРУ) или ГРЩ, а также трансформаторные подстанции, стоящие на балансе потребителя с отображением устройств АВР (автоматическое включение резерва), если таковые имеются;
- приборы учёта электрической энергии с указанием коэффициента трансформации трансформаторов тока при использовании счётчиков, работающих на вторичном токе в 5Ампер;
- информация обо всех имеющихся на объекте распределительных шкафах как силового оборудования, так и системы освещения;
- длины магистральных электрических линий с указанием марки кабелей, проводов и способов их прокладки;
- технические параметры и состояние в рабочем положении всех устройств автоматического отключения, к которым относятся автоматические выключатели, УЗО и предохранители;
- данные обо всех электрических нагрузках, подключаемых к отображаемому на схеме оборудованию, с указанием их мощности, тока и cos ϕ.

Вариант выполнения расчётной однолинейной схемы электроснабжения административного здания
Читать также: Магнитный угольник для сварки своими руками
Этапы проектирования
Наличие однолинейной схемы электроснабжения является обязательным условием для получения разрешения на подключение объекта строительства к сетям электроснабжающей организации, поэтому прежде, чем приступать к её разработке, необходимо запросить технические условия.
В связи с этим все работы по проектированию схемы электроснабжения можно разбить на несколько этапов:
- Запрос и получение технических условий;
- Разработка однолинейной схемы электроснабжения на основании полученных документов;
- Согласование разработанной документации в организации, выдавшей технические условия.

Вариант оформления технических условий на электроснабжение
Правила оформления, требования ГОСТов
При оформлении однолинейной схемы электроснабжения необходимо соблюдать требования ГОСТов, регламентирующих этот процесс, а именно:
- ГОСТ 2.709-89 «Единая система конструкторской документации (ЕСКД). Обозначения условные проводов и контактных соединений электрических элементов, оборудования и участков цепей в электрических схемах»;
- ГОСТ 2.755-87 «Единая система конструкторской документации (ЕСКД). Обозначения условные графические в электрических схемах. Устройства коммутационные и контактные соединения»;
- ГОСТ 2.721-74 «Единая система конструкторской документации (ЕСКД). Обозначения условные графические в схемах. Обозначения общего применения (с Изменениями №№ 1, 2, 3, 4)»;
- ГОСТ 2.710-81 «Единая система конструкторской документации (ЕСКД). Обозначения буквенно-цифровые в электрических схемах (с Изменением № 1)».
Вариант оформления однолинейной схемы электроснабжения в соответствии с данными ГОСТами приведён наследующем рисунке.

Расчётная однолинейная схема электроснабжения жилого дома
Условные обозначения, используемые при составлении однолинейных схем
Все элементы системы электроснабжения отображаются на схеме в виде графических изображений, которые регламентированы нормативной литературой, указанной в предыдущем разделе статьи. Электрические коробки и шкафы различного назначения изображаются следующим образом.

Электроустановочные изделия (розетки и выключатели), в зависимости от конструкции и типа исполнения, отображаются вот так

Приборы электрического освещения изображаются следующим образом

Силовые трансформаторы и трансформаторы тока изображаются так

Электроизмерительные приборы имеют следующий вид на схемах электроснабжения, в соответствии с ГОСТ
Пересечение электрических линий и места соединения электропроводки, а также заземление выглядят следующим образом
Коммутационные устройства (автоматические выключатели и пускатели, короткозамыкатели и отделители, а также прочие аппараты) изображаются так

Для того чтобы узнать, как правильно оформить исполнительную документацию, необходимо изучить все требования ГОСТов или воспользоваться специальной компьютерной программой, которая учтёт все эти требования в автоматическом режиме при её использовании
Определение
Исходя из названия, однолинейная схема – это графическое изображение двух- или трехфазной сети, объединяющей все устройства электрической цепи при помощи одной линии. Это позволяет значительно упростить техническую документацию, сделать ее не такой объемной и более понятной для восприятия. Приведем пример, где изображена однолинейная простая схема.

Как видим, пример отображает двухфазную цепь, в которую подключены различные потребители частного дома.
Для отображения однолинейной трехфазной сети используется несколько обозначений:
- Три косых отрезка, расположенных на вводе нагрузки;
- Одна косая линия с цифрой 3.
Видео: cоветы опытного электрика
В настоящем видеосюжете мы расскажем, как сделать однолинейную схему электроснабжения дома на основе трёхфазного распределительного щита.
Экономьте время: отборные статьи каждую неделю по почте
Во время работ по электротехнике человек может столкнуться с обозначениями элементов, которые условно обозначены на электромонтажных схемах. Разнообразия схемы по электрике очень широки. Они имеют разные функции и классификацию. Но все графические обозначения в условном виде приводятся к одним формам, и для всех схем элементы соответствуют друг другу.
Электромонтажная схема – это документ, в котором обозначены связи составных элементов разных устройств, потребляющих электроэнергию, между собой по определенным стандартным правилам. Такое изображение в виде чертежа призвано научить специалистов по электрическому монтажу, чтобы они поняли из схемы принцип действия устройства, и из каких составных частей и элементов она собрана.
Главное предназначение электромонтажной схемы – оказать помощь в монтаже электроустройств и приборов, простом и легком обнаружении неисправности в электрической цепи. Далее разберемся в видах и типах электромонтажных схем, выясним их свойства и характеристики каждого типа.
Схемы по электрике: классификация
Все электрические схемы, как документы, разделяются на виды и типы. По соответствующим стандартам можно найти разделение этих документов по видам схем и типам. Разберем их подробную классификацию.
Виды электромонтажных схем следующие:
- Электрические.
- Газовые.
- Гидравлические.
- Энергетические.
- Деления.
- Пневматические.
- Кинематические.
- Комбинированные.
- Вакуумные.
- Оптические.
Основные типы:
- Структурные.
- Монтажные.
- Объединенные.
- Расположения.
- Общие.
- Функциональные.
- Принципиальные.
- Подключения.
Рассматривая схемы по электрике, перечисленные обозначения, по названию электросхемы определяют тип и вид.
Обозначения в электросхемах
В современный период в электромонтажных работах используются как отечественные, так и импортные элементы. Зарубежные детали можно представить широким ассортиментом. На схемах и чертежах они также обозначаются условно. Описывается не только размер параметров, но и список элементов, входящих в устройство, их взаимосвязь.
Теперь следует разобраться, для чего предназначена каждая конкретная электросхема, и из чего она состоит.
Принципиальная схема
Такой тип используется в распределительных сетях. Он обеспечивает полное раскрытие работы электрооборудования. На чертеже обязательно обозначают функциональные узлы, их связь. Схема имеет два вида: однолинейная, полная. На однолинейной схеме изображены первичные сети (силовые). Вот ее пример:
Полный вариант схемы по электрике изображается в элементном или развернутом виде. Если устройство простое, и на чертеже входят все пояснения, то хватит развернутого плана. При сложном устройстве с цепью управления, измерения и т. д., оптимальным решением будет изобразить все узлы на отдельных листах, во избежание путаницы.
Читать также: Как подключается лампочка к выключателю
Бывает также принципиальная электросхема, на которой изображена выкопировка плана с обозначением отдельного узла, его состав и работа.
Монтажная схема
Такие схемы по электрике применяются для разъяснения монтажа какой-либо проводки. На них можно изобразить точное положение элементов, их соединение, характеристики установок. На схеме проводки квартиры будет видно размещение розеток, светильников и т.д.

Эта схема руководит электромонтажными работами, дает понимание всех подключений. Для монтажа бытовых устройств такая схема лучше подходит для работы.
Объединенная схема
Этот тип схемы включает в себя разные виды и типы документов. Ее применяют для того, чтобы не загромождать чертеж, обозначить важные цепи, особенности. Чаще объединенные схемы применяют на предприятиях промышленности. Для домашнего применения она вряд ли имеет смысл.

Изучив условные обозначения, подготовив необходимую документацию, не трудно разобраться в работе любой электроустановке.
Oднолинейная схема электроснабжения пример электрической схемы
Специалисты нашей компании осуществляют разработку однолинейных схем электроснабжения (исполнительных и расчетных) для различных предприятий, промышленных и частных объектов.
Исполнительная однолинейная схема
Исполнительная однолинейная схема выполняется в том случае, если установка является действующей. Необходимое условие для составления данной схемы – обязательное проведение обследования объекта. Заказчику предоставляется не только выполненная однолинейная схема электроснабжения, но и рекомендации специалистов для устранения выявленных в ходе проведённого обследования дефектов.
Расчетная однолинейная схема
Разработка проекта электроустановки производится для объектов-новостроек. При составлении проекта производится расчёт нагрузок, подбор соответствующих аппаратов защиты, выбор сечения отходящих линий. В данном случае специалистами выполняется расчётная однолинейная схема, являющаяся основным документом, согласно которого проводятся все необходимые электромонтажные работы. Правильно составленная однолинейная электрическая схема гарантирует электробезопасность для людей и пожарную безопасность для объектов.
Для того, чтобы однолинейная схема электрических сетей была выполнена грамотно, обращаться следует только к квалифицированным и опытным специалистам. В нашей компании работают именно такие специалисты, мы имеем соответствующие допуски и лицензии. У нас за плечами – множество успешно завершённых проектов, наши специалисты выполняют работу качественно, с учётом всех соответствующих требований и условий.
Проектирование однолинейных схем – наиболее важная часть проекта, которая в дальнейшем успешно может заменить и сам проект. В будущем к ней можно будет прилагать любые чертежи, в согласовании которых нет необходимости.
Однолинейная схема электроснабжения дома должна составляться с учётом количества всех имеющихся нагрузок, с указанием значений мощности и номиналов автоматов, маркировки щитов, а также значений других показаний. В соответствии с ГОСТ, готовая принципиальная схема электроснабжения должна иметь штамп установленного образца.
Согласно установленным правилам, по которым составляется однолинейная схема, все секции вводно-распределительных устройств должны быть оформлены надлежащим образом – содержать указание единовременной, установленной и разрешённой мощностей, разрешённого тока, коэффициента мощности, типа используемого вводного кабеля. На схемах секций должны быть обозначены электрошкафы с указанием точной длины кабеля до них.
При планировании разработки однолинейных схем следует получить технические условия, выдачу которых осуществляет Энергосбыт. Приборы, обеспечивающие учёт электроэнергии, согласно техническим условиям наносятся на схему. Также, по правилам, которые обязательно нужно учитывать при составлении однолинейных схем, на каждой схеме следует отображать расчёт потерь при осуществлении передачи электрической энергии и шкаф АВР с обязательным описанием режимов работы.
Примеры однолинейных схем
Пример однолинейной схемы электроснабжения можно найти на нашем сайте или в специальной технической литературе. При обращении в нашу компанию, мы, при необходимости, предоставляем заказчикам для ознакомления пример однолинейной схемы, разработанной нашими специалистами.
Рисование с помощью фигур
Создать рисунок произвольной формы, со скруглениями, пестрыми цветами с плавными переходами, оттенками и прочими деталями этим методом практически невозможно. Правда, зачастую столь серьезный подход и не требуется. Проще говоря, не выдвигайте к Word высокие требования — это не графический редактор.
Добавление области для рисования
1. Откройте документ, в котором нужно сделать рисунок, и перейдите во вкладку «Вставка»
2. В группе иллюстрации нажмите на кнопку «Фигуры»
3. В выпадающем меню с доступными фигурами выберите последний пункт: «Новое полотно»
4. На странице появится прямоугольная область, в которой и можно начать рисовать.
Если это необходимо, измените размеры поля для рисования. Для этого потяните в нужном направлении за один из маркеров, расположенных на его границе.
Нарисовать схему электрощита онлайн
РАСЧЕТ НАГРУЗОК | ВЕКТОРНАЯ ДИАГРАММА | ВЫБОР ТРАНСФОРМАТОРОВ | РАСЧЕТ ТОКОВ КЗ ДО 1000 ВВСЕ ОНЛАЙН РАСЧЕТЫ | ПОСМОТРЕТЬ ЭЛЕКТРИКОВ РЯДОМПолноэкранный режим недоступен для гостевых пользователей Схема загружается, подождите.Подождите. Инструкция:
- После запуска апплета появится анимированная схема или чистый бланк для создания схемы.
- Зеленый цвет элемента схемы указывает на положительное напряжение.
- Серый цвет элемента схемы показывает заземление.
- Красный цвет элемента указывает на отрицательное напряжение.
- Движущиеся желтые точки показывают относительную силу тока в элементе.
- Для того, чтобы включить или отключить переключатель (ключ) просто кликните на него.
- При наведении мыши на элемент можно увидеть подробное описание его состояния в правом нижнем углу.
- Для изменения параметров элемента следует кликнуть на нем правой кнопкой мыши (или control+click для маков) и выбрать пункт «Правка».
- Меню «Схемы» содержит множество примеров схем, доступных для загрузки.





