Оглавление
Расчет нагрузки на швеллер (расчет на прочность)
Зачастую швеллер применяется для изготовления металлоконструкций (крановых мостов, ферм, лестниц, цеховых пролетов и пр.), при монтаже быстровозводимых зданий и сооружений, каркасов гаражей, стеллажей складских помещений, перекрытий, оснований крыш, армирования и усиления узлов. Основное достоинство этого проката – высокая несущая способность, которая имеет место благодаря форме его сечения (П-образное), при относительно малой металлоемкости. Методика расчета размера швеллера, таблица моментов сопротивления швеллера по ГОСТ — смотрите здесь.
П-образный профиль, как горячекатаный, так и гнутый в металлоконструкциях чаще всего работает либо просто на изгиб, либо на изгиб + растяжение/сжатие. Расчет швеллера на прогиб (на прочность) – является обязательным при проектировании изделия, в состав которого входит данный профиль. Он может быть проверочным и проектировочным. Рассмотрим на примере расчет распределенной нагрузки на швеллер, который имеет шарнирное закрепление.
Пусть имеется швеллер 10П, изготовленный из стали 09Г2С. Длина балки составляет 10 метров. Для того, чтобы определить допустимое значение нагрузки на швеллер (допустимые значения), необходимы некоторые справочные данные. Возьмем их из соответствующих ГОСТов и СНиПов.
Предел текучести стали 09Г2С (или нормативное сопротивление) составляет Rун = 345 МПа. Моменты сопротивления швеллера 10П берем из ГОСТ 8240-97, и их значения относительно осей Х и Y составляют: Wx=34,9 см3, Wy=7,37 см3. Максимальный изгибающий момент возникает балке с таким типом закрепления и нагружения посередине, и определяется из выражения: М = W∙Rун.
Произведем расчет допустимого момента для двух случаев расположения швеллера: 1) стенка расположена вертикально; 2) стенка расположена горизонтально. Тогда:
- М1 = 34,9∙345=12040,5 Н∙м
- М2 = 7,37∙345=2542,65 Н∙м
Зная момент, определим допустимые значения распределенной нагрузки на швеллер. Она составит:
q1 = 8∙М1/L2 = 8∙12040,5/102 = 963,24 Н/м или 96,3 кгс/м q2 = 8∙М2/L2 = 8∙2542,65/102 = 203,4 Н/м или 20,3 кгс/м
Получив значения допустимых распределенных нагрузок на швеллер, можно сделать вывод, что при данных условиях несущая способность швеллера расположенного по вертикали примерно в пять раз больше, чем в случае его расположения по горизонтали.
Таблица веса и размеров швеллеров
В таблицах используются следующие обозначения: h — высота швеллера, b – ширина полки, s – толщина стенки, t – толщина полки.
| Номер швеллера | h | b | s | t | Вес метра, кг | Метров в тонне |
|---|---|---|---|---|---|---|
| 5У | 50 | 32 | 4.4 | 7 | 4.84 | 206.61 |
| 6.5У | 65 | 36 | 4.4 | 7.2 | 5.9 | 169.49 |
| 8У | 80 | 40 | 4.5 | 7.4 | 7.05 | 141.84 |
| 10У | 100 | 46 | 4.5 | 7.6 | 8.59 | 116.41 |
| 12У | 120 | 52 | 4.8 | 7.8 | 10.4 | 96.15 |
| 14У | 140 | 58 | 4.9 | 8.1 | 12.3 | 81.3 |
| 16У | 160 | 64 | 5 | 8.4 | 14.2 | 70.42 |
| 16аУ | 160 | 68 | 5 | 9 | 15.3 | 65.36 |
| 18У | 180 | 70 | 5.1 | 8.7 | 16.3 | 61.35 |
| 18аУ | 180 | 74 | 5.1 | 9.3 | 17.4 | 57.47 |
| 20У | 200 | 76 | 5.2 | 9 | 18.4 | 54.35 |
| 22У | 220 | 82 | 5.4 | 9.5 | 21 | 47.62 |
| 24У | 240 | 90 | 5.6 | 10 | 24 | 41.67 |
| 27У | 270 | 95 | 6 | 10.5 | 27.7 | 36.1 |
| 30У | 300 | 100 | 6.5 | 11 | 31.8 | 31.45 |
| 33У | 330 | 105 | 7 | 11.7 | 36.5 | 27.4 |
| 36У | 360 | 110 | 7.5 | 12.6 | 41.9 | 23.87 |
| 40У | 400 | 115 | 8 | 13.5 | 48.3 | 20.7 |
| Номер швеллера | h | b | s | t | Вес метра, кг | Метров в тонне |
|---|---|---|---|---|---|---|
| 5П | 50 | 32 | 4.4 | 7 | 4.84 | 206.61 |
| 6.5П | 65 | 36 | 4.4 | 7.2 | 5.9 | 169.49 |
| 8П | 80 | 40 | 4.5 | 7.4 | 7.05 | 141.84 |
| 10П | 100 | 46 | 4.5 | 7.6 | 8.59 | 116.41 |
| 12П | 120 | 52 | 4.8 | 7.8 | 10.4 | 96.15 |
| 14П | 140 | 58 | 4.9 | 8.1 | 12.3 | 81.3 |
| 16П | 160 | 64 | 5 | 8.4 | 14.2 | 70.42 |
| 16аП | 160 | 68 | 5 | 9 | 15.3 | 65.36 |
| 18П | 180 | 70 | 5.1 | 8.7 | 16.3 | 61.35 |
| 18аП | 180 | 74 | 5.1 | 9.3 | 17.4 | 57.47 |
| 20П | 200 | 76 | 5.2 | 9 | 18.4 | 54.35 |
| 22П | 220 | 82 | 5.4 | 9.5 | 21 | 47.62 |
| 24П | 240 | 90 | 5.6 | 10 | 24 | 41.67 |
| 27П | 270 | 95 | 6 | 10.5 | 27.7 | 36.1 |
| 30П | 300 | 100 | 6.5 | 11 | 31.8 | 31.45 |
| 33П | 330 | 105 | 7 | 11.7 | 36.5 | 27.4 |
| 36П | 360 | 110 | 7.5 | 12.6 | 41.9 | 23.87 |
| 40П | 400 | 115 | 8 | 13.5 | 48.3 | 20.7 |
| Номер швеллера | h | b | s | t | Вес метра, кг | Метров в тонне |
|---|---|---|---|---|---|---|
| 5Э | 50 | 32 | 4.2 | 7 | 4.79 | 208.77 |
| 6.5Э | 65 | 36 | 4.2 | 7.2 | 5.82 | 171.82 |
| 8Э | 80 | 40 | 4.2 | 7.4 | 6.92 | 144.51 |
| 10Э | 100 | 46 | 4.2 | 7.6 | 8.47 | 118.06 |
| 12Э | 120 | 52 | 4.5 | 7.8 | 10.24 | 97.66 |
| 14Э | 140 | 58 | 4.6 | 8.1 | 12.15 | 82.3 |
| 16Э | 160 | 64 | 4.7 | 8.4 | 14.01 | 71.38 |
| 18Э | 180 | 70 | 4.8 | 8.7 | 16.01 | 62.46 |
| 20Э | 200 | 76 | 4.9 | 9 | 18.07 | 55.34 |
| 22Э | 220 | 82 | 5.1 | 9.5 | 20.69 | 48.33 |
| 24Э | 240 | 90 | 5.3 | 10 | 23.69 | 42.21 |
| 27Э | 270 | 95 | 5.8 | 10.5 | 27.37 | 36.54 |
| 30Э | 300 | 100 | 6.3 | 11 | 31.35 | 31.9 |
| 33Э | 330 | 105 | 6.9 | 11.7 | 36.14 | 27.67 |
| 36Э | 360 | 110 | 7.4 | 12.6 | 41.53 | 24.08 |
| 40Э | 400 | 115 | 7.9 | 13.5 | 47.97 | 20.85 |
| Номер швеллера | h | b | s | t | Вес метра, кг | Метров в тонне |
|---|---|---|---|---|---|---|
| 12Л | 120 | 30 | 3 | 4.8 | 5.02 | 199.2 |
| 14Л | 140 | 32 | 3.2 | 5.6 | 5.94 | 168.35 |
| 16Л | 160 | 35 | 3.4 | 5.3 | 7.1 | 140.85 |
| 18Л | 180 | 40 | 3.6 | 5.6 | 8.49 | 117.79 |
| 20Л | 200 | 45 | 3.8 | 6 | 10.12 | 98.81 |
| 22Л | 220 | 50 | 4 | 6.4 | 11.86 | 84.32 |
| 24Л | 240 | 55 | 4.2 | 6.8 | 13.66 | 73.21 |
| 27Л | 270 | 60 | 4.5 | 7.3 | 16.3 | 61.35 |
| 30Л | 300 | 65 | 4.8 | 7.8 | 19.07 | 52.44 |
| Номер швеллера | h | b | s | t | Вес метра, кг | Метров в тонне |
|---|---|---|---|---|---|---|
| 8С | 80 | 45 | 5.5 | 9 | 9.26 | 107.99 |
| 14С | 140 | 58 | 6 | 9.5 | 14.53 | 68.82 |
| 14Са | 140 | 60 | 8 | 9.5 | 16.72 | 59.81 |
| 16С | 160 | 63 | 6.5 | 10 | 17.53 | 57.05 |
| 16Са | 160 | 65 | 8.5 | 10 | 19.74 | 50.66 |
| 18С | 180 | 68 | 7 | 10.5 | 20.2 | 49.5 |
| 18Са | 180 | 70 | 9 | 10.5 | 23 | 43.48 |
| 18Сб | 180 | 100 | 8 | 10.5 | 26.72 | 37.43 |
| 20С | 200 | 73 | 7 | 11 | 22.63 | 44.19 |
| 20Са | 200 | 75 | 9 | 11 | 25.77 | 38.8 |
| 20Сб | 200 | 100 | 8 | 11 | 28.71 | 34.83 |
| 24С | 240 | 85 | 9.5 | 14 | 34.9 | 28.65 |
| 26С | 260 | 65 | 10 | 16 | 34.61 | 28.89 |
| 26Са | 260 | 90 | 10 | 15 | 39.72 | 25.18 |
| 30С | 300 | 85 | 7.5 | 13.5 | 34.44 | 29.04 |
| 30Са | 300 | 87 | 9.5 | 13.5 | 39.15 | 25.54 |
| 30Сб | 300 | 89 | 11.5 | 13.5 | 43.86 | 22.8 |
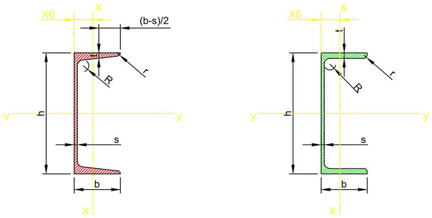
Швеллер представляет собой конструктивный элемент, сделанный из металла, у которого поперечный разрез образует букву «П». Он имеет стенки с полочкой. В разрезе стенка представляет собой перемычку, а полки выступают стенками. Производство выполняется по стандартизированным размерам. Таким образом высота изделия определяется высотой стенок. Рассчитать вес швеллера можно на нашем калькуляторе. Ниже представлены таблицы ГОСТ для подбора нужных значений.
Изделие производят из стального проката. При изготовлении используется метод горячей прокатки. Для этого применяются сортовые станки. Внутренние грани полочек сделаны с небольшим уклоном или выполнены параллельно друг другу. Отметим, что номер швеллера указывает высоту изделия.
Швеллеры используются везде, где требуется проведение строительных работ. Также они применяются в автомобильной отрасли. Однако, там используются специальные типы швеллеров. Часто его могут использовать для армирования ж/б конструкций или как самостоятельный материал, позволяющий делать каркасы, перекрытия и пандусы.
ГОСТ 8240-97 Швеллеры с уклоном внутренних граней полок

Обозначения:
h — высота; b — ширина полки; s — толщина стенки; t — толщина полки;
R — радиус кривизны; r — радиус закругления полки;
z — расстояние от оси Y — Y до наружной грани стенки ;
I — момент инерции; W — момент сопротивления;
S — статистический момент; i — радиус инерции.
| Номер швеллера | h | b | s | t | R | r | Площадь поперечного сечения, см2 | Масса 1 м, кг | Справочные значения для осей | zо, см | ||||||
| не более | X — X | Y — Y | ||||||||||||||
| мм | Ix, см4 | Wx , см3 | ix, см | Sx, см3 | Iy, см4 | Wy, см3 | iy, см | |||||||||
| 5 | 50 | 32 | 4,4 | 7,0 | 6,0 | 2,5 | 6,16 | 4,84 | 22,8 | 9,1 | 1,92 | 5,59 | 5,61 | 2,75 | 0,95 | 1,16 |
| 6,5 | 65 | 36 | 4,4 | 7,2 | 6,0 | 2,5 | 7,51 | 5,90 | 48,6 | 15,0 | 2,54 | 9,00 | 8,70 | 3,68 | 1,08 | 1,24 |
| 8 | 80 | 40 | 4,5 | 7,4 | 6,5 | 2,5 | 8,98 | 7,05 | 89,4 | 22,4 | 3,16 | 23,30 | 12,80 | 4,75 | 1,19 | 1,31 |
| 10 | 100 | 46 | 4,5 | 7,6 | 7,0 | 3,0 | 10,90 | 8,59 | 174,0 | 34,8 | 3,99 | 20,40 | 20,40 | 6,46 | 1,37 | 1,44 |
| 12 | 120 | 52 | 4,8 | 7,8 | 7,5 | 3,0 | 13,30 | 10,40 | 304,0 | 50,6 | 4,78 | 29,60 | 31,20 | 8,52 | 1,53 | 1,54 |
| 14 | 140 | 58 | 4,9 | 8,1 | 8,0 | 3,0 | 15,60 | 12,30 | 491,0 | 70,2 | 5,60 | 40,80 | 45,40 | 11,00 | 1,70 | 1,67 |
| 16 | 160 | 64 | 5,0 | 8,4 | 8,5 | 3,5 | 18,10 | 14,20 | 747,0 | 93,4 | 6,42 | 54,10 | 63,30 | 13,80 | 1,87 | 1,80 |
| 16a | 160 | 68 | 5,0 | 9,0 | 8,5 | 3,5 | 19,50 | 15,30 | 823,0 | 103,0 | 6,49 | 59,40 | 78,80 | 16,40 | 2,01 | 2,00 |
| 18 | 180 | 70 | 5,1 | 8,7 | 9,0 | 3,5 | 20,70 | 16,30 | 1090,0 | 121,0 | 7,24 | 69,80 | 86,00 | 17,00 | 2,04 | 1,94 |
| 18a | 180 | 74 | 5,1 | 9,3 | 9,0 | 3,5 | 22,20 | 17,40 | 1190,0 | 132,0 | 7,32 | 76,10 | 105,00 | 20,00 | 2,18 | 2,13 |
| 20 | 200 | 76 | 5,2 | 9,0 | 9,5 | 4,0 | 23,40 | 18,40 | 1520,0 | 152,0 | 8,07 | 87,80 | 113,00 | 20,50 | 2,20 | 2,07 |
| 22 | 220 | 82 | 5,4 | 9,5 | 10,0 | 4,0 | 26,70 | 21,00 | 2110,0 | 192,0 | 8,89 | 110,00 | 151,00 | 25,10 | 2,37 | 2,21 |
| 24 | 240 | 90 | 5,6 | 10,0 | 10,5 | 4,0 | 30,60 | 24,00 | 2900,0 | 242,0 | 9,73 | 139,00 | 208,00 | 31,60 | 2,60 | 2,42 |
| 27 | 270 | 95 | 6,0 | 10,5 | 11,0 | 4,5 | 35,20 | 27,70 | 4160,0 | 308,0 | 10,90 | 178,00 | 262,00 | 37,30 | 2,73 | 2,47 |
| 30 | 300 | 100 | 6,5 | 11,0 | 12,0 | 5,0 | 40,50 | 31,80 | 5810,0 | 387,0 | 12,00 | 224,00 | 327,00 | 43,60 | 2,84 | 2,52 |
| 33 | 330 | 105 | 7,0 | 11,7 | 13,0 | 5,0 | 46,50 | 36,50 | 7980,0 | 484,0 | 13,10 | 281,00 | 410,00 | 51,80 | 2,97 | 2,59 |
| 36 | 360 | 110 | 7,5 | 12,6 | 14,0 | 6,0 | 53,40 | 41,90 | 10820,0 | 601,0 | 14,20 | 350,00 | 513,00 | 61,70 | 3,10 | 2,68 |
| 40 | 400 | 115 | 8,0 | 13,5 | 15,0 | 6,0 | 61,50 | 48,30 | 15220,0 | 761,0 | 15,70 | 444,00 | 642,00 | 73,40 | 3,23 | 2,75 |
Швеллеры с уклоном полки применяют в качестве балок и несущих прогонов. Геометрические параметры сечения близки к идеальным. Швеллер хорошо работает на изгиб и воспринимает крутящие моменты. К недостаткам этого типа швеллера можно отнести уклон полок, т.к. при необходимости приварить в швеллер пластины внутрь швеллера, пластины получаются сложной формы в виде трапеции. При широком распространении в наше время плазменной резки пластин, эта проблема постепенно теряет актуальность. Также некоторые трудности возникают при врезке одного швеллера в другой, т.к. подрезка полок более трудная, чем у швеллера с параллельными полками. В целом швеллер с уклоном полок успешно применяется в при проектировании металлических каркасов и имеет широкое распространение.
При использовании сортамента следует учитывать, что одни позиции популярны и их можно купить практически на любой базе металлопроката, а некоторые позиции редки и достать их трудно, особенно в регионах. Также следует учитывать разброс цен, т.к. иногда выгоднее закладывать более дешевые балки, что окупается даже не смотря на некоторый перерасход металла.
В таблице представлены цены на начало 2018 года.
| А ГРУПП, ООО | ЕВРАЗ МЕТАЛЛ ИНПРОМ, ОАО | ТК СТАЛЬ-ИНТЕКС ТРЕЙД, ООО | АРИЭЛЬ МЕТАЛЛ, ОАО | ОМЕГА МЕТАЛЛ, ГК | МЕТАЛЛО-КОМПЛЕКТ-М, АО | ДИПОС, ГК | ЕМГ-ГРУПП, ООО | ARCELOR-MITTAL (AMDSV LLC) | БРОК-ИНВЕСТ-СЕРВИС И К, ТФД, ЗАО | МЕТАЛЛ-СЕРВИС, ОАО | МЕТАЛЛО-ТОРГ, АО | МЕТАГОР, ООО | АТОН-СТАЛЬ, ООО | СТАЛЬ-РЕЗЕРВ, ТПО, ООО | АМГ, ООО | |
| 5У | 45 480 | 48 500 | 49 990 | 51 200 | 48 500 | 49 990 | 44 990 | |||||||||
| 6,5У | 52 700 | 47 000 | 44 580 | 47 900 | 48 750 | 47 500 | 47 490 | 51 200 | 48 800 | 48 990 | 45 490 | |||||
| 8У | 47 800 | 47 800 | 44 580 | 47 500 | 53 500 | 49 500 | 44 000 | 47 990 | 53 600 | 48 000 | 48 990 | 54 990 | ||||
| 10У | 53 500 | 50 400 | 48 580 | 51 800 | 48 000 | 52 590 | 50 500 | 50 490 | 53 600 | 48 000 | 52 990 | 48 790 | ||||
| 12У | 54 800 | 53 100 | 48 880 | 54 200 | 55 000 | 55 590 | 54 500 | 54 990 | 54 900 | 52 500 | 55 490 | 49 990 | ||||
| 14У | 56 300 | 53 100 | 48 580 | 57 800 | 55 000 | 55 590 | 55 500 | 57 990 | 55 300 | 51 500 | 54 990 | 50 300 | 52 990 | |||
| 16У | 56 500 | 54 280 | 55 500 | 55 500 | 56 590 | 55 000 | 55 990 | 55 900 | 55 500 | 56 990 | 52 300 | 54 990 | ||||
| 18У | 57 200 | 54 900 | 53 280 | 57 490 | 57 800 | 57 000 | 59 590 | 54 000 | 57 990 | 56 400 | 51 000 | 59 490 | 52 300 | 52 990 | ||
| 20У | 54 650 | 53 500 | 65 280 | 54 650 | 54 650 | 40 500 | 65 890 | 54 400 | 69 000 | 54 650 | 55 200 | 55 650 | 68 300 | 73 950 | ||
| 22У | 73 950 | 70 180 | 72 000 | 73 950 | 30 300 | 74 590 | 65 000 | 72 000 | 72 000 | 73 000 | 69 300 | 69 990 | ||||
| 24У | 73 950 | 68 000 | 72 280 | 71 500 | 73 950 | 74 590 | 70 000 | 72 000 | 73 950 | 72 000 | 73 000 | 73 300 | 72 490 | |||
| 27У | 73 950 | 68 000 | 72 280 | 71 500 | 69 000 | 73 950 | 73 950 | 70 000 | 72 000 | 73 950 | 72 000 | 73 000 | 54 000 | 72 490 | ||
| 30У | 73 950 | 68 000 | 73 080 | 69 000 | 73 950 | 74 590 | 70 000 | 72 000 | 73 950 | 72 000 | 73 000 | 73 300 | 73 950 | |||
| 40У | 90 000 | 89 500 | 90 000 | 90 000 | 89 990 | 89 990 | 110 000 | 99 900 | 92 900 | 109 990 |
Классы проката

9.5 мм
2.30 cм
5.2 мм
200 мм
9.0 мм
76 мм
Размеры швеллера 20П
Купить швеллер 20 можно различных типов, которые распространяются и на весь сортамент продукции в целом. Распространенные группы следующие:
- продукция, отличающаяся наличием уклона между полками. Маркируются такие материалы литерой У, например, швеллер 20У, и отличаются наличием угла между элементами конструкции и вертикалью. Удобно использовать такие изделия в качестве направляющих, так как геометрия обеспечивает надежную поддержку для роликов и аналогичных систем;
- вторая группа имеет обозначение П, входит в нее и рассматриваемое изделие. Производители швеллера 20П создают материалы этого класса с параллельными полками. Такие изделия имеют большую жесткость, если усилие прикладывается к площадке, так как деформации мешают полки, потому в строительной сфере и машиностроении продукция нашла широкое применение, в том числе в виде несущих элементов;
- третий класс маркируется Э, то есть экономичные изделия, грани которых параллельны. Название серия получила за счет того, что цены швеллера 20 этого класса оказываются доступнее аналогов. Достигается этот фактор за счет снижения затрат металла при выпуске профиля, очевидно, что страдают от этого в первую очередь несущие характеристики, потому прокат гарантированно работает в условиях с меньшими постоянными/переменными воздействиями. Для серьезных нагрузок стоит купить швеллер 20П;
- схожей по характеристикам можно назвать категорию Л, то есть легкие профили. Компоненты конструкций облегчены, что делает их разумным решением при необходимости придать системе высокую прочность при экономии веса;
- производители швеллера 20 так же выпускают материалы с маркировкой С, то есть специальную продукцию. Данные компоненты имеют уклон внутренних граней, что роднит их с классом У. По этой причине сечение в поперечном направлении у отмеченных групп схоже, аналогичным образом общие черты имеют профили П, Э и Л. Уклон полок для специального типа и У соответствует разбросу от 4 до 10 процентов.
Помимо приведенных классов существует разделение по точности прокатки. Купить швеллер 20 можно высокой точности профилирования и повышенной, группа А и Б соответственно. От показателя зависит строгость допустимых отклонений от табличных параметров, а значит надежность при эксплуатации. Материал лучше поддается расчетам несущей способности при проектировании, так как выше вероятность соблюдения оптимального уровня. За характеристики приходится расплачиваться повышением цены швеллера 20 П.
Отдельного внимания заслуживает сортамент проката, согласно нормативам стандарта, можно купить швеллер 20 П, а так же различные типовые размеры шириной от 50 до 400 мм с полками от 32 до 115 мм.
Масса швеллера 20
Перед выбором фасонного швеллера 20, изготовленного по условиям государственного стандарта, необходимо произвести расчет характеристик будущей конструкции. Специалисты, занятые в сфере производственного цикла с помощью таблицы помогут подобрать фасонный металлопрокат нужной марки стали, конфигурации, оптимального размера и допустимой нагрузки. Под заказ продукция может изготавливаться по индивидуальным чертежам.
При весе 18,4 кг одного метра швеллер идеально подходит для сооружения навесов, павильонов, терминалов, рельсов для подъемных кранов, перекрытий производственного цеха, мостов, эстакад. Продукция поставляется партиями по 60 т, связками, пачками или поштучно. Изделия оснащаются Сертификатом качества и бирками с информацией о размерных параметрах изделия, номере партии, количестве единиц в пачке и ее весе. Доставка продукции осуществляется автотранспортом, вагонами и в длинномерных контейнерах.
Классификация, размеры и поперечное сечение
Все рабочие характеристики сортамента 8240−89 регламентируются ТУ и требованиями стандарта. По данным габаритных размеров, номинальной массы и размеров поперечного сечения можно рассчитать вес конструкции, выбрать фасонный прокат равнополочного и не равнополочного типа. Для каркасов облегченного типа используется устойчивый к атмосферным и климатическим факторам гнутый алюминиевый швеллер.
Марки стали для фасонного проката
Изготовление фасонного металлопроката горячекатаным способом осуществляется из углеродистой стали 5 категории Ст. 3сп/пс ГОСТ 380–2005 , низколегированной стали 09Г2С, 17Г1С, 10ХСНД или 15ХСНД (ГОСТ 19281−89), а также антикоррозийной 10ХСНД или 15ХСНД. Характеристики сплава помогают снизить вес нагружаемых металлоконструкций, сохранить свойства в течение всего срока эксплуатации. При небольшом весе гнутая сортовая сталь устойчива к деформации, прогибам, кручению.
Что определяет прочность швеллера
Наиболее часто швеллер используется в конструкциях в качестве элемента, работающего на растяжение/сжатие, изгиб или при приложении обоих типов нагрузки. Как правильно подобрать профиль (необходимое сечение) и материал швеллера в этих случаях, на этот вопрос мы ответим ниже.
При проектировании любой металлоконструкции, обязательным является расчет на прочность. Для стержня, работающего на растяжение/сжатие, данные вычисления осуществляются по выражению:
σ=N/F≤
для балки, которая нагружена изгибающим моментом, расчет на прочность ведется по следующей формуле:
σ=M/W≤Ry, где
σ – напряжения, возникающие в балке/стержне N – продольная сила, вызывающая растяжение/сжатие стержня M – изгибающий момент в сечении балки F – площадь сечения стержня W – момент сопротивления балки , Ry – предел текучести/сопротивление стали
Зная нагрузку, действующие на стержень/балку, можно рассчитать минимально допустимые значения площади или момента сопротивления, и по таблицам швеллеров, подобрать необходимый профиль, обеспечивающий условие прочности.
Следовательно, прочность швеллера, работающего на растяжение/сжатие, определяет марка стали, из которой он изготовлен и площадь сечения; а работающего на изгиб – материал и момент сопротивления.
Кроме того, довольно часто расчета на прочность не достаточно для обеспечения надежности конструкции. Необходимо также проверить ее жесткость. Для балок, подверженных изгибу необходимо определить относительный прогиб, который не должен превышать допустимого значения. Здесь определяющими величинами для стальных балок является ее длина и момент инерции сечения. Зная нагрузки, материал и допустимы относительный прогиб, также можно рассчитать минимально допустимый момент инерции, и по ГОСТу подобрать необходимый швеллер.
Таблицы размеров швеллеров в соответствии с ГОСТом
Швеллер – это довольно популярное изделие металлопроката, производимое из разных сортов стали. Сам термин имеет немецкое происхождение. Основной отличительной чертой профиля является П-образная форма изделия в поперечном сечении.

Изготовление швеллеров осуществляется на специальном оборудовании в соответствии с установленными стандартами качества
Для изготовления швеллеров используется спецоборудование. По способу производства различаются горячекатаные либо гнутые профили. По форме граней полок они могут быть параллельными или иметь определенный уклон внутри. В основе классификации также лежит числовое значение в виде номера возле соответствующей маркировки. Цифры указывают на размер, который определяется расстоянием между гранями полок снаружи.
Изготовление швеллеров, как и другой металлопрокатной продукции, регламентируется соответствующим ГОСТом, где четко прописаны основные требования к тому или иному типу профиля. Все данные наглядно приведены в таблицах. Например, нормативный документ «Швеллеры стальные горячекатаные. Сортамент» (ГОСТ 8240 97) содержит 7 таких развернутых таблиц.
Воспользовавшись соответствующими табличным данными, можно определить качество изделия, соотнеся его реальные размеры с описанными в ГОСТе. В идеале показатели должны полностью совпадать, хотя иногда металлопродукция изготавливается под заказ. Индивидуальные профили выпускаются небольшими партиями – под конкретный проект. Цены швеллеров под заказ отличаются от стоимости продукции серийного производства.

В нормативах ГОСТа четко прописаны все требования, которым должен соответствовать швеллер того или иного типа
Стандартная высота швеллеров колеблется от 50 до 400 мм, ширина полочек – от 32 до 115 мм. Допустимая погрешность (по сравнению с указанными нормативными размерами) может составлять максимум 3 мм. Мерная длина швеллеров соответствует показателю от 4 до 13 м.
Вес швеллеров, их маркировка и условные обозначения
Для обозначения разных типов швеллеров используют специальную маркировку. Буква обозначает тип профиля, характеризуя особенности строения и расположения граней:
- «П» – указывает на параллельность;
- «У» – обозначает наличие уклона на гранях;
- «Э» – свидетельствует об экономичности;
- «Л» – подразумевает лёгкость;
- «С» – говорит о специальном назначении профиля.

Для определения видов швеллеров, а также их характеристик используют специальные условные обозначения
Кроме высоты изделия, применяются и другие показатели размеров. В таблицах они имеют специальные обозначения:
- h – это высота профиля, что является основной величиной, определяющей размер продукции металлопроката;
- b – указывает на ширину полок;
- S – показатель толщины главной стенки;
- R – определяет радиус закруглённой внутренней части полочки;
- t – указывает на толщину полок;
- r – это значение общего радиуса закруглённости полочек.
Важным показателем в выборе материала (при проектировании строительства) является вес швеллера. Правильный расчет данных позволяет точно рассчитать количество необходимой продукции и, таким образом, сэкономить на ее приобретении. Существует несколько методов вычисления веса погонного метра. Они зависят от способа изготовления проката
Например, для определения удельной массы горячекатаного швеллера берут во внимание показатели радиусов внутреннего закругления и закругления полочек

Чертеж швеллера из горячекатаной стали с уклоном и параллельными полками
Швеллер: размеры, влияющие на сферу применения
Подводя итог сказанного выше, напрашивается вывод, что швеллер – это металлопрокатная продукция, которая применяется для армирования конструкций из железобетона, для производства крановой продукции, электроопор, мостов, нефтевышек и других масштабных сооружений. Широкий спектр использования обусловлен высоким уровнем прочности и устойчивости при сравнительно небольшой массе изделия. При этом разные размеры швеллеров применимы в конкретных областях или имеют специальное предназначение.
Так, благодаря своим компактным размерам швеллер 8 широко употребляется в индивидуальном строительстве в качестве бетонных перемычек, а также служит для изготовления основ в сооружении дверных и оконных проемов. Широкое применение, благодаря универсальному размеру и прочности, имеет швеллер 10, изготовленный методом горячей прокатки.

Сфера использования швеллера напрямую зависит от его размера и толщины стали
Таким же способом производится и швеллер 12. Главная его положительная черта – отличная свариваемость. Его употребляют с целью увеличения несущей способности конструкции и в качестве армирования сооружений. Швеллер 14 производят с использованием прокатных станков. Усиленная жесткость предполагает его применение в качестве несущих балок в перекрытиях при возведении высотных зданий, а также в вагоностроении.
Швеллер 16, изготовленный способом горячей прокатки, широко используют в возведении высоток, а также в строительстве металлических опор для мостов. Размеры швеллера 18 позволяют употреблять его в качестве арматуры на высотных сооружениях и в конструкциях, имеющих высокую степень нагрузки.

Профили с маркировкой от 20 и выше могут использоваться для возведения мостов и других крупногабаритных объектов с высокой нагрузкой
Профили с маркировкой 20, 22, 24 относятся к категории высокопрочных. Их используют в сооружении высоконагруженных строений и конструкций, которые движутся. Например, размеры швеллера 24 предполагают его применение в строительстве раздвижных мостов, а также кранов с высокой подъёмной способностью.
Швеллер 40, имея максимальную жесткость, используется в тяжелой промышленности, где предусмотрены колоссальные нагрузки, в судостроении, а также для сооружения нефтяных платформ.
Таким образом, швеллеры имеют большое значение в строительстве, поэтому широко применяются в разных его сферах. При выборе продукции необходимо ориентироваться в диапазоне размеров и знать основные характеристики каждого типа швеллеров. Это позволит подобрать нужную серию и максимально эффективно использовать данный вид металлопрокатной продукции.
Основные параметры швеллера 12: размеры, вес и стоимость
Металлическое изделие под названием швеллер 12 с параллельными полками имеет толщину тела 7,8 мм, стенок – 4,8 мм. Производят такую продукцию длиной от 2 до 12 м. Под заказ могут быть изготовлены более длинные экземпляры. Популярность данного вида профиля обусловлена его положительными качествами, заключенными в оптимальном соотношении массы, прочности и сравнительно небольшой стоимости.
Профили из низколегированной стали подлежат эксплуатации при высоких температурах и в условиях повышенного воздействия химических веществ. Также изделия отлично противостоят сжатию и изгибу, но в то же время плохо сопротивляются кручению.
Вес 1 метра швеллера 12 можно узнать, воспользовавшись приведенной выше таблицей или применив онлайн-калькулятор. Именно от этого параметра зависит цена изделия. Согласно данным таблицы вес швеллера 12 за 1 метр составляет 10,4 кг.

Швеллер 12 — чертеж с размерами согласно ГОСТу
Как и швеллеры иных размеров, этот вид изделия имеет дополнительную маркировку с различными характеристиками. Наиболее популярным является швеллер 12П, обладающий параллельными полочками с гранями без уклона.
Размеры швеллера 12П приведены ниже:
- ширина – 52 мм;
- вес погонного метра – 10,40 кг;
- протяженность в тонне – 95,94 м.
Швеллер с отметкой 12 имеет и другие серии. Например, 12Л – это изделие металлопроката габаритами 120х30 мм, характеризующееся наклоненными полками. Вес 1 м такого профиля равен 5,02 кг, а метраж в 1 тонне составляет 199 м.

Вместе с цифровым значением, обозначающим ширину профиля, ставят букву, указывающую на конструкционные особенности материала
Сфера применения
Как упоминалось ранее, швеллеры применяются в капитальном строительстве. Основное предназначение изделий – усиление бетонных конструкций, что существенно увеличивает прочность и долговечность конструкции. Кроме этого, швеллеры применяют для армирования линий электропередач, мостов, производственных зданий и сооружений.
Стоит отметить, что в продаже имеются перфорированные изделия. Здесь предусмотрены специальные отверстия, предназначенные для быстрого монтажа без использования электросварки. Кроме этого, между полками могут располагаться трубы для быстрой подводки инженерных коммуникаций и кабельных линий.
Существуют швеллеры, изготовленные из алюминиевого сплава, применяемые для возведения облегчённых конструкций. В частности, внутренних перегородок внутренних помещений, стеллажей, витрин.
Швеллер гнутый равнополочный ГОСТ 8278-83
По ширине полок гнутый швеллер подразделяют на равнополочный и неравнополочный. Данный стандарт распространяется на гнутые стальные равнополочные швеллеры, которые изготавливают из холоднокатаной и горячекатаной стали обыкновенного качества, углеродистой качественной конструкционной и низколегированной. Гнутый швеллер производят на профилегибочных станах из рулонов.
По точности профилирования, согласно нормативным документам, изготавливается швеллер разной точности прокатки: высокой точности — А, повышенной — Б, обычной точности — В. Показатели технического уровня по этому ГОСТу предусмотрены для высшей и первой категории качества.
|
|
|
|
Отличие горячекатаного швеллера от гнутого.
Швеллер гнутый стальной представляет собой П-образное сечение, как и горячекатаный, но имеет более скруглённые внешние углы, более точные размеры. т.к. при производстве устраняются дефекты, имеющиеся у заготовки. При применении гнутого швеллера не требуется дополнительная обработка, в отличие от горячекатаного швеллера, гнутый имеет равномерную толщину изделия. Гнутый швеллер значительно легче горячекатаного проката, соответственно экономически выгоднее для покупателя.
Применение гнутого швеллера. Такой швеллер используется в промышленном и гражданском строительстве при возведении основы зданияна начальном этапе, он позволяет уменьшить нагрузку на фундамент. Гнутый швеллер применяется для каркасов перегородок, для облицовки стен. Его не используют, как горячекатаный, для конструкций, которые будут испытывать большие нагрузки, но применяют как дополнительный усиливающий элемент каркаса. В автомобильной промышленности и вагоностроении изготавливают рамные конструкции, дорожную и строительную технику с использованием гнутого швеллера.
|
|
Швеллер гнутый равнополочный характеризуется параметрами: швеллера, R- радиус кривизны, Xo – расстояние от оси y-y до наружной поверхности стенки. |
По ГОСТ 8278 швеллер гнутый изготавливают длиной 3 — 11,8м: мерной длины, мерной длины с немерными отрезками, кратной мерной длины, кратной мерной длины с немерными отрезками и немерной длины. По требованию клиента выпускают швеллеры до 12м. Марки стали и технические требования соответствуют ГОСТ 11474.
Швеллер гнутый широко представлен на наших складах Московской области (лобня, Электроугли), в городах Орёл, Белгород, Нижний Новгород, Воронеж, Курск, Саратов,Самара, Казань,Ульяновск, Ростов-на-Дону, Краснодар, Пятигорск, Новочеркасск, Череповец, станции Новотитаровская. В Ростове-на-Дону и г. Курске производится гнутый швеллер по размеру заказчика. Толщина стенки производимого нами гнутого швеллера составляет 2,5 — 6 мм, высота: 40 — 250 мм, ширина полки: 32 -125 мм.
Таблица швеллеров ГОСТ 8278-83. Сортамент швеллеров гнутых, в основном изготавливаемых нами и предлагаемых с наших складов. Масса стального гнутого равнополочного швеллера, вес 1 метра швеллера, количество метров в тонне. a, b – высота и ширина гнутого швеллера, s – толщина стенки
| Швеллер гнутый | Вес метра гнутого швеллера | Метров в тонне | ||
| a | b | s | ||
| 32 | 2,5 | 2,22 | 450,45 | |
| 4 | 3,39 | 294,99 | ||
| 32 | 4 | 4,02 | 248,76 | |
| 40 | 3 | 3,49 | 286,53 | |
| 60 | 3 | 4,43 | 225,73 | |
| 4 | 5,78 | 173,08 | ||
| 5 | 7,07 | 141,54 | ||
| 80 | 4 | 7,07 | 141,54 | |
| 100 | 50 | 3 | 4,47 | 223,71 |
| 4 | 5,81 | 172,12 | ||
| 5 | 7,14 | 140,06 | ||
| 120 | 50 | 3 | 4,91 | 203,67 |
| 60 | 4 | 7,07 | 141,54 | |
| 5 | 8,71 | 114,81 | ||
| 6 | 10,25 | 97,56 | ||
| 80 | 4 | 8,32 | 120,19 | |
| 5 | 10,28 | 97,28 | ||
| 140 | 60 | 4 | 7 | 142,86 |
| 5 | 9,49 | 105,37 | ||
| 160 | 50 | 5 | 9,49 | 105,37 |
| 60 | 4 | 8,32 | 120,19 | |
| 5 | 10,28 | 97,28 | ||
| 6 | 12,14 | 82,37 | ||
| 80 | 4 | 9,58 | 104,38 | |
| 5 | 11,85 | 84,39 | ||
| 6 | 14,02 | 71,33 | ||
| 180 | 60 | 4 | 10 | 100 |
| 70 | 6 | 14,02 | 71,32 | |
| 80 | 5 | 12,68 | 78,86 | |
| 200 | 60 | 4 | 9 | 111 |
| 80 | 5 | 13,42 | 74,52 | |
| 6 | 15,91 | 62,85 | ||
| 100 | 5 | 16 | 62,5 | |
| 6 | 17,79 | 56,21 | ||
| 250 | 125 | 6 | 22,5 | 44,44 |
Купить швеллер гнутый
Вариации швеллера 14: размеры, масса, сфера применения
П-образная продукция с маркировкой 14, благодаря своим высоким прочностным характеристикам, широко используется в укреплениях железобетонных изделий, применяется для армирования металлоконструкций, а также в различных строительных и реставрационных работах. Данный тип изделия имеет свои серии:
- 14П – это швеллер, произведенный горячекатаным способом, имеющий общее назначение. Его производят согласно ГОСТ 8240-97.
- 14У – это профиль специального назначения, который широко используют в машиностроении.
- Стальной гнутый швеллер с равными полками выпускают посредством специализированных станков.
- Гнутый профиль из стали с неравными полками производят на профилегибочном оборудовании.
Швеллер 14, как и другие виды металлопроката, может быть как с параллельными полочками (маркировка «П»), так и с наклонными – марка «У». Для обеих серий существуют общие характеристики:
- высота – 140 мм;
- ширина – 58 мм;
- толщина полочки – 8,1 мм;
- толщина стенки – 4,9 мм;
- вес 1 метра швеллера 14 – 12,3 кг;
- в 1 тонне насчитывается 81,3 м изделия.

Швеллер 14 — схема сечения с условными обозначениями
Необходимо отметить, что вес швеллера 14 строго регламентируется требованиями определенного ГОСТа. Максимальная погрешность не может превышать 4,5% от массы всей приобретаемой продукции. Швеллеры данного типа выпускают длиной от 2 до 12 м. Стоимость продукции зависит от серии.
Классификация

Разновидности швеллера зависят от нескольких критериев. В частности, продукция подразделяется на такие группы:
- По технологии изготовления. В этом направлении выделяются две категории: гнутые и горячего проката. Отличия между изделиями заключаются в следующем: горячекатаные швеллеры имеют прямой или острый угол между поперечной балкой и вертикальными гранями, гнутые – имеют изгиб округлой формы. К этой категории можно выделить сварные конструкции, выполненные из двух сваренных уголков и H-образные, получившие название двутаврового швеллера.
- Точность проката. Здесь существуют три группы: А, Б, В, обозначающие высокую, повышенную и обычную точность соответственно.
- Прочность. Этот критерий определяет устойчивость изделия к динамическим нагрузкам. В частности, на рынке имеются изделия обычной и повышенной прочности.
Кроме этого, швеллеры разделяются на размерные группы, где определяющими критериями являются длина и ширина изделия.
Вес, цена, размеры швеллера 20: все необходимые сведения о профиле
Швеллер 20 относится к разряду универсальных изделий из металлопроката, произведенных из стали горячекатаным способом. Его применяют практически во всех отраслях – не только при строительстве несущих конструкций, но и для возведения мостов, в автомобильной и вагонной промышленностях, а также в тяжелом машиностроении. Производство изделий регламентируется несколькими ГОСТами, согласно которым установлены технические характеристики и допустимые отклонения от нормы.
Швеллер 20 имеет три основных типа, которые соответствуют определенным требованиям Госстандарта:
- общего применения и специального предназначения – ГОСТ 8240-97;
- специальные для автомобилестроения – ГОСТ 19425-74;
- специальные для вагоностроения – ГОСТ 5267.1-90.
Для всех этих типов проката характерны общие параметры, такие как высота, ширина полок и вес швеллера 20. Следует отметить, что профиль может быть как равнополочным, так и с наклоненными гранями полок. Размерные характеристики профиля 20 следующие:
- высота – 200 мм;
- ширина полки – 76 мм;
- толщина стенок – 52 мм;
- толщина полочки – 9 мм.

Швеллер 20 наиболее востребован в строительстве для сооружения поддерживающих конструкций
Масса разных типов швеллера может немного отличаться. Например, у швеллера 20П вес 1 метра равен 18,4 кг. Серия П швеллера 20 наиболее востребована на строительном рынке. Его используют как для сооружения каркасов, так и для строительства мостов, создания крупных станков, а также в других целях. Согласно ГОСТ 8240-89 для горячекатаных и ГОСТ 8278-83 для гнутых швеллеров профили изготавливают длиной от 4 до 12 м.









