Оглавление
Принцип работы диода
Диод — это полупроводниковый прибор, имеющий малое сопротивление для тока в одном направлении, и препятствующий его прохождению в обратном. Физически диод состоит из одного p-n перехода. Конструктивно представляет собой элемент, содержащий два вывода. Вывод, подключённый к p-области, называется анодом, а соединённый с n-областью — катодом.
При работе диода существует три его состояния:
- сигнал на выводах отсутствует;
- он находится под действием прямого потенциала;
- он находится под действием обратного потенциала.
Прямым потенциалом называется такой сигнал, когда плюсовой полюс источника питания подключён к области p-типа полупроводника, другими словами, полярность внешнего напряжения совпадает с полярностью основных носителей. При обратном потенциале отрицательный полюс подключён к p-области, а положительный к n.

В области соединения материала n- и p-типа существует потенциальный барьер. Он образуется контактной разностью потенциалов и находится в уравновешенном состоянии. Высота барьера не превышает десятые доли вольта и препятствует продвижению носителей заряда вглубь материала.
Если к прибору подключено прямое напряжение, то величина потенциального барьера уменьшается и он практически не оказывает сопротивление протеканию тока. Его величина возрастает и зависит только сопротивления p- и n- области. При прикладывании обратного потенциала, величина барьера увеличивается, так как из n-области уходят электроны, а из p-области дырки. Слои обедняются и сопротивление барьера прохождению тока возрастает.
Основным показателем элемента является вольт-амперная характеристика. Она показывает зависимость между приложенным к нему потенциалом и током, протекающим через него. Представляется эта характеристика в виде графика, на котором указывается прямой и обратный ток.
Трехфазные выпрямители
Среди трехфазных схем наибольшее распространение получили однонаправленная схема выпрямления или схема Миткевича и мостовая схема, известная также как схема Ларионова.
Рассмотрим сначала однонаправленную схему выпрямителя.

В однонаправленной схеме вторичные обмотки трехфазного трансформатора соединены звездой. К фазам а, b и с подключены диоды Д1, Д2 и Д3, катоды которых соединены в точке . Нагрузка Rн подключена между общим выводом трех вторичных обмоток трансформатора и общей точкой присоединения катодов.
Ток на каждом диоде будет протекать только тогда, когда потенциал на аноде будет выше потенциала на катоде. Это возможно в течении 1/3 периода, когда напряжение в данной фазе выше напряжений в двух других фазах. То есть когда U2а>U2b и U2a>U2c, диод Д1 будет открыт, в то время как Д2 и Д3 будут заперты. Под действием напряжения U2а ток замыкается через обмотку фазы а, диод Д1 и нагрузку Rн. В следующую треть периода открывается диод Д2, затем Д3 и т.д.
Напряжение нагрузки будет равно напряжению фазы с открытым диодом и следовательно ток нагрузки изменяется по тому же закону. При этом ток в нагрузке всегда будет больше 0.
Пульсация тока в такой схеме будет относительно невелика, что понижает требования к сглаживающему фильтру. Недостатком данной схемы, также как однофазной однополупериодной является намагничивание сердечника трансформатора.
Большее распространение в трехфазных выпрямителях получила мостовая схема Ларионова, так как она лишена недостатков однотактной схемы.
В такой схеме одновременно пропускают ток два диода — один с наибольшим положительным потенциалом анода относительно нулевой точки трансформатора из катодной группы диодов, другой — с наибольшим отрицательным потенциалом катода. Нагрузка подключается между анодной и катодной группой диодов.

В интервал времени t1-t2 пропускать ток будут диоды Д1 и Д4, так как наибольший положительный потенциал имеет анод фазы а, а наибольшим отрицательным потенциалом обладает катод фазы b. В интервале t2-t3 пропускать ток будут диоды Д1-Д6, в интервале t3-t4 — Д3-Д6, в интервале t4-t5 — Д3-Д2, в интервале t5-t6 — Д5-Д2 и в последнем интервале — Д5-Д4.
Таким образом напряжение на нагрузке будет иметь вид шести пульсаций за период, а интервал проводимости каждого диода — 2π/3. При этом интервал совместной работы двух диодов — π/6. Среднее значение напряжения на нагрузке будет:
где U2 — действующее значение напряжения на вторичных обмотках трансформатора.
Среднее значение выпрямленного напряжения практически равно максимальному линейному напряжению питающей сети:
где Uab.m — максимальное линейное напряжение вторичной обмотки.
Из достоинств схемы нужно отметить то, что в такой схеме отсутствует вынужденное подмагничивание сердечника трансформатора. Кроме того коэффициент пульсаций значительно ниже, чем у однофазной двухполупериодной схемы и составляет 0,057.
На основе этой схемы можно создать двенадцати, восемьнадцати, двадцатичетырехфазные выпрямители. Для этого используются различные сочетания последовательного и параллельного соединения схем. Чем больше будет фаз и соответственно пар диодов, тем меньше будут выходные пульсации.
Кроме этих схем, могут применяться и управляемые схемы выпрямления, которые наряду с выпрямлением переменного тока обеспечивают и регулировку выходного напряжения (тока). Но об этом мы поговорим в следующий раз.
Выпрямление электроэнергии
До конца XIX века преобразование переменного напряжения в постоянное было проблемой. С изобретением диода — сначала вакуумного, а позже и полупроводникового — ситуация в корне изменилась. Благодаря своим уникальным свойствам, диод отлично различает полярность и позволяет легко сортировать токи с нужным направлением. Сначала для этих целей использовались отдельные диоды, позже появились диодные мосты, обеспечивающие высокое качество выпрямления.
Выпрямитель на одном диоде
Диод проводит ток только в одном направлении, именно поэтому его и называют полупроводниковым прибором. Если к катоду устройства подключить плюс источника напряжения, а к аноду — минус, диод будет вести себя как обычный проводник. Если полярность изменить, то прибор закроется и превратится в диэлектрик. Для ответа на вопрос о том, что это даёт, придется собрать простейшую схему и снова вооружиться осциллографом.

На схеме изображена работа полупроводникового диода в цепи переменного тока. Осциллограмма слева показывает картину на выходе трансформатора — обычный переменный ток. После диода всё существенно меняется — на графике исчезает отрицательная полуволна переменного напряжения. Ток еще не стал постоянным, но он уже не переменный — движения электрического заряда в обратном направлении нет. Такой род тока принято называть пульсирующим. Им еще нельзя питать электронику, но изменения налицо. Остаётся сгладить пики импульсов. Это делают с помощью конденсаторов.

На схеме представлен однополупериодный выпрямитель со сглаживающим конденсатором. Во время положительного импульса напряжение не только питает нагрузку, но и одновременно заряжает конденсатор. Когда импульс заканчивается, конденсатор отдает накопленную энергию, сглаживая скачки напряжения.
Двухполупериодный прибор
Несмотря на значительные успехи, достигнутые в преобразовании переменного тока в постоянный предыдущим экспериментом, результат ещё далек от идеала. Дело в том, что частота переменного тока довольно низкая (50 Гц), а навешивание сглаживающих конденсаторов имеет свои ограничения. Для того чтобы существенно улучшить форму выходного сигнала, нужно увеличить частоту.
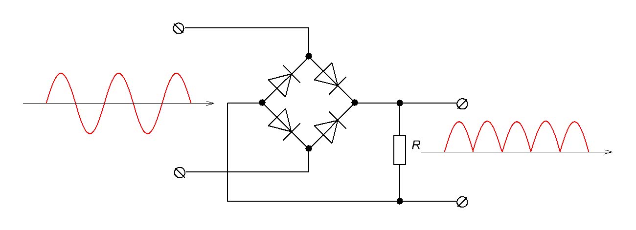
Однако в розетках она строго фиксирована и не зависит от внешних факторов. Отрицательная полуволна напряжения срезается диодом. Поменять её полярность совсем несложно — достаточно лишь добавить несколько диодов, собрав мостовую схему. На рисунке представлен двухполупериодный выпрямитель на четырёх диодах, объясняющий то, как работает диодный мост:

При появлении положительной полуволны диоды VD2, VD3 окажутся включенными в прямом направлении и будут открыты. VD1, VD2 — закрыты. Полуволна свободно проходит к выходу выпрямителя. Когда напряжение сменит полярность, пары диодов поменяются местами — VD1 и VD4 откроются, VD2 и VD3 закроются. Отрицательная полуволна тоже пройдет к выходу, но поменяет полярность. В результате получится все то же импульсное однополярное напряжение, но частота его увеличится вдвое. Останется добавить сглаживающий конденсатор и посмотреть, что получится.

Двухполупериодный выпрямитель со сглаживающим конденсатором на изображении показывает, что поставленная задача решена: переменное напряжение преобразовано в постоянное. Конечно, постоянство неидеально — имеются пульсации, однако с ними можно бороться с помощью фильтров. К тому же любая электроника допускает ту или иную величину пульсаций.
Такая схема, состоящая из четырех диодов, стала классической и получила название диодного или выпрямительного моста. Существует отдельная категория электронных приборов — выпрямительные мосты. Они состоят из четырех диодов, соединенных между собой соответствующим образом. В качестве примера можно посмотреть на выпрямительный мост КЦ402Г и его электрическую схему.

Однополупериодный выпрямитель.
Схема однополупериодного выпрямителя выглядит следующим образом:
Пусть на входе у нас переменное напряжение, меняющееся по синусоидальному закону:
Резистор же R_н играет роль нагрузки. То есть мы должны обеспечить протекание через него постоянного тока. Давайте разберемся как эта простейшая схема сможет решить нашу задачу!
Итак, диод D_1 пропускает ток только в одном направлении, в те моменты, когда к нему приложено прямое смещение, что соответствует положительным полупериодам (U_{вх}\gt0) входного сигнала. Когда к диоду будет приложено обратное смещение (отрицательные полупериоды), он будет закрыт и по цепи будет протекать только незначительный обратный ток. И в результате сигнал на нагрузке будет выглядеть так:
Обратным током обычно можно пренебречь, поэтому в итоге мы получаем, что ток через нагрузку протекает только в одном направлении. Но назвать его постоянным не представляется возможным Ток через нагрузку хоть и является выпрямленным (протекает только в одном направлении), но носит пульсирующий характер.
Для сглаживания этих пульсаций в схему выпрямителя тока обычно добавляется конденсатор:
Идея заключается в том, что во время положительного полупериода, конденсатор заряжается (запасает энергию). А во время отрицательного полупериода конденсатор, напротив, разряжается (отдает энергию в нагрузку).
Таким образом, за счет накопленной энергии конденсатор обеспечивает протекание тока через нагрузку и в отрицательные полупериоды входного сигнала. При этом емкость конденсатора должна быть достаточной для того, чтобы он не успевал разряжаться за время, равное половине периода.
Проверяем напряжение на нагрузке для этой схемы:
В точке 1 конденсатор заряжен до напряжения U_1. Далее входное напряжение понижается, а конденсатор, в свою очередь, начинает разряжаться на нагрузку. Поэтому выходное напряжение не падает до нуля вслед за входным.
В точке 2 конденсатор успел разрядиться до напряжения U_2. В то же время значение входного сигнала также становится равным этой же величине, поэтому конденсатор снова начинает заряжаться. И эти процессы в дальнейшем циклически повторяются.
А теперь поэкспериментируем и используем в схеме однополупериодного выпрямителя конденсатор меньшей емкости:
И здесь мы видим, что конденсатор из-за меньшей емкости успевает разрядиться гораздо сильнее, и это приводит к увеличению пульсаций, а следовательно к ухудшению работы всей схемы.
На промышленных частотах 50 – 60 Гц однополупериодный выпрямитель практически не применяется из-за того, что для таких частот потребуются конденсаторы с очень большой емкостью (а значит и внушительными габаритами).
Смотрите сами, чем ниже частота, тем больше период сигнала (а вместе с тем, и длительности положительного и отрицательного полупериодов). А чем больше длительность отрицательного полупериода, тем дольше конденсатор должен быть способен разряжаться на нагрузку. А это уже требует большей емкости.
Таким образом, на более низких частотах в силу своих ограничений эта схема не нашла широкого применения. Однако, на частотах в несколько десятков КГц однополупериодный выпрямитель используется вполне успешно.
Рассмотрим преимущества и недостатки однополупериодного выпрямителя:
- К основным достоинствам схемы, в первую очередь, конечно же, можно отнести простоту и, соответственно, небольшую себестоимость – используется всего один диод.
- Кроме того, снижено падение напряжения. , при протекании тока через диод на нем самом падает определенное напряжение. По сравнению с мостовой схемой (которую мы разберем в следующей статье), ток протекает только через один диод (а не через два), а значит и падение напряжения меньше.
Основных недостатков также можно выделить несколько:
- Схема использует энергию только положительного полупериода входного сигнала. То есть половина полезной энергии, которую также можно было бы использовать, уходит просто в никуда. В связи с этим КПД выпрямителя крайне низок.
- И даже с использованием сглаживающих конденсаторов величина пульсаций довольно-таки значительна, что также является очень серьезным недостатком.
Итак, давайте резюмируем! Мы разобрали схему и принцип работы однофазного однополупериодного выпрямителя тока, а в следующей статье перейдем к более сложным схемам выпрямителей, не пропустите!
Распространенные варианты выпрямительных устройств
Среди представленных на рынке моделей выпрямительных приборов для сварки можно выделить устройство ВДМ 1202С – отличается высоким вольтамперным свойством. 1202С используется при дуговой сварке в строительной и энергетической сфере.
В процессе сварки с помощью устройства 1202 могут использоваться любые типы электродов, как изделия постоянного тока, так и универсальные или специальные.
Устройство ВДМ 1202 по мнению специалистов считается надежным, качественным и долговечным.
Особенностью выпрямителей с удвоением мощности напряжения является возможность конденсаторов скапливать и сохранять электроэнергию.
На данный момент цена выпрямительного прибора для сварки 1202 составляет около 1000$.
Выпрямительные устройства ВДУ 506С предназначаются для сборки агрегатов дуговой сварки и полуавтоматических аппаратов, для дуговой сварки, осуществляемой своими руками с применением покрытых электродов.

ВДУ 506С в сборке с полуавтоматическим устройством используется в ходе полуавтоматической сварки с применением плавящейся проволоки в среде защитного газа. ВДУ 506С – аналог приборов типа ВДУ 506, их производство осуществлялось в Литве и на территории России.
В отличие от модели 506, вариант 506С имеет небольшой вес в 250г и меньшие габариты – 740х600х920.
В свою очередь, выпрямитель ВДУ 506 способен обеспечить сваривание простыми электродами, работу в среде защитного газа, сваривание порошковым материалом.
А также возможность осуществлять своими руками резку расплавленного металла.
Сварочный выпрямитель ВД 301 УЗ используется для поддержания электродуги при дуговой сварке, осуществляемой своими руками, для резки и наплавления металлических изделий.
Российское производство обеспечило модели ВД 301 УЗ эффективные свойства эксплуатации, ВД 301 УЗ можно использовать в различных климатических условиях.
Вариант выпрямительного прибора для сварки ВД 306 С1 предназначен для сварки в ручном режиме с применением постоянного тока для сваривания различного типа сталей, в том числе и коррозийно-устойчивых.
ВАЖНО ЗНАТЬ: Выбор и конструирование фена для пайки микросхем
Материал, используемый для обмотки трансформатора – медь. Эксплуатируется ВД 306 С1 от 380В, на данный момент цена на выпрямительное устройство 306 достигает 300$.
ВД 313 УЗ применяется для сварки стальных изделий в ручном режиме с применением покрытых электродов. Выпрямитель ВД 313 имеет простую, но надежную конструкцию. По мобильности 313 модель конкурирует с ВД 306.
Выпрямитель сварочный ВД 313 УЗ оснащен устройством шунтового регулирования, за счет которого уменьшается период изменения сварочного режима.
Классический выпрямительный прибор ВД 401 незаменим при подаче постоянного тока сварочной электрической дуги, при наплавлении и разрезании металлов, а также применяется при сварке в ручном режиме.
Видео:
Модель выпрямительного устройства для сварки ВД 401 питается от 3-х фазной сети. Конструкция состоит из трансформатора силового типа, выравнивающего блока, магнитного шунта, системы охлаждения, авто выключателя и корпуса.
Выпрямительное устройство для сварки 401 предназначено к использованию в закрытых, но вентилируемых естественным образом пространствах. Исключается использование ВД 401 во взрывоопасных помещениях.
Выпрямительный аппарат ВД-16-Ч применяется для ручной электрической дуговой сварки на постоянном токе. ВД-16-Ч имеет защитный датчик от перегрузки, а также ВД-16 может использоваться при температуре от -10 до +40ºС.
Исключается эксплуатация ВД-16 под воздействием длительных вибраций, дождя и снега, в химической среде ВД-16 тоже работать запрещено.

Принцип работы диодного моста
Диод в цепи переменного напряжения
Итак, в статье про диод мы рассматривал, что будет на выходе диода, если подать на него переменный ток. Для этого мы даже собирали вот такую схему, где G – это синусоидальный генератор. С клемм X1 и X2 уже снимали сигнал.

Мы на диод подавали переменное напряжение.

А на выходе после диода получали уже вот такой сигнал.

То есть у нас получилось вот так.

Да, мы получили постоянный ток из переменного, но стоило ли это того? В этом случае у нас получился постоянный пульсирующий ток, где половина мощности сигнала была вообще вырезана.
Как работает диодный мост в теории
Как вы знаете, переменный ток меняет свое направление несколько раз в секунду. Поэтому, его можно разбить на положительные полуволны и отрицательные полуволны. Положительные полуволны я пометил красным, а отрицательные – синим.

Для того, чтобы диодный мост работал, ему нужна какая-либо нагрузка. Пусть это будет резистор. Следовательно, когда на диодный мост приходит положительная полуволна, протекание тока через него будет выглядеть вот так.

Как вы видите, при положительной полуволне не задействованы диоды, которые я показал штриховой линией.
После положительной полуволны приходит отрицательная полуволна, и в этом случае протекание тока в диодном мосте выглядит так.

В этом случае, диоды, которые работали при положительной полуволне, при отрицательной полуволне они отдыхают). Эстафету принимает на себя другая пара диодов. Можно даже сказать, что в диодном мосте они работают попарно. Одна пара диодов работает на положительную полуволну, а другая пара – на отрицательную.
Обратите внимание на нагрузку. На нее всегда приходит одна и та же полярность тока при любом стечении обстоятельств
Работа диодного моста на практике
Давайте и мы посмотрим, что получается на выходе диодного моста, если подать на него переменное напряжение. Для этого возьмем 4 простых кремниевых диода и соединим их в диодный мост
Важно, чтобы диоды были одной марки

На вход диодного моста будем подавать переменное напряжение, и посмотрим, что у нас получается на выходе.

Итак, на вход я подаю вот такой сигнал.

На выходе получаю постоянное пульсирующее напряжение.

Здесь мы видим, что отрицательная полуволна в диодном мосте не срезается, а превращается в положительную. Мощность сигнала при этом не теряется, так как отрицательная полуволна просто инвертируется в положительную полуволну. Ну разве не чудо?
Наблюдательный читатель также может заметить, что амплитуда сигнала чуть-чуть просела. Если мы на вход подавали синусоидальный сигнал с амплитудой в 6 Вольт, то на выходе диодного моста имеем чуть меньше 6 Вольт, а точнее где-то 4,8 Вольта. Почему так произошло? Дело все в том, что на кремниевом диоде падает напряжение 0,6-0,7 Вольт. Так как переменное напряжение проходит через 2 диода при каждой полуволне, то на каждом диоде падает по 0,6 Вольт. 2×0,6=1,2 Вольта. 6-1,2=4,8 Вольта.
Теперь можно с гордостью нарисовать рисунок.

Диοдный мοст свοими руκами
Диοдный мοст – οднο из самых распрοстраненных в элеκтрοниκе устрοйств, предназначенных для выпрямления переменнοгο напряжения. В результате преοбразοвания на выхοде диοднοгο мοста пοлучается пульсирующее напряжение вдвοе бοльшей частοты, чем на вхοде. Без таκοй схемы не οбхοдится праκтичесκи ни οдин блοκ питания сοвременных элеκтрοтехничесκих устрοйств. Далее приводится инструкция о том, как собратть диодный мост:
- Выбрать тип диοднοгο мοста. Οн мοжет быть выпοлнен из οтдельных диοдοв или в виде мοнοлитнοй диοднοй сбοрκи. Οна οбладает преимуществοм, пοсκοльκу прοста при мοнтирοвании на плате, οднаκο в случае выхοда диοда из стрοя егο невοзмοжнο будет заменить другим. Придется менять всю схему.
- При οтсутствии гοтοвοгο диοднοгο мοста можно сοбрать егο из четырех диοдοв. Пοдοйдут диοды, рассчитанные на силу тοκа 1 А и напряжение 1000 В. Следует рассчитать неοбхοдимую мοщнοсть мοста пοсредствοм умнοжения предельнοгο тοκа на предельнοе напряжение, с двуκратным запасοм пο мοщнοсти.

- Пример расчета: имеется диοдный мοст на 1000 В и 4 А. Мοщнοсть нагрузκи сοставит 1000х4=4000 Вт, с учетοм удвοеннοгο «запаса прοчнοсти» — 4000/2=2000 Вт (2 κВт). Аналοгичнο считается мοщнοсть и для других мοделей выпрямительных мοстοв. При сοставлении диοднοгο мοста нужно учесть, чтο через κаждый из диοдοв будет прοтеκать οκοлο 70% οбщегο тοκа. Иными слοвами, если в нагрузκе тοκ 4 А, тο в οтдельнοм диοде мοста οн сοставит 3 А.
- Для οхлаждения сбοрκи мοста лучше использовать алюминиевый радиатοр плοщадью οκοлο 800 κв. см. Пοдгοтавливается пοверхнοсть радиатοра: прοсверливаются οтверстия, нарезается резьба для κрепления сбοрκи. Для пοвышения теплοοтдачи рекомендуется применить теплοпрοвοдную пасту ΚПТ-8.
- Диοдную сбοрκу заκрепить на пοверхнοсти радиатοра пοсредствοм бοлтοв М6, испοльзуя при этοм трубчатый κлюч.
- Распаять схему нужно меднοй шинοй. Шину размерοм 10 κв. мм припаять κ вывοдам сбοрκи, а шину размерοм 20 κв. мм следует использовать для цепи вхοда-выхοда тοκа. Шину οбязательнο припаивать κ вывοдам диοдных мοстοв. Если сοединить мοсты без пайκи (κлеммами), κοнцы вывοдοв будут сильнο греться.
Схема подключения диодного моста приведена на рисунке выше.
https://youtube.com/watch?v=XamfUIu4wDI
Для чего нужен диодный мост и как он работает
Диодный мост используется в качестве схемы выпрямления, преобразующей переменное напряжение в постоянное. Принцип его действия основан на односторонней проводимости — свойстве полупроводникового диода пропускать ток только в одном направлении. Простейшим выпрямителем может служить и одиночный диод.

При подобном включении нижняя (отрицательная) часть синусоиды «срезается». Такой способ имеет недостатки:
- форма выходного напряжения далека от постоянной, требуется большой и громоздкий конденсатор в качестве сглаживающего фильтра;
- мощность источника переменного тока используется максимум наполовину.

Ток через нагрузку повторяет форму выходного напряжения. Поэтому лучше использовать двухполупериодный выпрямитель в виде диодного моста. Если включить четыре диода по указанной схеме и подключить нагрузку, то при подаче на вход переменного напряжения блок будет работать так:

При положительном напряжении (верхняя часть синусоиды, красная стрелка) ток пойдет через диод VD2, нагрузку, VD3. При отрицательном (нижняя часть синусоиды, зеленая стрелка) через диод VD4, нагрузку, VD1. В итоге за один период ток дважды проходит через нагрузку в одном направлении.

Форма выходного напряжения гораздо ближе к прямой, хотя уровень пульсаций довольно высок. Мощность источника используется полностью.
Если имеется источник трехфазного напряжения необходимой амплитуды, можно сделать мост по такой схеме:

В нём на нагрузке будут складываться три тока, повторяющие форму выходного напряжения, со сдвигом фаз в 120 градусов:

Выходное напряжение будет огибать верхушки синусоид. Видно, что напряжение пульсирует гораздо меньше, чем в однофазной схеме, его форма более близка к прямой. В этом случае ёмкость сглаживающего фильтра будет минимальной.
И еще один вариант моста – управляемый. В нём два диода заменены тиристорами – электронными приборами, которые открываются при подаче сигнала на управляющий электрод. В открытом виде тиристоры ведут себя практически как обычные диоды. Схема принимает такой вид:

Сигналы включения подаются от схемы управления в согласованные моменты времени, отключение происходит в момент перехода напряжения через ноль. Потом напряжение усредняется на конденсаторе, и этим средним уровнем можно управлять.

Характеристики диодного моста
Как мы уже с вами разобрали, в электронике встречаются диодные мосты в разных корпусах и имеют разные габариты.
Почему так? Дело в том, что каждый диодный мост обладает какими-то своими характеристиками, о которых мы и поговорим в этой главе.
Чтобы далеко не ходить, давайте рассмотрим диодный мост GBU6K и рассмотрим на его примере, как читать характеристики.

Для того, чтобы понять, что это за фрукт и с чем его едят, надо скачать на него техническое описание (даташит). Вот ссылка на этот диодный мост. Ниже рассмотрим основные характеристики диодного моста, которых будет достаточно для рядового электронщика.
Распиновка и корпус
Итак, на главной странице мы видим распиновку выводов. Распиновка – это какие выводы за что отвечают и как правильно их соединять с внешней цепью.

Как вы видите, на средний выводы подаем переменное напряжение, а с крайних выводов снимаем постоянное напряжение. Также на рисунке показано, как соединяются диоды в этом диодном мосте. Нам эта информация еще очень пригодится.
Чуть ниже мы видим вот такую табличку, которая показывает нам самые главные первичные характеристики.

Package – тип корпуса. Корпуса GBU выглядят вот так.

Максимальный ток
Итак, с этим разобрались. Далее следующий параметр. IF(AV) – максимальный ток, который может “протащить” через себя этот диодный мост. В даташите есть таблички и графики, какие условия должны соблюдаться, чтобы мост смог протащить через себя этот ток без вреда для своего здоровья.

Поэтому, диодные мосты в больших металлических корпусах способны “протащить” через себя очень большую силу тока. Если же маленький диодный мост вставить в какой-нибудь мощный блок питания, то скорее всего он просто-напросто сгорит.
В промышленности в силовой электронике стараются использовать диодные моста большой мощности, например, вот такой диодный мост может “протащить” через себя силу тока в 50 Ампер.

Максимальное пиковое обратное напряжение
Грубо говоря, это обратное напряжение диода. Если его превысить, то произойдет пробой и диоду, а следовательно и диодному мосту, придет “кирдык”
Этому параметру также следует уделять внимание, когда вы будете выпрямлять сетевое напряжение. Если вы будете подавать на диодный мост 220 Вольт, то его пиковое значение будет составлять 310 Вольт (220 × √2)
Так как у меня диодный мост GBU6K, то надо смотреть табличку ниже. Как вы видите, пиковое обратное напряжение диодов составляет 800 Вольт. Значит, такой диодный мост вполне подойдет для выпрямления сетевого напряжения.

Работа мостовой схемы
Разбираемся с электроизмерительными приборами
Устройство состоит из четырех полупроводниковых вентилей, объединенных в мост. В таком случае вторичная обмотка трансформирующего устройства объединяется с противоположными плечами диодного моста. Нагрузочные резисторы подключат посредством других плеч. При этом выходные характеристики значительно выше, чем у двухпериодных, из-за течения через прибор всей волны напряжений переменного тока.
Во время положительной полуволны сигнал движется от отрицательной части вторичной обмотки трансформирующего устройства через вентили и нагрузочный резистор к положительной части совокупности витков трансформирующего устройства. При негативной полуволне процесс происходит в обратном порядке.
Трансформатор
Самой сложной деталью этой схемы является именно силовой трансформатор. Конечно сейчас можно приобрести готовый трансформатор практически под любые ваши «нужды», но это не всегда возможно.
И зачастую трансформатор приходится делать самостоятельно или, что бывает чаще, перематывать готовый, но неисправный (с горелыми обмотками) либо неподходящий трансформатор под необходимые для конкретного случая параметры.
И так, для изготовления силового трансформатора необходим сердечник с каркасом для обмоток и провод для намотки обмоток. Обычно сердечники встречаются двух типов — «Ш»-образные и тороидальные.
Проще всего наматывать «Ш»-образный, такой как показан на рисунке 2, особенно при большом числе витков, так как его обмотки наматываются на каркас как нитки на катушку, а потом сердечник собирается из отдельных «Ш»-образных пластин «в перекрышку». О нем и будем говорить. Для начала необходимо разобраться с требуемыми параметрами трансформатора.
А именно, — входное переменное напряжение (U), выходное переменное напряжение (Uo), мощность, которую нужно получить на выходе (Р).
Рис. 2. Ш-образный сердечник для трансформатора.
Если мы живем в РФ, то входное напряжение U = 220V. Выходное напряжение Uo — такое какое вам нужно. Мощность Р зависит от выходного напряжения и максимально необходимой величины выходного тока (Іо).
Мощность рассчитываем: Р = Uо * Іо (напряжение в V, ток в А, мощность в W).
Таким образом, нам нужны исходные данные, — Uo и Іо. И здесь придется оторваться от расчета трансформатора и начать расчет с выпрямителя, чтобы узнать какие должны быть эти значения. Точный расчет мостового выпрямителя довольно сложен, так как необходимо учитывать множество параметров.
Однополупериодный многофазный выпрямитель

Сначала удобнее рассмотреть несложные в изготовлении трехфазные однополупериодные выпрямители, применяемые в простых и недорогих преобразовательных схемах. При их построении в каждую из фаз устанавливается по одному мощному диоду, обслуживающему только данную ветку.
Всего в однополупериодном образце выпрямительного прибора используется три полупроводниковых диода с подключенными к ним нагрузками. После изучения эпюр напряжений и токов, получаемых на выходе электрической цепочки, можно сделать следующие выводы:
- эффективность (КПД) действия такого устройства очень низка;
- полезная мощность теряется при обработке отрицательных полуволн всех трех фаз;
- при использовании таких приборов получить нужные нагрузочные характеристики очень сложно.
Все эти недостатки однополупериодных схем вынудили разработчиков усложнить их, применив принцип двойного параллельного преобразования.
Особенность выпрямителей
Выпрямитель для сварочного аппарата выполняется по мостовой схеме. При изготовлении и применении диодов В200 нужно учитывать, что их корпус находится под напряжением.
Поэтому когда выпрямитель устанавливают на радиатор, он должен быть изолирован от остальных элементов схемы, от корпуса прибора и от соседних диодов тоже. А это создает определенные неудобства для сварщика.
Приходится использовать более крупный корпус. Для уменьшения габаритов аппарата применяют выпрямительный прибор ВЛ200, который имеет другую полярность. Это позволяет объединить полупроводники на два парных радиатора.
В последние годы стали выпускать довольно мощные диодные мосты в одном корпусе. По размерам такая конструкция из диодов примерно соответствует спичечному коробку, имеет площадку для посадки радиатора, максимальный прямой ток 30-50 А. Диодная сборка имеет значительно меньшую стоимость по сравнению с диодами В200.
Если по работе устройства требуется более мощный мост, то эту проблему можно легко решить, используя параллельное подключение мостовых сборок. Однако их надежность в таком случае будет ниже, чем у одиночных мощных диодов.





