Оглавление
Планировка на участке
Начинать стоит с определения размеров дома и его возможного расположения на участке. Сделать это можно, только имея на руках его подробный план с указанием всех размеров, сторон света, особенностей рельефа, дорог, коммуникаций и уже имеющихся на нем объектов, не подлежащих сносу, если таковые есть. Желательно также иметь общий план с изображением соседних участков и природных объектов, чтобы из окон спроектированного дома открывался красивый вид, а не соседский сарай.
Перед тем, как создать проект дома, нужно уточнить местные требования к его виду и расположению, узнать о наличии централизованных коммуникаций, геологических условий на участке. При этом учитываются следующие факторы:
- расстояние от фасада до «красной линии» (обычно не менее 5 метров);
- расстояние до границ соседних участков (не менее 3 метров);
- расстояние до подземных линий газо- и водоснабжения;
- наличие и расположение подъездных путей и т.д.
Кроме того, важно уже на этом этапе определиться с расположением других построек и зон на участке, чтобы любым из них было удобно пользоваться. План участка в 3D-изображении Источник mtdata.ru
План участка в 3D-изображении Источник mtdata.ru
К примеру, если ширина фасадной стороны земельного участка 18 метров, то ширина дома не может быть более 12 метров, так как с обеих сторон от него до границ должно быть свободное трёхметровое пространство. Если планируется ещё и гараж, отступ от которого определяется метровой зоной, размеры дома снова придётся корректировать в соответствии с этими условиями.
Далее нужно продумать подключение дома к имеющимся инженерным коммуникациям либо автономным системам жизнеобеспечения, таким как скважина или колодец, септик. Чем короче и прямее будут эти линии, тем дешевле обойдётся их устройство и тем надёжнее они будут в эксплуатации.
Ещё один важный момент: как сделать проект дома самому, если застройка территории ещё не началась. Ведь в этом случае невозможно визуально оценить характер грунта, высоту стояния грунтовых вод и прочие важные параметры местности, от которых в первую очередь зависит выбор типа фундамента, возможность строительства подвала, устройства водопроводного колодца и септика. Потребуется, как минимум, бурение нескольких разведочных скважин на будущей стройплощадке.
Чертёж в разрезе для дачных помещений
Двухэтажный дом, как правило, имеет не много пространства, но при хорошей планировке его будет достаточно для реализации всего необходимого.
При составлении чертежа в разрезе для каркасного здания стоит обратить внимание на то, где какую комнату необходимо разместить:
- спальные помещения лучше всего размещать так, чтобы их окна смотрели в юго-восточном или восточном направлении;
- интерьер и план кухни, ванна в доме и прихожая должны быть на западе;
- детскую комнату или помещения для гостей стоит расположить в юго-восточной или южной стороне дома.

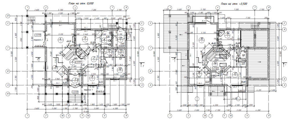
Чертежи с размерами всех этажей дома
Правильное расположение жилых помещений позволит не только получить большое количество света в нужном месте, но также создать правильный воздухообмен между помещениями.
Чертёж в разрезе будет достаточно продуманным, но в то же время простым. Именно простота является гарантом качества и удобства использования чертежа строителями или конструкторами.
Оценка проекта
Способ сооружения и материалы выбирались для максимальной экономии при строительстве, не влияющей на комфорт проживания. Поэтому стены сооружаются из газоблока, крыша имеет двускатную конструкцию и для фундамента решено использовать блоки ФСБ.
Проект одноэтажного дома с мансардой площадью 245 м2
Конструктивные особенности:
- Монолитное основание – ж\б плита.
- Перекрытия сборного типа – специальные железобетонные конструкции.
- Крыша мансардная. Для ее сооружения применяется битумная черепица, которая крепится на деревянные стропила. Вид: двухскатная.
- Цоколь монолитный ж\б.
- Для кладки перегородок используется силикатный кирпич.
- Внешние стены из газобетонных блоков.
- Окна металлопластиковые.
Чертеж размеров комнат
Чертежи фасадов – определение и особенности
Чертеж фасада – это графическое изображение внешнего вида проектируемого здания с разных сторон, так называемый вид сбоку. Он обязательно содержит высотные отметки и другие размеры, которые определяют положение конструктивных элементов дома, видимых снаружи. В отличие от цветных изображений фасада, чертеж выполняется на плоскости и не содержит перспективных искажения, цвета или теней.
Для получения визуального представления о проектируемом доме дополнительно разрабатываются цветные фасады. Их главная цель – дать заказчику представление, как выглядит построенное здание. Нередко под общим термином «фасады» обозначаются обе описанные выше части проектной документации. Главные различия между ними таковы:
- Чертеж фасада дома относится к рабочей документации и необходим для создания кладочных чертежей и разработки конструктивно-технической и архитектурной части проекта;
- Фасады в цвете позволяют получить представление о внешнем облике и эстетических параметрах будущего здания, способах и материалах отделки, а также его архитектурных особенностях.
|
|
|
| Чертеж фасада | Фасад в цвете |
Чертежи фасадов домов и коттеджей выполняются в соответствии с проектными стандартами и правилами в едином стиле с другими частями документации. Это необходимо для того, чтобы облегчить чтение чертежей и сопоставление их между собой.
Единых нормативов и стандартов для разработки фасадов в цвете нет, однако, в большинстве случаев проектировщики и архитекторы стараются унифицировать всю разрабатываемую проектную документацию. Поэтому выполняются два варианта цветных фасадов – крупный для более простой визуализации и обычный в масштабе, аналогичном техническим чертежам.
Действительно ли каркасные дома так хороши?
Производители каркасных домов чаще всего приводят несколько факторов, которые определяют каркасные дома:
Скорость создания такого дома не может вас не порадовать, особенно в сравнении с классическим строительством;
Стоимость домов может показаться высокой, но если учитывать скорость и качество работы, плюс гарантию от производителя, то мнение сразу же меняется (по факту такие дома стоят на 40% меньше обычных);
Такое строение отлично держит тепло, что немаловажно для российских жителей особенно;
Ну и самый новомодный пункт – такие помещения совершенно экологичны, поэтому вы можете не бояться за здоровье семьи и свое собственное.

Хочется также сказать, что во многих странах эти проекты почти полностью заполонили строительный рынок: в Европе такие помещения популярны (63% всех строений), а в США, Канаде и Швеции считаются вне конкурентными (95%). Конечно, и там, и в наших родных местах качество строения напрямую зависит от ценовой категории, а также от сложности проекта. Но, время строительства просто ничтожно мало от 2,5 до 8 месяцев (разные по сложности изготовления дома создают за разное время).
Что учитывать при составлении схемы дома
Чтобы составить план, необходимо определиться с этажностью здания, вариантом крыши, экстерьером, включая количество оконных проемов, балконов и лоджий. Следует предусмотреть возможность обустройства террасы и мансарды. Все эти элементы нужно отображать в продольном и поперечном разрезах, вместе с конструктивными качествами и нужными материалами. Учитываются особенности участка под дом, в том числе расположение, ориентацию по сторонам света, рельеф, особенности почвы. От них зависит оптимальная внутренняя планировка, в первую очередь расположение помещений. Количество и конфигурация комнат подбирается с учетом количества жильцов и возраста каждого из них.
Главным приоритетом при составлении схемы является функциональная полезность. Следует также предусмотреть помещения для размещения строителей и других работников. На плане желательно оставить место про запас: когда-то оно может «заполниться» дополнительным гаражом или гостевым домиком.
Некоторые функциональные элементы, которые лучше предусмотреть заранее:
- мастерская;
- кабинет;
- оранжерея;
- зимний сад;
- сауна;
- бассейн;
- тренажерный зал.
Необходимость в проекте и чертежах дома
Согласно законодательству, возводить частные дома можно как с проектом, так и без него. Однако опыт компетентных в этой сфере людей показывает, что наличие проекта имеет определяющее значение на этапе строительства. Без него работа усложняется, и в алгоритме действий и их точности появляются сбои. Еще сложнее становится, если нет схемы строения и расходной сметы. Более того, проект и эскизы, даже созданные самостоятельно, позволят сэкономить на услугах инженеров и архитекторов. Разобраться во всех аспектах не выйдет, но освоить азы проектирования простых домов под силу всем. Разработаны также специальные программы для составления планов.
Проекты помогают рассчитать расход материалов, описать параметры комнат и зданий, выбрать идеальное место для дверей, окон и балконов, определиться с предназначением помещений и функционалом построек. Подробно расписанный план нужен для расчета конструкции фундамента и кровли. Он играет ключевую роль для прокладки и выбора местонахождения:
- отопления;
- водопровода;
- септика;
- выгребной ямы;
- вентиляции.
Общая информация о доме
Бесплатный проект дома представлен в виде одноэтажного домика с двумя боковыми верандами. Фундаменты выполнены в виде сплошной железобетонной монолитной ленты. Наружные стены домика запроектированы из поризованных блоков POROTHERM 51, а стены веранды выполняются из деревянного бруса с дополнительным утеплением при помощи жёстких минераловатных плит. Все внутренние стены возводятся из глиняного полнотелого кирпича. Кровля дома запроектирована простая двухскатная с несущим каркасом из деревянной стропильной конструкции.
Что касается наружной отделки, то проект дома предусматривает использование в качестве облицовки стен декоративную штукатурку с последующей её покраской фасадными красками. Отделка цоколя – декоративная цокольная плитка. Обшивка веранд и фронтона домика может быть выполнена из сайдинга или вагонки для наружного использования. Выбор кровельного покрытия зависит от вашего предпочтения. Это может быть и металлочерепица, и профнастил, и гибкая битумная черепица. Однако стоит помнить, что в случае использования гибких кровельных материалов необходимо устраивать сплошную обрешётку по стропилам.
местности. Хочется отметить, что ориентацию дома желательно выбирать такую, как указано в проекте. Это значит, что на юг, юго-восток и юго-запад должны быть ориентированы жилые комнаты дома, а вот на север, северо-запад и северо-восток могут выходить окна нежилых помещений или комнат с кратковременным пребыванием людей (в нашем случае это ванная комната и топочная).
Это интересно: Проекты коттеджей — типовые и оригинальные варианты зданий
Скачать ТОР-10 проектов AutoCAD
1) 5-ти этажный жилой дом (скачать готовые проекты Автокада: АР, КЖ, КМ, кладочный план и т.д.)

Рис. 1 – Скачать проект Автокад “5-ти этажный жилой дом”.
2) Бизнес-центр: планы, фасады, характеристика здания. Скачать готовый проект AutoCAD.

Рис. 2 – Бесплатные проекты в Автокаде “Бизнес-центр”.
3) Монолитное 16-ти этажное здание (дипломный проект в Автокаде). Скачать проект жилого дома в Автокаде.

Рис. 3 – Готовый проект в Автокаде “16-ти этажное монолитное здание”.

Рис. 4 – Дипломный проект AutoCAD “16-ти этажное монолитное здание”.
4) Проект реконструкции в Автокаде административного здания. Скачать рабочие чертежи Автокада.

Рис. 5 – Готовые чертежи проекта AutoCAD “Реконструкция существующего здания администрации”.

Рис. 6 – Проекты домов Автокад. Скачать диплом “Реконструкция существующего здания администрации”.

Рис. 7 – Проект дома в Автокаде скачать “Реконструкция существующего здания администрации”.

Рис. 8 – Проекты/чертежи Автокад. Скачать диплом “Реконструкция существующего здания администрации”.

Рис. 9 – Типовой проект в Автокаде. Экономический расчет
5) Спорт-комплекс (архитектурный план). Скачать проект AutoCAD.

Рис. 10 – Проект AutoCAD “Спорт-комплекс”
6) Проект AutoCAD “Колокольня”. Скачать рабочие чертежи Автокада.

Рис. 11 – Готовый проект Автокад “Колокольня”
7) Коттедж в Автокаде: курсовая работа. Скачать проект AutoCAD.

Рис. 12 – Бесплатные проекты Автокад. Курсовой “Коттедж”
8) Проекты 6-и коттеджей в формате *.DWG. Скачать чертежи Автокада.

Рис. 13 – Коттеджи в Автокаде. Готовые проекты dwg.
9) Классический коттедж с красивым фасадом. Скачать готовый проект Автокад.

Рис. 14 – Проекты домов в Автокаде. Скачать готовые чертежи.

Рис. 15 – Дом в Автокаде. Коттедж “классический”.

Рис. 16 – Скачать проекты домов Автокад.
11) 5-ти этажный дом в Автокаде (3D модель). Скачать готовый проект Автокад.

Рис. 17 – Скачать 3D модель дома в AutoCAD.
T-Flex Cad
Программа имеет бесплатную версию и предназначена как для работы с двухмерными, так и трехмерными изображениями. Обладает широкими возможностями и исчерпывающим набором функций для рисования схем и планов дома для большой семьи. Создавать можно как отдельные элементы, так и целое здание с разрезом всех фасадов и этажей. Акцент разработчики T-Flex Cad сделали на автоматизации всех процессов. Проектирование осуществляется достаточно быстро, точно и с минимальным количеством возможных ошибок. Создание параметрических моделей — вот наилучшее использование для программы.
T-Flex Cad обеспечивает полную поддержку ЕСКД и зарубежных стандартов.

Создание планировки квартиры в программе T-Flex Cad
Элементы модели связываются между собой параметрическими и геометрическими отношениями. К преимуществам программы относятся:
- Мощное геометрическое ядро;
- Удобство работы со сборками любой сложности;
- Единый формат файлов;
- Развитые средства инженерного анализа;
- Возможность создания собственных библиотек элементов;
- Коллективная работа над проектами;
- Интеграция;
- Автоматизация;
- Оформление чертежей в соответствии со стандартами.
Эти особенности T-Flex Cad превращают ее в достойного конкурента AutoCad в планировке домов, но значительно более простого и понятного.
Сопутствующая документация к проекту и строительным чертежам
Строительный проект – не только набор эскизов, чертежей и таблиц, здесь содержится подробная информация о каждом из этапов строительства и об отдельных участках работы. Это позволяет в итоге получить комплексную капитальную постройку.
Каждый проект, кроме уже перечисленных чертежей, в обязательном порядке включает такие документы:
- архитектурно-конструкционную характеристику;
- описание функциональности здания;
- технические и экономические данные, такие как площадь, кубатура, высота;
- описание инженерных решений;
- виды, перечень и количество строительных и отделочных материалов.

Руководствуясь проектом, можно организовать строительный процесс, установить последовательность работ и определить финансовые затраты
Архитектурный паспорт содержит копию лицензии проектировщика, пояснительную записку, расцветку фасадов, поэтажные планы, осевые разрезы и план кровли.
Расположение на участке
Располагая жилье на земельном участке, необходимо соблюдать ряд требований по санитарной и пожарной безопасности, а также нормы застройки. Расстояние от дома до границы соседнего участка должно быть не менее установленного минимума. Также необходимо правильно сориентировать дом относительно сторон света. Технические помещения лучше располагать на северной стороне, в то время как жилые нужно поместить на южной.
Конечно, дом должен изящно вписываться в окружающий ландшафт, а не выбиваться из него. Составляя генплан участка, опытный архитектор удачно расположит на нем не только сам дом, но и все постройки, которые владелец участка считает необходимыми. Это может быть беседка, гараж, баня, домик для гостей и ряд других построек.
При этом он учтет не только все имеющиеся строения, но кусты и деревья, если только владелец участка не примет решения избавиться от них. Будет выбран оптимальный способ подвода всех коммуникаций (газ, вода, канализация, электричество), чтобы подключение дома к ним сопровождалось минимумом хлопот.
Возведение коробки здания
Как вы уже поняли, бесплатный проект дома предусматривает использование крупноформатных поризованных блоков POROTHERM 51 (толщина блока 510 мм) для возведения наружных стен дома. В проекте предусмотрены продольные и поперечные несущие стены.
Среди особенностей кладки из поризованных крупноразмерных блоков стоит отметить следующие нюансы:
• слой раствора под первым рядом должен быть выполнен в идеальной горизонтали, поскольку от этого зависит горизонтальность первого и последующего рядов, а также правильность укладки гидроизоляции • кладка из блоков выполняется аналогично кладке из мелкоштучных стеновых материалов, то есть возведение стен начинается с углов здания, каждый угол, как обычно, поднимается на три ряда; • раствор укладывается сплошным равномерным слоем по всей ширине ряда; • перед укладкой каждый блок должен смачиваться водой, это необходимо для предотвращения впитывания влаги из цементного раствора, что впоследствии может осложнить позиционирование блока; • после поднятия кладки по углам здания ведут укладку блоков между ними, ориентируясь на горизонталь, отбитую при помощи натянутого шнура; • если проектом требуется укладка неполных блоков, то можно использовать специальные половинчатые и угловые элементы, за неимением таковых можно просто подрезать по месту обычные блоки (для этого вам понадобится электроинструмент с кругами для резки камня); • сдвижка вертикального шва блоков каждого ряда должна составлять не менее 10 см (лучше выполнять сдвижку в пол блока); • при кладке наружных стен необходимо предусматривать специальные вертикальные штробы в местах стыковки наружных стен с внутренними перегородками, это обеспечит необходимую прочность сооружения.
При укладке оконных и дверных перемычек стоит помнить, что проём должен перекрываться с 20-30-процентным запасом. Это необходимо для сохранения целостности блока, поскольку основное сопротивление сжатию оказывает его тонкостенная перегородка.
После выполнения несущих стен здания можно приступать к монтажу внутренних перегородок и устройству веранд. Наружные веранды изготавливаем из деревянного бруса с сечением 150Х150 мм. Для утепления веранды между стойками закладываем жёсткие минераловатные плиты толщиной 150 мм. Поскольку здесь все работы производятся с использованием традиционных строительных материалов, вопросов возникнуть не должно.
Это интересно: Мезонин — что это такое и имеет ли он что-то общее с мансардой
Сопутствующая документация к проекту и строительным чертежам
Строительный проект – не только набор эскизов, чертежей и таблиц, здесь содержится подробная информация о каждом из этапов строительства и об отдельных участках работы. Это позволяет в итоге получить комплексную капитальную постройку.
Каждый проект, кроме уже перечисленных чертежей, в обязательном порядке включает такие документы:
- архитектурно-конструкционную характеристику;
- описание функциональности здания;
- технические и экономические данные, такие как площадь, кубатура, высота;
- описание инженерных решений;
- виды, перечень и количество строительных и отделочных материалов.
Руководствуясь проектом, можно организовать строительный процесс, установить последовательность работ и определить финансовые затраты
Архитектурный паспорт содержит копию лицензии проектировщика, пояснительную записку, расцветку фасадов, поэтажные планы, осевые разрезы и план кровли.
Типовые решения для частного дома
хемы электропроводки и вводно-распределительных щитов разрабатываются всегда индивидуально для каждого конкретного дома. Здесь многое зависит от выбранных для установки в коттедже бытовых приборов и создаваемого освещения. Однако существует ряд основополагающих правил, которые обязательны к соблюдению при проектировании домовой электрики.
Принципиальная схема разводки электропроводки шлейфом
Домовая электропроводка должна быть выстроена по следующему принципу:
- Первым от ввода идет рубильник, с помощью которого можно в любой момент обесточить весь участок.
- Вторым размещается электросчетчик.
- Затем ставится общий автомат защиты.
- Только потом идет разветвление на группы потребления с отдельными УЗО или автоматическими выключателями.
Также в электрощите устанавливаются раздельные шины – одна на «землю» (PE), вторая на «ноль» (N). Идущие на них провода нигде не должны пересекаться или соединяться между собой. Это два отдельных контура в электрике.
Схема кухонной электропроводки для подключения бытовой техники
Сейчас есть разнообразные программы и онлайновые конструктора, помогающие рассчитать потребляемую мощность для ТУ и составить план разводки электрических проводов и розеток по коттеджу. Однако использовать их надо осмотрительно. Это выполненная с помощью подобных ресурсов онлайн планировка участка не грозит особыми проблемами. А вот ошибки в расчетах мощностей и электротоков могут привести к серьезным бедам.
Необходимые отступы при монтаже электропроводки
Проектировать электрощит и средства защиты в нем следует доверять только профессионалам. Несмотря на существующие типовые решения, все равно каждый проект получается в итоге с теми или иными индивидуальными особенностями. Без познаний в электротехнике самостоятельно заниматься подобными расчетами не стоит. Потом соединить провода по разработанному чертежу можно самому. Но проектирование лучше оставить специалисту.
Отступы при монтаже электропроводке в кухне







