Оглавление
КАТЕГОРИИ ОБЪЕКТОВ С БЕСПЕРЕБОЙНЫМ ЭЛЕКТРОСНАБЖЕНИЕМ
При проектировании зданий, сооружений и предприятий, в обязательном порядке определяется категория энергообеспечения этих объектов. Весь свод правил обозначен в сборнике ПУЭ (правила устройства электроустановок). Этим сборником во время проектирования определяется и категория получателей электроэнергии. Все объекты разделены на три категории:
1-ая категория
– очень важные.
Остановка этих потребителей приводит к жертвам среди населения, разрыву важных технологических цепочек и срыву процессов, нанесению значительного материального ущерба, безопасности государства. На объектах этой категории гарантировано обеспечение бесперебойного электроснабжения потребителям.
Подача электроэнергии осуществляется от двух независимых источников. Не допускается для потребителей разрыва в электроснабжении. Для переключения с основной линии на резервную линию используется устройство АВР (автоматическое включение резерва).
2-ая категория
– важные потребители.
Прекращение поставок электроэнергии для этой категории приводит к общему недовыпуску товаров, неудовлетворительному качеству продукции, ненормированному простою рабочих, прерыванию технологических процессов предприятий.
Для этой категории может допускаться кратковременный перерыв в поставках электроэнергии, но только на время для включения резервной линии питания.
Получает электроэнергию предприятие также от двух независимых источников. Включение резервного источника производится вручную.
3-я категория
– остальные потребители, не входящие в 1-ую и 2-ую категории.
Снабжение этой категории происходит по одной линии. Отрезок времени в подаче электроэнергии не должен превышать 24 часов.
К потребителям, где обеспечивается бесперебойное электроснабжение объектов, относятся особо важные потребители. На объектах этой категории может находиться особая группа потребителей. Эта группа обеспечивается безостановочной поставкой электроэнергии в силу недопущения возникновения ситуаций опасных для жизнедеятельности.
К очень важным потребителям можно отнести:
- больницы;
- центральные ПС мощностью 10 МВт и выше;
- диспетчерские централизованной охраны;
- контрольные пункты ЖКХ обеспечивающие электроснабжение и освещение городов;
- музеи государственного значения;
- крупные гостиницы и государственные структуры;
- финансовые и банковские структуры;
- школы, ВУЗы, профтехучилища, техникумы;
- электрощитовые жилых комплексов с высотой более 16 этажей;
- крупные торговые центры, рестораны;
- ИВЦ и серверы, занятые обслуживанием токоприемников первой категории;
- городские насосные станции;
- подстанции горэлектротранспорта;
- ДК, спорткомплексы;
- котельные 2-ой категории.
Выбор источника бесперебойного электропитания
Европейские, отечественные и китайские модели ИБП широко представлены сегодня на рынке. До выбора определенной модели надо определить суммарную мощность всех электроприборов, от работы которых будет зависеть жизнедеятельность дома, дачи (холодильник, отопление, освещение и другое). К рассчитанной мощности системы следует добавить еще 25%–50%, поскольку многим электроприборам при включении требуется большой ток, например, для холодильника, для насоса, котла.
Суммарная мощность и планируемое время автономной работы влияют на выбор количества батарей и их ёмкость. Правильный выбор домашнего ИБП обеспечит жизнедеятельность бытовой техники некоторое время, но в случае длительного отсутствия электроэнергии сможет переключить домашнюю электросеть на работу от генератора.
Конечно, весь состав электроприборов одновременно работать не будет, но исключать такую ситуацию нельзя и запас в будущем может пригодиться, например, при замене старого холодильника на современный двухкомпрессорный холодильник
Особое внимание при покупке надо обратить на качество аккумуляторов, стоят они дорого, поэтому свой выбор надо остановить на известных брендах с гарантией
Классы ИБП
Резервные ИБП:
| Достоинства | Недостатки |
| — Компактность, малый вес, экономичность, относительная дешевизна. | — Отсутствует стабилизация выходного напряжения; — Неполная фильтрация сетевого напряжения от помех и выбросов; помехи, генерируемые нагрузкой пропускаются обратно в сеть; — Скачкообразное изменение напряжения, частоты и формы выходного напряжения при переходе на питание от батареи (время переключения >5 мс); — Прямоугольная форма выходного напряжения вместо синусоидальной. |
ИБП резервного типа: нормальный режим работы (rectifier — выпрямитель, inverter — инвертор, SPD — фильтр питания, bypass — байпас).ИБП резервного типа: аварийный режим работыЛинейно-интерактивный ИБП: нормальная работа.Линейно-интерактивный ИБП: аварийный режим.Линейно-интерактивные ИБП:
| Достоинства | Недостатки |
| — Компактность, экономичность; — Ступенчатая стабилизация входного напряжения; — Почти синусоидальная форма выходного напряжения; — Невысокая стоимость. |
— Они дороже, чем резервные; — Отсутствие реальной изоляции нагрузки от сети распределения питания; — Отсутствие регулировки и стабилизации входной частоты; — Сравнительно слабая стабилизация выходного напряжения, особенно при переходных процессах или в случае пошагового изменения нагрузки; — Низкая эффективность при питании нелинейных нагрузок. |
ИБП с дельта-преобразованием в штатном и автономном режимах.ИБП с дельта-преобразованием:
| Достоинства | Недостатки |
| — Высокий КПД (при идеальных параметрах входного напряжения); — Высокий коэффициент мощности по входу (не требуется применение корректирующих фильтров). |
— Повышенная сложность из-за применения двунаправленных инверторов и, соответственно, меньшая надежность; — Меньшая степень защиты нагрузки в нормальном режиме работы от резких изменений входного напряжения вследствие инерционности схемы обратной связи; — Отсутствие защиты нагрузки в нормальном режиме работы от отклонений частоты входного напряжения; — Отсутствие встроенной гальванической развязки между входом и выходом. |
Линейно-интерактивный ИБП APC BR1000G дает на выходе не совсем чистую синусоиду, но такой аппроксимации достаточно для большинства устройств.системы с двойным преобразованиемИБП с двойным преобразованием отличает надежная защита нагрузки по электропитанию. ИБП с двойным преобразованием: аварийный режим, питание от батареи.ИБП с двойным преобразованием:
| Достоинства | Недостатки |
| — Максимальная фильтрация сетевого напряжения от помех и выбросов; помехи, генерируемые нагрузкой, не пропускаются обратно в сеть; — Питание нагрузки «чистым» синусоидальным электропитанием, стабилизированным по величине, частоте и форме напряжения, при работе от сети и от батарей; — Переключение на батареи происходит мгновенно, при этом любые переходные процессы отсутствуют. |
— Относительная сложность и более высокая стоимость; — Дополнительные энергозатраты на двойное преобразование напряжения, снижающие КПД; — Невысокий коэффициент мощности по входу (для его повышения требуется дополнительный элемент — THD-фильтр). |
Краткое сравнение ИБП разных классов
| Резервные | Линейно-интерактивные | С двойным преобразованием | |
| Мощность ИБП | менее 1,5 кВА | менее 4 кВА | не ограничена |
| Режим работы от сети | |||
| Стабилизация напряжения | нет | ступенчатая | полная |
| Стабилизация частоты | нет | Нет | есть |
| Фильтрация помех | слабая | средняя | максимальная |
| Батарейный режим | |||
| Частота переходов | частая | средняя | редкая |
| Время перехода на батареи | 5-15 мс | 2-6 мс | нет |
| Форма синусоиды | часто трапецеидальная | синусоидальная | синусоидальная |
| режим «байпас» | нет | нет | есть |
| гальваническая развязка | Нет | нет | возможна |
- Класс VFI (Voltage & Frequency Independent) — выходные напряжение и частота ИБП не зависят от входных параметров.
- Класс VI (Voltage Independent) — выходная частота совпадает с входной, напряжение на выходе регулируется в заданных пределах.
- Класс VFD (Voltage & Frequency Dependent) — выходное напряжение и частота совпадают с входными.
| Топология ИБП | Спецификация | Типовая мощность | Типовое применение |
| Резервный | Voltage & Frequency Dependent (VFD) | 1500 ВА | Малый офис, домашние ПК и другие не критичные среды |
| Линейно-интерактивный | Voltage Independent (VI) | 5000 ВА | Малый бизнес, веб-сайты, серверы подразделений |
| С двойным преобразованием | Voltage and Frequency Independent (VFI) | 1000 кВА | Дата-центры |
- S соответствует синусоидальному выходному напряжению с коэффициентом нелинейных искажений (КНИ) менее 8% как при линейной, так и при нелинейной нагрузке.
- X соответствует несинусоидальному сигналу с КНИ более 8% при нелинейной нагрузке.
- Y соответствует несинусоидальному сигналу при любой нагрузке, КНИ превышает установленные в IEC 61000-2-4 пределы.
Преимущества и недостатки различных решений
Инверторная система
Наиболее простым и доступным вариантом является мощная аккумуляторная батарея, которая заряжается в период, когда питание есть, и поддерживает работ устройств, когда оно отключилось. В комплект входит также инвертор, преобразующий постоянное напряжение 12 или 24 В в переменное 220 В. Такую систему можно установить не только в частном доме, но и в городской квартире, при этом она:
- Не занимает много места и не содержит движущихся частей
- Очень проста в настройке на работу в автоматическом режиме – система самостоятельно включается, если пропало напряжение в сети, а когда оно появляется, выключается и переходит в режим заряда батареи
Система с электрогенератором

Если ожидается (или оказывается фактически), что перерывы в электроснабжении продолжаются несколько часов, в дополнение к аккумулятору и инвертору рекомендуется установить автономный источник электричества. Это может быть все тот же генератор с ДВС на жидком топливе (бензиновый или дизельный), а также солнечная батарея или ветроэлектрогенератор.
При этом базовой останется система из аккумулятора с инвертором. А это значит, что при выборе АКБ рекомендуется приобретать не стандартные автомобильные аккумуляторы, а высокоэффективные и емкие современные модели. Они стоят дороже, но обеспечивают длительную и надежную эксплуатацию.
Ветрогенераторные системы
Точно так же, как солнечные батареи, в качестве дополнительного источника энергии могут применяться ветроэнергетические установки. Они в настоящее время стоят дороже и намного сложнее в монтаже. Однако имеют и преимущества:
- Работают не только днем, но и ночью
- Особенно эффективны в плохую погоду с ветром, дождем и снегом. А ведь именно такая погода становится причиной аварий на линиях и перебоев в электроснабжении!
Использование всех устройств одновременно
Хотя такая система требует очень крупных капиталовложений и кажется избыточной и даже немного «параноидальной», она способна не только защитить владельца от временного отключения электричества, но и перевести дом в полностью автономный режим. Поступление энергии позволит отказаться от услуг электросети. А учитывая растущую стоимость электроэнергии, это не только создаст максимальное удобство, но и окупится в не слишком продолжительном периоде эксплуатации.
Если вы хотите рассчитать необходимую емкость батарей и составить схему аварийного электроснабжения, узнайте больше о данном вопросе на нашем сайте.
| Типовые проекты электрики дома | Как провести электропроводку по полу |
| Как сделать электропроводку в деревянном доме | Прокладка проводки по потолку |
| Монтаж электропроводки в деревянном доме: описание и правила | Скрытый электромонтаж в подробностях |
| Электропроводка в доме: как сделать | Автономное электроснабжение загородного дома: готовые решения |
| Технология монтажа кабель канала из ПВХ | Открытая электропроводка |
| Монтаж электропроводки своими руками | Ретро электропроводка на роликах, изоляторах |
| Как выполнять электропроводку в каркасном доме | Как правильно осуществить прокладку вводного канала в дом |
| Внутренний электромонтаж | Электрика под ключ |
| Умный дом под ключ | Электрика в деревянном доме под ключ |
| Электрика в деревянном доме | Монтаж электрики |
| Проектирование электроснабжения | Монтаж ретро проводки |
| Прайс-лист на электромонтажные работы | Проектирование электроснабжения частного дома |
| Электрика в частном доме под ключ | Электрика в каркасном доме под ключ |
| Цены на проект электрики | Проект электроснабжения |
| Расчет стоимости электромонтажных работ | Цена на установку умного дома |
| Монтаж умного дома | Проектирование умного дома |
Банк АКБ
Аккумулятор предназначен для накопления и последующей отдачи энергии в сеть, поскольку эффективность работы источников энергии, использующих солнечный свет или ветер, зависит от интенсивности последних.
В резервных источниках электроснабжения используются аккумуляторы двух типов: AGM и гелевый.
AGM представляет собой абсорбирующие стеклянные маты, расположенные между положительными и отрицательными свинцовыми пластинами. В них в связанном состоянии находится электролит.

В гелевых аккумуляторах в качестве сепаратора применяется силикагель, которым заливается пространство между пластинами в процессе производства. После застывания он представляет собой твердое вещество с огромным количеством пор, в которых удерживается электролит. Благодаря тому, что силикагель полностью занимает всё пространство, в гелевых аккумуляторных батареях практически невозможно осыпание свинцовых пластин и как следствие, закорачивание и выход из строя.
При соединении аккумуляторов в батареи следует учитывать, что при последовательном соединении аккумуляторных батарей, ёмкость не меняется, а напряжение складывается, при параллельном – складывается ёмкость, а напряжение остаётся неизменным.
Важной характеристикой системы является максимальная глубина разряда банка аккумуляторов, которая задается при настройке системы. Чем больше глубина разряда, тем меньше циклов выдержит АКБ
Ориентировочные цифры приведены в таблице.
Таблица зависимости возможных циклов перезарядки АКБ от глубины разряда
| Глубина разряда | Число циклов | |
| Гель | AGM | |
| 100% | 450 | 150 |
| 80% | 600 | 200 |
| 50% | 1000 | 370 |
| 25% | 2100 | 925 |
| 10% | 5700 | 3100 |
Автономные солнечные электростанции
Для снабжения частного жилого дома применяют коллекторы или солнечные батареи. Эти устройства поглощают световую энергию и преобразовывают ее в ток, который потом питает системы, устройства и приборы, работающие на электричестве.
Солнечные батареи (панели) представляют собой набор соединенных вместе и заключенных в раму полупроводниковых элементов, перерабатывающих ресурсы света в электрическую энергию. Оборудование не потребляет топлива и не нуждается в сложном высокопрофессиональном обслуживании.
Для содержания объекта в порядке достаточно просто время от времени протирать поглощающее зеркало от пыли и убирать с него мелкий мусор. Установка агрегата на некотором возвышении под углом около 70 градусов создаст условия, при которых в зимний период времени снег не сможет скапливаться на поверхности батарее и препятствовать ее корректной работе.
Регулировка гелиосистемы происходит автоматически. Владельцу не требуется включать или выключать оборудование. Выработанная энергия скапливается в специальных аккумуляторных комплексах и позволяет использовать электричество круглосуточно в индивидуальном, удобно лично для хозяина режиме.
Солнечная батарея напрямую преобразует энергию света в электроток и, в отличие от генераторных установок, делает это абсолютно бесшумно, не мешая таким образом ни жильцам, ни соседям
Солнечные батареи высокого качества очень надежны и рассчитаны на полноценную эксплуатацию в течение как минимум 25 лет. К концу этого периода их работоспособность немного снижается и следующие 20 лет панели выдают ресурс в объеме около 80% от базовой изначальной мощности, заявленной производителем.
Таким образом, общий срок службы батарей составляет 45 лет, что значительно превышает показатели прочих автономных систем.
В отличие от ветряных генераторов, напрямую зависящих от определенных метеорологических явлений, солнечные батареи гарантированно выдают электроэнергию каждый день. В непогожие пасмурные дни их производительность становится немного меньше, но не прекращается полностью
Так как солнечный свет имеется практически везде, гелиопанели почти не имеют ограничений по установке. Размещать их можно на любом незатененном пространстве участка, обращая принимающую поверхность под определенным углом на южную сторону.
Выбирая место для расположения солнечных панелей на приусадебной территории, нужно следить, чтобы рядом не было высоких деревьев и строений, загораживающих солнце и отбрасывающих тень. Иначе батарея не сможет работать в полную силу
Если размеры приусадебной территории не позволяют выделить для оборудования отдельное свободное место, уместно использовать для монтажа системы поверхность крыши жилого дома или кровлю хозяйственных построек.
Несмотря на некоторую хрупкость, солнечные панели имеют значительный вес и требуют четкого и надежного крепления. Перед монтажом надо оснастить кровельную конструкцию прочными балками или подпорками, чтобы в будущем крыша не обвалилась, не выдержав дополнительной нагрузки, не предусмотренной изначальным проектом
Ветряные и гидроэлектрические системы имеют фиксированный уровень мощности. У гелиосистем эта величина плавающая и зависит только от количества установленных батарей. Солнечные панели можно использовать в качестве дополнительных энергетических источников. В этом случае понадобится гибридный инвертор, с которым ознакомит рекомендуемая нами статья.
Если в большом количестве энергии на данный момент нет потребности, можно поставить агрегат миниатюрных габаритов, а в случае надобности в удобное время нарастить дополнительные панели и увеличить объем получаемого ресурса.
Модели Бакси и ИБП
Сегодня газовые аппараты «Бакси» имеют большую популярность. Организовывать резервную питающую систему для них можно также двумя путями:
- Генератор.
- Бесперебойник.
Резервное питание для газового котла «Бакси» от генератора подбирается на основе той или иной модели. По этому вопросу при покупке вас должен проконсультировать продавец. Например, для модификации «Бакси 24 F» оптимальной применять систему FoxWeld Standart G3500.
Если в доме часты перебои с электроэнергией, то специалисты рекомендуют такие бесперебойники:
- Типа «Онлайн» с разным числом внешних аккумуляторов:
А) С тремя, например Lanches (East) L900Pro-H 1kVA.
Б) С двумя, пример: Helior Sigma 1 KSL.
В) С одним, пример: Helior Sigma 1 KSL-12V.
- Линейно-интерактивные с внешними АБ:
А) Одной, например SVEN RT-1000.
Б) Двумя, пример: Inelt Intelligent 1000LT2.
Резервное электроснабжение загородного дома
При каких условиях необходимо резервное электроснабжение загородного дома?
- Устаревшая центральная электросеть,
- Частые отключения электроэнергии,
- Часто случаются сильные скачки электроэнергии,
Это основные причины, по которым лучше всего необходимы системы резервного электроснабжения. К выше названным причинам можно добавить и наличие в доме сложного оборудования, которое «не любит» перепадов напряжения в электросети и отключений.
Как организовать резервное электроснабжение? Многие для этой цели приобретают дизельэлектростанцию, которой и пользуются по необходимости. С одной стороны это прекрасное решение проблем, но у данного способа есть свои минусы: шумность, выхлопные газы, в нашем климате, где холодное время года длится дольше теплого двигатели внутреннего сгорания, быстрее изнашиваются, потому, как они плохо переносят запуски на холоде. Также необходимо постоянно отслеживать уровень топлива.
Наша компания ГК «СВЭМ» предлагает более выгодные альтернативные решения, которые позволят вам забыть о проблемах с электроэнергией и её поставкой к вам в дом:
- Инверторно-аккумуляторная система,
- Инвертнорно-аккумуляторная система с резервным генератором,
- Инвертнорно-аккумуляторная система с солнечными батареями,
- Инвертнорно-аккумуляторная система с солнечными батареями и ветроустановкой.
- Комплексная система аккумуляторы + резервный генератор + возобновляемый источник энергии.
Поскольку за последнее время стоимость солнечных батарей снизилась, а цена на электроэнергию, доставляемую по центральной системе электроснабжения, стала выше, люди стали использовать больше солнечные батареи параллельно с основной системой электроснабжения. Вариантов использования солнечных батарей может быть два: с резервированием электроэнергии и без резервирования. Самое простое решение – это инверторно-аккумуляторная система резервного электроснабжения, которая также может быть смонтирована и в обычной городской квартире.
В случае довольно длительных перерывов в поставке электроэнергии через централизованную сеть, в систему резервного электроснабжения можно включить и автономный энергоисточник, которым может быть жидкотопливный генератор, ветроэлектрическая установка либо солнечные батареи.
Более подробную информацию вы можете получить у наших специалистов, как по предлагаемому оборудованию, так и по готовым системам. Связаться с нашими специалистами возможно по телефону +7 (495) 766-16-09. Также для вашего удобства имеются дополнительные способы связи: info@swem-company.ru.
Бензиновые генераторы
Для нивелирования последствий краткосрочных отключений электроэнергии (до 12 часов) удобно использовать бензиновые генераторы. Из всех видов автономных источников электроэнергии они наиболее просты по конструкции и по технологии эксплуатации.
В зависимости от мощности такие установки потребляют от 1.8 до 2.3 литров бензина в час.
Бензиновый генератор
Проект резервного электроснабжения с использованием бензиновых генераторов не требует дополнительных согласований и может быть реализован собственными силами.
При установке таких устройств внутри помещений необходимо предусмотреть вентиляционный канал для отвода выхлопных газов и звукоизоляцию.
Необходимо отметить, что оборудование специальных помещений необязательно, так как конструкция большинства бензиновых электрогенераторов допускает их «выкатывание» на рабочую площадку вне дома и подключение к основной сети через специальный коммутатор.
Важно учитывать, что практически все бензогенераторы реализованы на базе четырёхтактных ДВС с воздушным охлаждением, что существенно ограничивает время непрерывной работы. Длительность технологического перерыва для таких установок должна быть не менее 2 часов
Учитывая относительно невысокую цену, компактность и высокую автономность, бензиновые мини электростанции являются наиболее оптимальным решением для частного дома.
Как выбрать аккумулятор для дома
ИБП для дачи мощностью 0,8 кВт
Если выключение света становится постоянным явлением, следует задуматься о приобретении накопителя электроэнергии для дома. Батарея для компьютера проблемы не решит, так как имеет ограниченный ресурс. Необходимы устройства, которые могут обеспечить нормальную жизнедеятельность людей на протяжении нескольких часов, а лучше — суток. Такая техническая рука помощи пригодится при масштабных авариях на линии.
Критерии выбора следующие
- сложность монтажа и ввода в строй;
- стоимость доставки и специального обслуживания;
- устойчивость к перепадам температуры и влажности;
- КПД, у современных устройств он достигает 98%;
- ресурс эксплуатации — 5000-10000 м/ч;
- перегрузочная способность (выдерживание нагрузки при запуске генератора) — 200-300 %;
- время автоматического включения — хороший накопитель энергии для дома при отключении электричества начинает процесс преобразования уже через 10 мс;
- способность работы на малых нагрузках;
- автономность — бак, рассчитанный на сутки работы двигателя;
- качество тока — качественные накопители электроэнергии выдают ток с отклонением от значений промышленного не более 2%;
- количество циклов заряд-разряд — не менее 500;
- мощность — из расчета потребителей с запасом 30%, но не менее 6 кв;
- производимый шум — инверторы работают бесшумно.
Резервные источники питания для частного дома генераторы против батарей

Фото: ShutterStock/Fotodom.ru
В качестве альтернативных источников электроэнергии в быту на сегодняшний день применяются генераторы с двигателем внутреннего сгорания (чаще всего дизель-генераторы) и аккумуляторные батареи (АКБ), укомплектованные инвертором — преобразователем тока (из постоянного в переменный и наоборот). АКБ подключаются к сети через инвертор, с помощью него же происходит подзарядка батарей, когда электричество в сети есть.

Фото: «Солтек»
Источник бесперебойного питания, укомплектованный аккумуляторными батареями и инвертором, не займёт много места в доме
Оба типа имеют свои достоинства и недостатки. Главным минусом генераторов являются шум и выхлопные газы, производимые при работе. Зато дизель теоретически может функционировать сколько угодно, лишь бы было топливо. Во всяком случае, несколько дней подряд он проработать должен.

Фото: ShutterStock/Fotodom.ru
Для установки мощных ИБП с аккумуляторными батареями понадобится отдельная стойка
Системы, основанные на АКБ, имеют более существенные ограничения по времени работы. Обычно от нескольких десятков минут до нескольких часов. Для большей длительности потребуются аккумуляторы значительной ёмкости, и, соответственно, система получится слишком дорогой. Судите сами: недорогой дизель-генератор с выходной мощностью 2 кВт можно купить за 25–30 тыс. руб.
Комплект аккумуляторов, способных выдавать 2 кВт в течение 2–3 ч, обойдётся примерно вдвое дороже. Прибавьте к этому стоимость инвертора — минимум 30–40 тыс. руб. Полностью в сборе источник бесперебойного питания (ИБП) на полчаса-час работы обойдётся минимум в 100 тыс. руб. Зато использовать ИБП в качестве резервного источника — сплошное удовольствие. Ни выхлопа, ни шума, ни топлива, а переключение происходит практически мгновенно (генератор нужно ещё запустить).

Фото: Legrand
Модульный трёхфазный ИБП средней мощности Trimod HE (Legrand) со встроенным микропроцессором и модульной системой батарейных блоков
Для размещения аккумуляторов требуется отдельное, хорошо проветриваемое помещение, в котором устанавливаются изолированные стеллажи. Температура в нём не должна быть ниже рекомендованной производителями батарей (обычно 15 °С). Подробнее о выборе типа и марки аккумуляторов, их использовании и хранении мы поговорим в отдельной статье.
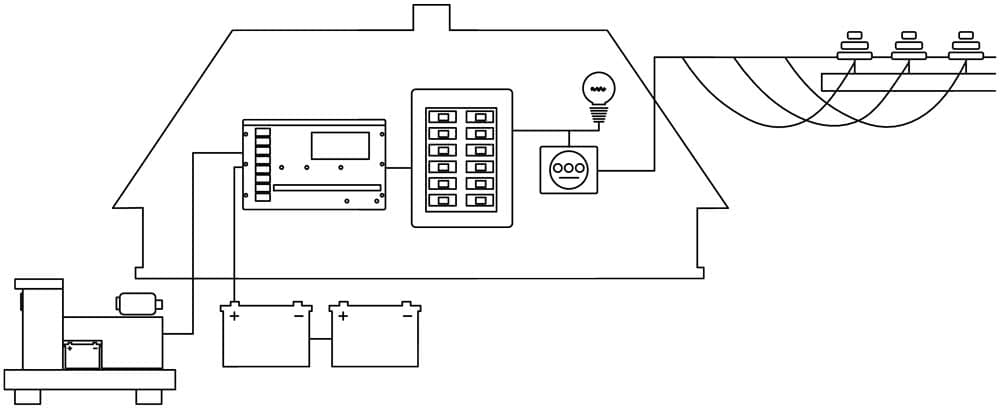
Схема системы бесперебойного электроснабжения


Фото: Legrand
Компактный однофазный ИБП KEOR S 3 кВA 20′ (Legrand), мощность от 3 до 10 кВА (от 133 тыс. руб.)
Все источники резервного питания подбираются в зависимости от мощности подключаемой нагрузки. Она зависит от потребностей домовладельцев. Чтобы её подсчитать, нужно суммировать мощность всех устройств, которые будут подключены к источнику питания. Учтите, что чем больше выйдет эта сумма, тем дороже получится ИБП, поэтому имеет смысл ограничить нагрузку, оставив только самое необходимое — аварийное освещение, питание компонентов системы отопления и водоснабжения (вентиляция, скважинный насос и т. д.). Плюс одна-две розетки, чтобы можно было подключить телевизор или другую бытовую технику.
При выборе генератора или установке инверторной системы в первую очередь нужно определиться, как часто понадобится использовать дополнительный источник электроэнергии. Так, если вы бываете на даче только по выходным в летний период, достаточно бензинового генератора. При этом нужно помнить, что бензиновые или дизельные генераторы создают во время работы сильный шум и неприятный запах. Поэтому их нужно размещать в проветриваемых помещениях с хорошей звукоизоляцией. Более удобными в использовании являются инверторно-аккумуляторные системы, особенно если вы много времени проводите на даче и бесперебойный источник энергии нужен постоянно. Такая система, как правило, состоит из инвертора, аккумуляторных батарей, зарядного устройства, которое обеспечивает заряд аккумуляторов, контроллера, следящего за зарядом батареи.
Иван Хрипунов
Технический специалист компании «Каширский Двор»





