Оглавление
Практическое применение схемы
Прежде всего, определимся с функциями проводов из электрощита в зависимости от их цвета:
- Синий – «нулевой».
- Желто – зеленый – «заземление».
- Красный – «фазный».
Заведите все три провода внутрь ответвительной коробки. Присоедините к ним двужильные провода светильника и трехжильные подрозетника. Это место установки первого проходного выключателя. Если нет кабеля с двумя жилами, можно использовать с тремя. Тогда одна из них будет не задействована.
В коробке синий провод соединяем с таким же проводом в светильнике. Так же поступаем с проводами «земля» и «фаза».
В подрозетник №1 заведите трехжильный кабель от №2. Это прямое соединение между собой без применения ответвительной коробки.
В этом же подрозетнике провод «фаза» подключите к первой клемме в проходном выключателе. «Земля» и «ноль» фиксируются соответственно на клеммах второго проходного выключателя.
Аналогично происходит соединение в третьем подрозетнике.
На схеме цвет проводов точно соответствует данному описанию и обозначениям на выключателях.
К красному проводу подключили контакт №1 второго проходного выключателя. Подача фазы будет происходить прямо к центральным цокольным контактам светильника. Значит, во втором подрозетнике такой провод надо соединить с красным проводом первого подрозетника, заизолировать и оставить здесь.
В первой точке красный кабель от второй точки соедините с «нулём», находящимся в ответвительной коробке. Тоже заизолируйте и оставьте на месте.
«Ноль» из первого подрозетника соедините в ответвительной коробке с «фазой», которая идет к светильнику. Это прохождение от первого контакта до третьей точки в проходном выключателе к центральному контакту цоколя светильника.
Устройство и задачи проходного выключателя
Двухклавишные проходные выключатели внешне схожи с обычными, используемыми для управления группами ламп светильников, люстр, бра и прочих осветительных приборов. Но как одни, так и другие используются для решения бытовых задач потребителей.
Проходные и традиционные двухклавишные выключатели служат для управления:
- двумя независимыми светильниками/люстарами;
- двумя группами ламп на одном осветительном приборе.
Но обычные двухклавишные выключатели дают возможность включать/выключать осветительные приборы с одного места, а проходные – с различных. Что и является их основной задачей и преимуществом.
Эта особенность и наличие двух клавиш даст возможность не только включить светильники в одной точке какого-либо помещения и выключить в другой, но и задействовать только часть лампочек прибора.
При необходимости можно привести в рабочее состояние осветительные приборы в смежных комнатах, частях здания. К примеру, осветить не только лестницу, но и подвал, в который она ведет. Что избавит от необходимости передвигаться на ощупь в темных помещениях и позволит экономить электричество.
Технологичные двухклавишные проходные выключатели успешно используются в любых помещениях. Это утверждение справедливо и для небольших квартир, особенно при наличии зонирования и желания оптимально использовать возможности имеющихся систем освещения
В жилых помещениях такие выключатели применяются наиболее часто, так как именно их обычно оснащают несколькими независимыми системами освещения.
Использование двуклавишных включателей бывает выгодным даже в небольшом помещении. Например, в доме-«хрущевке» с проходными комнатами или просто оснащенными двумя линиями освещения.
Чем отличаются от одноклавишных включателей?
Электроустановочные изделия на одну клавишу, причем, как проходные так и обычные, позволяют управлять только одним светильником или единственной группой ламп. А вот двухклавишный аналог — двумя.
Монтаж любых проходных выключателей отличается от замены обычных. А основное отличие в том, что владельцам помещения придется принимать более важные решения. К примеру, определять место и способ установки оборудования. И к этому нужно отнестись серьезно, чтобы избежать ошибок
В результате максимально эффективно обе разновидности изделий получится использовать в различных условиях эксплуатации.
Конструкционные особенности изделия
Проходной двухклавишный выключатель конструктивно состоит из 2-х одноклавишных аналогов. А поэтому имеет в 2 раза больше контактов для подключения проводов.
Так, если у проходных включателей, оборудованных единственной клавишей, их всего 3 (а у обычных вообще 2), то у двухклавишных — 6:
- входных — 2;
- выходных — 4.
Чтобы избежать ошибок при монтаже производители на корпусе прибора нередко указывают схему подключения или маркируют входы/выходы.
Часто можно услышать, что такое большое количество контактов нужно для обеспечения работы выключателя по принципу «перекидывания». Но такая формулировка не вполне соответствует действительности. Так как выключение происходит, когда контакты, входящие в состав двухклавишных выключателей и управляющих одной линией, просто перемещены в разные положения.
Если же указанные элементы конструкции переключением клавиши возвращены в одно положение, тогда произойдет включение лампочек.
То есть, у клавиш нет привычных пользователям фиксированных положений «включено»/«выключено», как у традиционных переключателей. Хотя у обеих разновидностей оборудования органы управления перемещаются одинаково.
На фото изображен двухклавишный проходной выключатель. Его основная особенностью – большое количество входов/выходов. В этом случае они промаркированы производителем стрелками, чтобы снизить вероятность ошибки при подключении
Большее количество контактов требует использования большего количества проводов для обеспечения работоспособности двухклавишных выключателей. Если сравнивать с одноклавишными аналогами, то их потребуется ровно в 2 раза больше.
Подключение проходного выключателя со схемой управления из двух точек
Этот вид подключения является наиболее простым и не вызывает каких-либо трудностей.
От схемы обычного подключения выключателя его отличает всего два нюанса:
- конструкция этого выключателя. Он не имеет нейтрального положения «Выключено». Электрический ток направлен либо на одну клемму, либо на другую. Во время перенаправления электрического тока, происходит замыкание или, наоборот, размыкание одной из схем работы данной системы, отключение осветительных приборов происходит при разных положениях двух проходных выключателей;
- количество проводов, используемых при подсоединение проходных выключателей. В схеме подсоединения одинарного выключателя применяют два электропровода, представляющие собой разорванную цепь. А при подсоединение проходного выключателя к нему подводятся три электропровода. Два из них- перемычки между двумя маршевыми выключателями, а третий служит для одного провода подачей фазы, а для второго выходом фазы, которая идет на прибор освещения.
При подключение, многих вводит в заблуждение дополнительный элемент схемы – коммутационная коробка. При монтаже электропроводки, соблюдая все правила, от нее не получится избавиться. Для понимания принципа коммутации следует схему подключения проходного выключателя разделяют на две части (строго пополам каждый провод), а затем скрутить снова используя изоляционную ленту.
Схема подсоединения проходного выключателя из трех мест
Проходной выключатель схема подключения из трех мест несильно отличается от выше написанного способа подключения. Разница состоит в использование третьего устройства, которое имеет отличия в конструкции от стандартных маршевых выключателей. Данное устройство называется «перекрестным выключателем». Оно дает возможность использовать при управлении светом одновременно три схемы.
Оно служит транзитным устройством, которое не влияет на работу двух других маршевых выключателей, одновременно самостоятельно замыкая и размыкая цепь освещения независимо от двух других выключателей.
От проходного выключателя данный прибор отличается тем, что имеет пять, а не три клеммы подключения: две клеммы нужны для подсоединения к первому проходному выключателю, еще две клеммы для подсоединения ко второму маршевому устройству, пятая — транзитная.
Именно пятая (транзитная) клемма делает возможным управление освещением сразу из трех мест. Обычно пятую клемму монтируют перемычкой с третьей клеммой устройства.
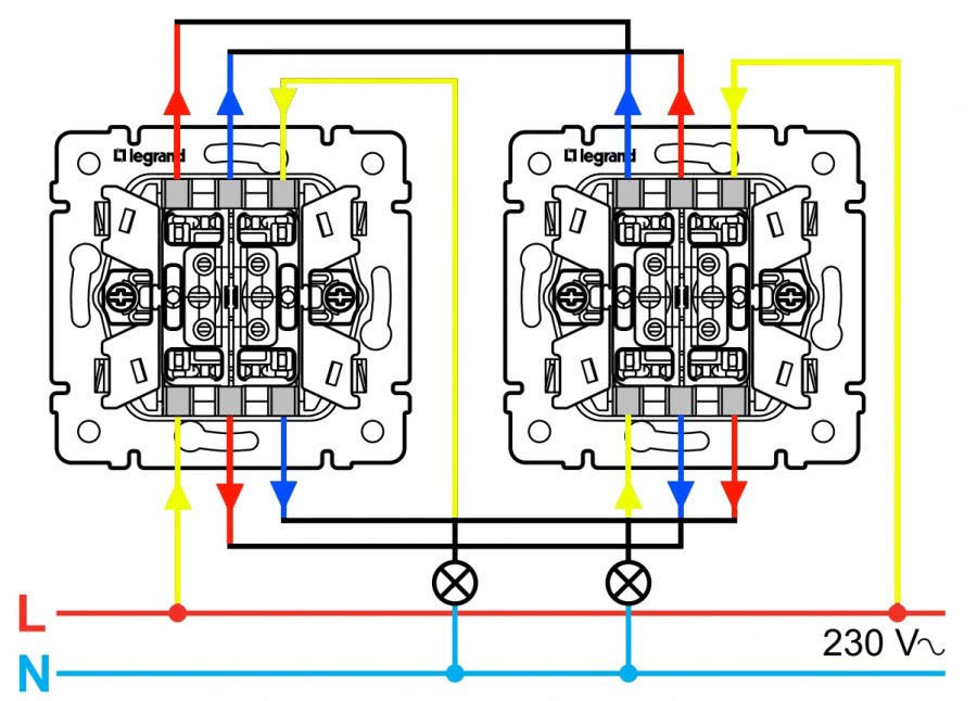
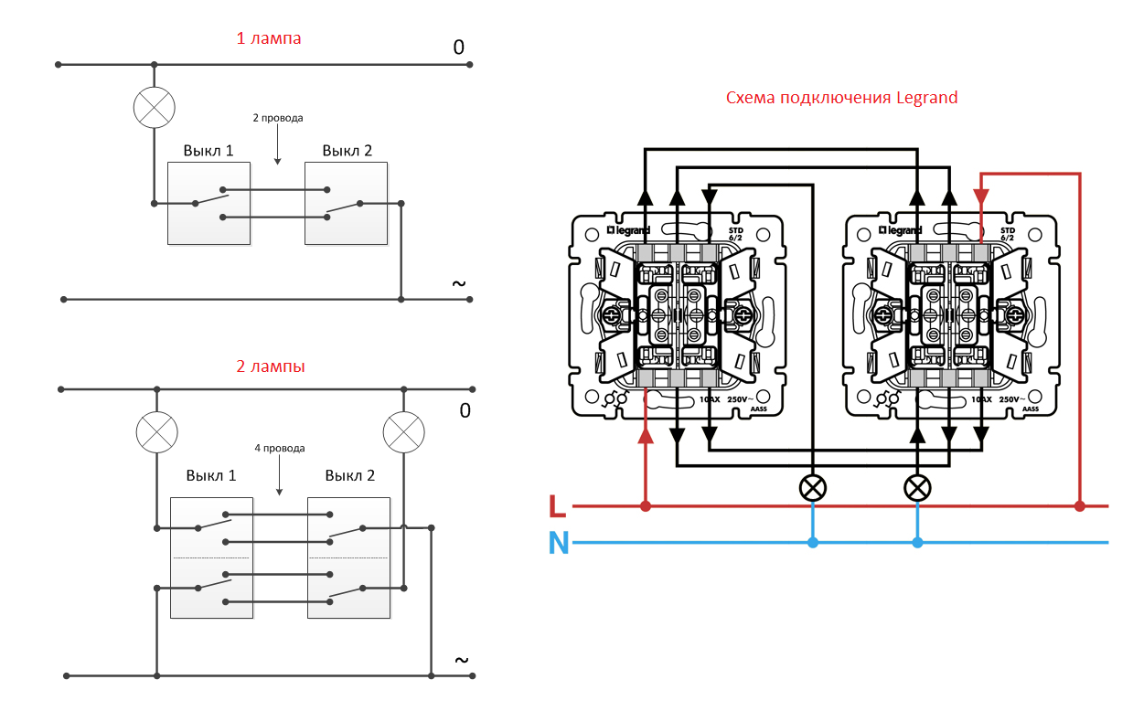
Две группы светильников. Двухклавишный проходной выключатель
Схема подключения такого типа проходного выключателя производится тем же способом, что и одноклавишного проходного светильника.
Только нужно иметь ввиду несколько нюансов:
- Это два одинарных проходных выключателя, которые установлены в один корпус;
- На две одинаковые части первого переключателя, электроэнергия подается одним проводом (две клеммы его частей соединены перемычкой). Второй выключатель, осуществляет само подключение осветительного прибора к системе, каждая из его выходящих фаз идет на свой прибор освещения;
- Количество электрических проводов. При монтаже одинарного проходного выключателя прокладывают три провода к каждому из устройств, а при монтаже двухклавишного протягивают пять жил к первому и шесть ко второму устройству. Это различие обусловлено наличием на первом выключателе одной общей входящей фазы, а на втором двух выходящих фаз на разные осветительные приборы.
Схема подключения — проходной выключатель
После прочтения предложенной статьи, вы с легкостью поймете принцип устройства, работу и сможете самостоятельно смонтировать проходной выключатель к осветительным приборам по схеме подключения. Для вас уже не составит особой трудности установка проходных выключателей с различным количеством клавиш. Вы сможете самостоятельно сделать свое пребывание в жилом помещение более комфортным и приятным. Сможете самостоятельно строить довольно сложные схемы проходных переключателей, которые позволят управлять освещением из различных мест помещения. Хотя, как правило, в повседневной жизни хватает и управления освещением с трех мест помещения.
Полезные видео по теме

На страницах сайта я уже публиковал материал как подключить проходной выключатель, где рассматривалась схемы подключения как одноклавишных, так и двухклавишных проходных выключателей с двух, трёх и более мест установки.
Кому лень переходить на другую страницу напомним схему подключения двухклавишного выключателя освещения в режиме нормальной работы. Ничего заумного. Перекидные контакты как в одноклавишном только на две разделённые группы
Так выглядит цепочка состоящая из двух одноклавишных и парочки двухклавишных проходных переключателей. Это для примера. Такая цепь может например применяться в длинных офисных коридорах. В ряде случаев его так и называют проходной коридорный выключатель света.

В данной статье речь пойдёт о схеме, по которой можно подключить двухклавишный выключатель проходного типа как обычный на две группы включения освещения.
Зачем это нужно? – опять же практика
Недавно проводя по заявке электромонтажные работы по переносу в квартире розеток и выключателей, на финишной прямой, когда дело дошло до установки коммутационных устройств выяснилось, что заказчик в спешке купил проходные двухклавишные выключатели, вместо обычных не обратив внимание на стрелочки указанные на клавишах. Ехать менять клиент не захотел, лишь прокряхтел – «Ну может как-нибудь, а?»
Помарковав со схемкой, подключил проходной двухклавишный выключатель Рис.1 в работу обычного, установив в штатной схеме перемычку между двумя контактными группами. Указательные стрелки на клавишах выключателя заказчика не смутили, а даже наоборот показались к месту. В общем все стороны остались довольны.
Может данная наглядная схема подключения проходного двухклавишного выключателя в режим обычного кому-нибудь и пригодится.

Собрать такую несложную схемку подключения с использованием одной перемычки своими руками сможет любой домашний мастер.
Схема проходного двухклавишного выключателя с двух мест Как подключить двухклавишный проходной выключатель с двух мест И так как теперь по любому все резко стало ясно, переходим к порядку монтажа нашей схемы с двухклавишными проходными выключателями. Важным этапам монтажа схем подобной сложности является правильная маркировка всех кабелей и отдельных их жил проводов.
Рисунок 1.
Теперь его можно выключать сразу, а освещение отключит таймер через 2 минуты. Как подключить двухклавишный проходной выключатель
https://youtube.com/watch?v=rg0J-caHDjQ
Рассоединяете их, и подключаете между ними перекидной. На практике такие приспособления используются для того, чтобы включить освещение в одной точке, пройти с комфортом определенный участок и выключить свет в другой точке, не возвращаясь .
Электроустановочные изделия хорошего качества имеют не только современный вид, но и служат долго, а также легко монтируются. Когда монтаж системы освещения закончен, все цепи нужно проверить контрольными приборами.
Этот провод подключается к корпусу светильника. Инструкции Cхема подключения двухклавишного проходного выключателя переключателя Двухклавишный проходной выключатель представляет собой объединенные в одном корпусе два одиночных проходных переключателя. Давайте сначала рассмотрим схему подключения одноклавишного перекидного выключателя, а затем — двухклавишного. 
Оттого и сами контакты, и принцип работы коммутаторов с ними так же именуются перекидными. подключение проходного двух клавишного выключателя
Навигация по записям
Преимущества и недостатки схемы ПВ с 2 мест У таковой схемы включения есть преимущества и недостатки.
Если говорить о лицевой стороне, то отличие единственное: едва заметная стрелочка на клавише вверх и вниз. Тогда в обоих местах можно будет включать и выключать как общее освещение в комнате, так и светильники у кровати.
Верно и обратное. Двухклавишный проходной выключатель: схема подключения Чтобы с нескольких мест управлять освещением двух ламп или групп ламп с одного выключателя есть двухклавишные проходные выключатели.
У переключателей точно так же, как изображено на рисунках, входная общая клемма под фазу либо ноль находится с одной стороны корпуса, а 2 выходные — с другой. Если теперь нажать клавишу второго выключателя и также изменить его положение, то цепь вновь окажется разомкнутой и лампа погаснет. С схемой управления системами освещения с трех мест Вы можете ознакомится на следующем фото: Однолинейная схема подключения данным способом выглядит так: Как видно из вышеприведенного фото, основное различие в управлении освещением между управлением из 2-х и 3-х мест это наличие перекрестного выключателя и большее количество соединенных проводов в распределительной коробке. Какой лучше использовать кабель для подключения проходных выключателей Для данной фурнитуры большинство специалистов сходятся во мнении что лучше применять трехжильный медный кабель с сечением 1.
Как подключить проходной выключатель — схема управления светильником из 3 мест
Как вы уже, наверное, поняли, что у однополюсного проходного выключателя имеются два неподвижных и один перекидной контакт. Чем отличается проходной выключатель от обычного? Во всех перечисленных случаях проходные выключатели устанавливаются рядом с дверьми. При нажатии клавиши, подвижные контакты одновременно переключаются с одной пары неподвижных контактов на другую пару.
Вы заходите в спальню и у двери включаете свет. Четыре ПВ подключаются с помощью перекрестных выключателей, как было описано выше. Наиболее часто рассматриваемая система управления освещением применяется в общественных и производственных помещениях, а именно: в длинных коридорах, туннелях, проходных комнатах, то есть в комнатах, где имеются две двери равноценно служащие в качестве входа и выхода, в лестничных маршах и других местах. Во-вторых, возможно, потребуется что-то еще, и это станет понятно из конкретных вариантов подключения устройств.
Область применения проходных переключателей Монтаж и подключение проходного выключателя будет полезно при управлении системами освещения в следующих случаях: при наличии больших коридоров или проходных комнат; при управлении осветительными приборами при входе в комнату и непосредственно возле кровати; при монтаже освещения в больших промышленных и индустриальных зданиях; при необходимости управлять освещением в соседней комнате; при наличии лестниц, соединяющих несколько этажей в большинстве случаев в коттеджных помещениях и так далее. Основное отличие между вышеуказанными проводами это тип изоляции и характер токопроводящих жил. На схематичном изображении отображено, что если свет включен, то нажатие на любую из кнопок приведет к его отключению. Управление светом осуществляется с помощью переключателей: на один источник освещения обыкновенную лампочку, или несколько ламп приходится один переключатель.
Вид сзади на проходные переключатели разного вида На фото представлен вид электроустановочных изделий сзади. Как все должно быть организовано, смотрите на рисунке. Подключение проходного выключателя управление освещением из 3 х мест
Схема контроля освещения из двух мест
В этом случае самый простой и надежный способ отключить автомат освещения в щитке. Так как соединяемых проводов в распредкоробке будет четыре.
К примеру, максимально допустимое расстояние от выключателя до выключателя должно составлять не меньше 30 м. Они имеют шесть контактов. Монтаж распределительной коробки для одной группы освещения Обязательно, перед работами по установке выключателя убедитесь в том, что электроэнергия отключена.
На общую клемму любого из двухклавишных коммутаторов присоединяется фазная линия. Два выходных контакта проходного выключателя подключается к двум входным контактам перекрестного выключателя.
На китайских экземплярах они часто отсутствуют. Потом, когда клавиша отпускает, он зажимается. Сначала необходимо подробно узнать, как подключить проходной выключатель, существующие схемы управления и методы монтажа.
На выход подключается 3 пары проводов, которые ведутся ко второму проходному выключателю и присоединяются попарно к клеммам входа прибора. Если есть желание управлять работой двух ламп из трех или четырех точек, то придется приобрести по два перекрестных переключателя.
Примеры практического применения
Широко распространённый вариант схемы-трёхточки: N — электрический нуль; L — электрическая фаза; ПВ1 — первый двухклавишный переключатель; ПВ2 — второй двухклавишный переключатель; ПВ3 — перекрёстный коммутатор Своеобразная инструкция подключения в этом случае выглядит примерно так: Создаётся схема разводки и расключений. Возможность включать и выключать 2 различных светильника из четырех точек может пригодиться в длинном коридоре дома с большим количеством комнат. В данном конкретном примере присутствует еще две возможности: работая во дворе, можно включить освещение; если Вы ждете гостей, можно управлять светом на улице, находясь дома.
Другой вариант учитывает требование прокладки кабеля с применением распределительных коробок, что реально исполнить в новостройке или при замене проводки. Кругляшки внутри коробки, это пайки проводов, выполненные в виде скруток со сваркой, обжатые самозажимными изолирующими колпачками, соединенные клеммами или винтовым соединением. Во-первых, чаще всего востребован только одинарный проходной выключатель. Если мы нажмем клавишу первого выключателя и переведем ее в поднятое положение, то перекидной контакт этого выключателя соответственно тоже изменит свое положение и замкнет электрическую цепь.
Обязательно ли заземлять цепи освещения, в которых установлен проходной выключатель? При проведении работ необходимо соблюдать правила техники безопасности.
Схема подключения проходного выключателя — переключателя.
Известные производители проходных переключателей
Компания Легранд занимает лидирующую позицию на рынке электротоваров. Востребованность проходных выключателей Legrand обусловлена высоким качеством исполнения изделий, простотой монтажа, удобствами в дальнейшей эксплуатации, стильным дизайном и гибкой ценовой политикой. Единственным недостатком является необходимость в подгонке установочного места. Если оно не будет совпадать с изделием, могут возникнуть трудности при его монтаже, который выполняется согласно схеме подключения проходного выключателя Легранд.
Проходные переключатели фирмы Legrand
Дочерним предприятием Легранд является китайская компания Lezard. Однако от родного бренда у изделий остался лишь стильный дизайн. Качество сборки намного ниже, что обусловлено низкой стоимостью продукции.
Одним из ведущих отечественных производителей электротоваров считается компания Wessen, которая является частью фирмы Schneider Electric. Все изделия изготавливаются по новейшим технологиям на современном зарубежном оборудовании и соответствуют европейским стандартам качества. Модели обладают универсальным стильным дизайном, позволяющим вписать каждый элемент в любой интерьер помещения. Отличительной чертой выключателей Wessen является возможность замены декоративной рамки без демонтажа устройства.
Еще одним не менее известным производителем является турецкая компания Viko. Изделия характеризуются высоким качеством исполнения, надежностью и долговечностью, соответствуют требованиям электробезопасности и европейским стандартам качества. При изготовлении корпуса устройства применяется пожаробезопасный прочный пластик, который рассчитан на большое количество циклов работы.
У проходного выключателя, в отличие от обычного, три проводимых провода
Турецкий бренд Makel предлагает качественную, надежную, безопасную и стильную продукцию. Благодаря возможности подключения шлейфа без надобности задействования распределительной коробки, монтаж выключателей становится более простым, а дальнейшая эксплуатация – комфортной и безопасной.
Популярный модельный ряд проходных переключателей
Проходные выключатели Легранд из серии Velena отличаются стильным дизайном и многообразием цветовых вариаций. Здесь представлены одно и двухклавишные изделия, которые имеют пыле- и влагозащитный слой. Купить выключатель можно от 300 р.
В серию Celiane вошли изделия, у которых круговые клавиши вписаны в квадрат. Они могут быть бесконтактными с рычажками или бесшумными. Стоимость переключателей начинается от 700 р. Модельный ряд Exclusive Celiane представлен ограниченным количеством выключателей, выполненных вручную из мрамора, бамбука, фарфора, золота, мирта и других материалов. Рамки выполняются исключительно на заказ. Цена за изделие начинается от 5,9 тыс. р.
Цветовые решения для переключателей из серии Celiane
Самыми популярными сериями выключателей от компании Lezard являются Demet, Mira и Deriy. Здесь представлены изделия, выполненные из негорючего поликарбоната, что соответствует требованиям электробезопасности. Токопроводящие элементы изготовлены из фосфорной бронзы, что характеризуется высокой проводимостью и низким подогревом. Купить проходной одноклавишный выключатель можно от 125 р.
В серии W 59 Frame от Wessen используется модульный принцип, позволяющий установить от 1 до 4 устройств в одну рамку горизонтально или вертикально. Цена изделия составляет 140 р. Отличаются простым дизайном, но высоким качеством исполнения одинарные и двойные проходные выключатели из серии Asfora, купить которые можно за 450 р.
Среди популярных серий компании Makel можно выделить Defne и Makel Mimoza. Корпус устройств выполняется из высококачественного пластика, оснащенный внутренним надежным механизмом. Стоимость изделий начинается от 150 р.
При нажатии кнопки вкл/выкл подвижный контакт проходного выключателя перекидывается из одного контакта на другой, создавая при этом условия для новой цепи в дальнейшем
Принцип работы и установка коммутирующих устройств не представляют существенных сложностей. Необходимо предварительно изучить схему подключения и следовать рекомендациям правил электробезопасности, что даст возможность осуществить надежный и безопасный монтаж устройств, тем самым обеспечит удобное и комфортное управление осветительными приборами в доме.
Как подключить проходной выключатель: видео схемы подключения
Назначение
Такая тенденция при увеличении количества подключенных проводов при монтаже проходного трехклавишного выключателя с управлением из трех мест, приведет к проблеме с большим количеством проводов. Схема параллельного подключения ламп Устанавливайте светодиодные экономичные лампы, это существенно снизит затраты на электроэнергию, потребуются кабеля меньшего сечения, что сэкономит финансовые затраты.
В этом случае самый простой и надежный способ отключить автомат освещения в щитке. И чем больше у вас светоточек, тем большее их количество будет в распредкоробках.
Чем характерна схема подключения проходного двухклавишного коммутатора? То же самое выполняет и двухклавишный выключатель. Если вы уже лежите в постели?
Как это сделать, читайте в статье » Беспроводной проходной выключатель. Порядок подключения проводов, которые по схеме проложены между переключателями и подсоединяемые в клеммы со стрелками, не критичен. Однако выключатель с тремя клеммами здесь уже не подойдет. В шов закладывают трехжильный кабель и шпаклюют стену.
Используется с той же целью для управления тремя группами светильников. По сути, мы можем использовать в этой схеме два одноклавишных выключателя вместо двухклавишного. Глядя на обе схемы, сразу заметно, как подключен фазный провод. А если вам вообще не хочется прокладывать провода и штробить стены, можно ли в этом случае смонтировать проходные выключатели?
Как работает 2х клавишный ПВ

На нижней части иллюстрации цепь замкнута, и свет включен. Разновидности перекрестных и проходных переключателей Давайте знакомиться поближе с предметом нашего интереса. Это позволит избежать ошибок при монтаже. Пример установки проходных выключателей в спальне Перед Вами вопиющий пример непредусмотрительности: в спальне нет проходных выключателей!
Это следует приять к сведению, прежде чем подключить двухклавишный коммутатор. Схема подключения одинарного проходного выключателя значительно проще и может помочь организовать управление электроосвещением из двух точек. Иногда стремятся к экономии, покупают провода тонкого сечения, не учитывают максимально допустимую длину кабеля. Внешний слой изоляции с провода снимается почти полностью до вводного отверстия, оставляют см. Материалы Подключение двухклавишного проходного выключателя Без проходных выключателей совершенно не обойтись в современном интерьере.
Установить декоративные панели устройств. Вот схема, поясняющая принцип работы такого устройства: Схема с перекрестным выключателем У него уже 8 контактов.
Двухклавишные проходные выключатели из 2-х мест. Схема подключения
Выводы и полезное видео по теме
Теоретическая информация о том, как происходит установка в помещении проходного выключателя:
Вот такими серьёзно модифицированными электрическими компонентами выглядят привычные всем электрические выключатели. Теперь это уже не просто коммутаторы электроламп, вкрученных в патроны люстр.
Эти приборы могут успешно применяться для управления другими объектами. Например, выполнением работы на подъём и опускание штор на окнах квартиры.
Если вам приходилось самостоятельно устанавливать проходной выключатель в собственном доме, поделитесь, пожалуйста, опытом с нашими читателями. Расскажите как вы реализовали эту задачу на практике. Оставляйте свои комментарии в расположенном ниже блоке. Там же можно задать вопросы по теме статьи, а мы постараемся на них оперативно ответить.





